Запчасти Case IH 90 (R-31) - CAPPING DISK FRAME AND DISK, ONE PER ROW

Схема запчастей Case IH 90 - (R-31) - CAPPING DISK FRAME AND DISK, ONE PER ROW
8
8
2
9
10
1
3
6
5
3
2
9
4
7
5
4
7
6
10
FIT
1:1
100%

Артикул

Название

Примечание

Количество

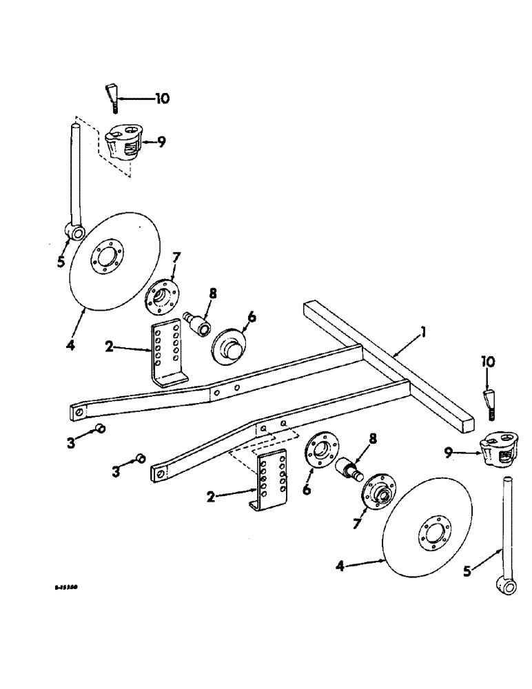
1

482603R91

FRAME ASSY, disk

1шт.

2

482606R1

SUPPORT, stop

2шт.

17448R1

BOLT (SPREADER)

BOLT, 1/2 x 1-1/4 hex-hd mach

4шт.

103323

LOCK WASHER,1/2"

WASHER, LOCK, 1/2"

4шт.

102637

NUT,1/2"-13, G5

4шт.

3

450976R1

BUSHING, disk frame

2шт.

413-828

BOLT,Hex, 1/2" - 13 x 1-3/4", Gr 5

2шт.

16038R1

WASHER

17/32 x 1 x 11 ga

2шт.

103323

LOCK WASHER,1/2"

WASHER, LOCK, 1/2"

2шт.

102637

NUT,1/2"-13, G5

2шт.

4

469372R1

DISC,13"

DISK, 13 in.

2шт.

180077

BOLT,Hex, 5/16" - 18 x 3/4", Gr 5

SCREW, 5/16-18 x 3/4 C-Z hex-hd cap

12шт.

80681

LOCK WASHER,5/16"

WASHER, LOCK, 5/16"

12шт.

120376

NUT,5/16"-18, G5

12шт.

5

469373R1

SUPPORT ASSY.

STANDARD, str

2шт.

138711

SCREW, 3/8-16 x 7/16 hex-soc-hd ov-pt set

2шт.

6

468008R1

COVER

HOUSING, brg closed half

2шт.

7

468009R1

RETAINER

HOUSING, brg open half

2шт.

8

ST686

BALL BEARING,47.63mm OD x 88.09mm L

BEARING, ball

2шт.

9

522557R2

CLAMP

disk

2шт.

10

27585BA

BOLT,Wedge, 1/2" - 13 x 4 1/2", Long

wedge

2шт.

102637

NUT,1/2"-13, G5

2шт.

Выбрано товаров: 22