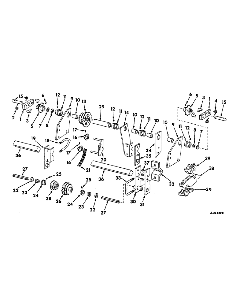
Запчасти Case IH 90 (R-03) - HOPPER DRIVE

Схема запчастей Case IH 90 - (R-03) - HOPPER DRIVE
26
29
36
13
18
17
23
11
7
39
25
5
37
11
33
11
10
28
27
12
8
20
17
23
35
3
34
38
32
15
22
22
24
4
5
6
15
9
1
9
2
16
24
10
19
25
10
36
6
1
30
31
14
16
21
12
3
8
7
10
11
39
12
12
27
FIT
1:1
100%

Артикул

Название

Примечание

Количество

1

472328R1

CARRIER

pawl

2шт.

522292R1

PIN,5/16" x 1 3/4"

5/16 x 1-3/4 std-hd

2шт.

13066R1

Pin, Split (Cotter), 1/8" x 1", self-opening 1/8" x 1"

2шт.

2

472721R1

SPRING

ratchet wheel LH

2шт.

3

472329R1

PAWL

drive sprocket

4шт.

108635

PIN,1/8" x 1 1/8"

Split (Cotter), 1/8" x 1 1/8"

4шт.

4

472722R1

SPRING

ratchet wheel RH

2шт.

5

482616R1

SPROCKET ASSY.

SPROCKET, drive, 10T

2шт.

6

86636814

LUBE NIPPLE,1/4"-28 x .52" lg

FITTING, 1/4-18 NF 2 str lub, drive sprocket

2шт.

7

589937R1

WASHER

wear

2шт.

8

481810R1

WASHER

keyed

2шт.

9

482444R2

PLATE, drive shaft bearing

2шт.

17523R1

BOLT, 1/2 x x hex-hd mach

4шт.

102637

NUT,1/2"-13, G5

4шт.

103323

LOCK WASHER,1/2"

WASHER, LOCK, 1/2"

4шт.

16038R1

WASHER

17/32 x 1 x 16 ga

4шт.

10

484060R1

BUSHING

main drive

4шт.

13068R1

PIN,3/16" x 1"

Split (Cotter), , self-opening 3/16" x 1"

4шт.

11

481812R11

BEARING ASSY

W/BUSHING, main drive

4шт.

12

66584D

FITTING

3/16 drive str lub, in main drive brg

4шт.

13

482443R1

SPROCKET ASSY.

SPROCKET, main drive, 13T, 16T & 18T

1шт.

14

482445R91

SUPPORT ASSY, center drive brg, 1966, order support, 486622R1, and bar, 486623R1 and attaching hardware

1шт.

14

486622R1

SUPPORT ASSY, center drive brg, 1967 and since

1шт.

15

482615R1

1шт.

ROD, main drive, 4 row planter w/80 in. tread, 1966, order rod, 486620R1, rod 486621R1, tube, 486619R1, bearing, 481812R1, fitting, 66584D, pin, 13068R1, two pins, 522292R1, two pins, 13066R1, support, 486628R1, two screws, 179891, two nuts, 102637 & two washers, 103323

1шт.

15

486620R1

ROD, main drive LH, 4 row planter w/80 in. tread, 1967 and since

1шт.

15

486621R1

ROD, main drive RH, 4 row planter w/80 in. tread, 1967 and since

1шт.

15

482617R1

1шт.

ROD, main drive, 4 skip row planter w/120 in. tread, 1966, order rod, 486625R1, tube, 486619R1, bearing, 481812R11, fitting, 66584D, pin, 13068R1, two pins, 522292R1, two pins, 13066R1, support, 486628R1, two screws, 179891, two nuts, 102637 & two washers, 103323

1шт.

15

486624R1

ROD, main drive LH, 4 skip row planter w/120 in. tread, 1967 and since

1шт.

15

486625R1

ROD, main drive RH, 4 skip row planter w/120 in. tread, 1967 and since

1шт.

15

482618R1

1шт.

ROD, main drive, 6 row and 4 skip row planter w/160 in. tread, 1966, order rod 486626R1, rod, 486627R1, tube, 486619R1, bearing, 481812R11, fitting, 66584D, pin, 13068R1, two pins, 522292R1, two pins, 13066R1, support, 486628R1, two screws, 179891, two nuts, 102637 & two washers, 103323

1шт.

15

486626R1

ROD, main drive LH, 6 row and 4 skip row planter w/160 in. tread, 1967 and since

1шт.

15

486627R1

ROD, main drive RH, 6 row and 4 skip row planter w/160 in. tread, 1967 and since

1шт.

522292R1

PIN,5/16" x 1 3/4"

5/16 x 1-3/4 std-hd

3шт.

13066R1

Pin, Split (Cotter), 1/8" x 1", self-opening 1/8" x 1"

3шт.

16

472344R1

SPROCKET

idler 6T

2шт.

17

66584D

FITTING

3/16 drive type lub

2шт.

18

472394R1

BOLT, support center drive U, 4 row and 4 skip row planter

1шт.

102639

NUT,5/8"-11, G5

2шт.

103325

LOCK WASHER,5/8"

WASHER, LOCK, 5/8"

2шт.

19

482449R91

SUPPORT ASSY, drive brg, 4 row and 4 skip row planter

1шт.

20

482456R11

PLATE ASSY, chain tightener

1шт.

17448R1

BOLT (SPREADER)

BOLT, 1/2 x 1-1/4 hex-hd mach

1шт.

88707

CARRIAGE BOLT,Sht Sq Nk, 1/2" - 13 x 1 1/4", Gr 5, Full Thd

BOLT, CARRIAGE, Short NK, 1/2"-13 x 1 1/4", G5, Full Thd

1шт.

102637

NUT,1/2"-13, G5

2шт.

13068R1

PIN,3/16" x 1"

Split (Cotter), , self-opening 3/16" x 1"

2шт.

103323

LOCK WASHER,1/2"

WASHER, LOCK, 1/2"

2шт.

21

CHAIN, drive, use 49 links 1 in. extended pitch agricultural roller chain from 10 ft. rolls marked, 568088R91, and one connecting link, 457113R91

1шт.

22

B296

COLLAR, center drive

2шт.

102894

SET SCREW

3/8-16 x 3/4 sq-hd cup-pt set

2шт.

23

472432R1

BUSHING

drill shaft

2шт.

24

472431R1

COLLAR

BEARING, drill shaft

2шт.

25

86636814

LUBE NIPPLE,1/4"-28 x .52" lg

FITTING, 1/4-28 NF 2 str lub, 2 used on skip row planters, in drill shaft brg

1шт.

26

482452R1

SPROCKET, main drill shaft, 13T, 16T & 17T

1шт.

114503

JAM NUT,Jam, 3/8"-16, G5

1шт.

NLS

NO LONGER SERVICED

3/8-16 x 7/8 sq-hd cup-pt set

1шт.

27

482454R1

SHAFT, drill, 4 row, planter w/160 in. tread

1шт.

27

482460R1

SHAFT, drill, 4 skip row planter w/120 in. tread

1шт.

27

482455R1

SHAFT, drill, 6 row & 4 skip row

1шт.

103347

WASHER

15/16 x 1-3/4 x 11 ga, on drill shaft

1шт.

28

482453R1

SPROCKET, main drill shaft, 8T, 10T & 12T

1шт.

114503

JAM NUT,Jam, 3/8"-16, G5

1шт.

102895

3/8-16 x 7/8 sq-hd cup-pt set

1шт.

29

486619R1

TUBE

rod coupler

1шт.

30

482508R91

PLATE ASSY, head bracket LH, 4-row and 4 skip row planter

1шт.

31

482484R1

PLATE, head bracket, 4 row and 4 skip row planter

1шт.

32

482486R1

CLAMP

head bracket, 4 row and 4 skip row planter

1шт.

33

482487R1

BOLT,5/8" - 11 x 1.6"

head bracket U, 4 row and 4 skip row planter

1шт.

102639

NUT,5/8"-11, G5

2шт.

103325

LOCK WASHER,5/8"

WASHER, LOCK, 5/8"

2шт.

34

486628R1

SUPPORT, main drive shaft brg.

1шт.

179891

SHAFT

SCREW, 1/2-13 x 2-1/2 hex-hd cap

2шт.

103323

LOCK WASHER,1/2"

WASHER, LOCK, 1/2"

2шт.

102637

NUT,1/2"-13, G5

2шт.

35

486623R1

BAR, brg support, 1967 and since

1шт.

179881

BOLT,1/2" - 13 x 1", Gr 5

2шт.

395-11053

WASHER,0.53" ID x 1.06" OD x 0.1" Thk

17/32 x 1-1/16 x .074

2шт.

103323

LOCK WASHER,1/2"

WASHER, LOCK, 1/2"

2шт.

36

TOOL BAR, 2-1/4 square x 156 in. long, for 4-row planters, see note

1шт.

36

TOOL BAR, 2-1/2 square x 156 in. long, for heavy duty 4-row planters, see note

1шт.

36

TOOL BAR, 2-1/4 square x 230 in. long, for 6-row planters, see note

1шт.

36

TOOL BAR, 2-1/2 square x 230 in. long, for 6-row heavy duty and 4-row skip-row planters, see note

1шт.

37

573713R1

SPACER,3/4" Tube x 11/16"

head bracket, 4 row planters, 1967 and since

1шт.

180183

BOLT,Hex, 1/2" - 13 x 2 1/4", Gr 5

SCREW, 1/2-13 x 2-1/4 C-Z hex-hd cap

1шт.

120384

WASHER,1/2"

LOCK, 1/2"

1шт.

120378

NUT,Hex, 1/2" - 13, Gr 5

NUT, 1/2"-13, G5

1шт.

38

475514R1

BRACKET

clamp, 4 row planters, 1967 and since

1шт.

39

523962R2

CLAMP

CAP, beam, 4 row planters, 1967 and since

2шт.

14-1480

BOLT,Hex, 7/8" - 14 x 5", Gr 5

SCREW, 7/8-14 x 4-3/4 hex-hd cap

4шт.

426767

NUT,7/8"-14, G5

7/8-14 C-Z hex.

4шт.

Выбрано товаров: 92