Запчасти Case IH 250 (E-33) - CHECKROW PLANTING ATTACHMENT, CHECK HEADS AND CLUTCH

Схема запчастей Case IH 250 - (E-33) - CHECKROW PLANTING ATTACHMENT, CHECK HEADS AND CLUTCH
14
16
7
14
24
2
6
14
28
25
1
27
9
15
14
20
8
13
10
29
26
12
18
5
23
13
31
3
4
17
19
11
17
8
30
22
21
FIT
1:1
100%

Артикул

Название

Примечание

Количество

1

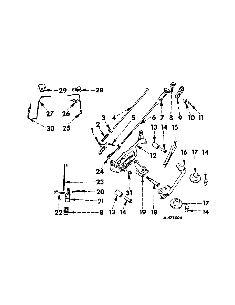
624578R1

LATCH, check head

1шт.

RIVET, 5/16 x 1 b-hd

1шт.

2

11100D

SPRING

latch rod, nos. 450 and 650 planters

1шт.

3

514547R11

COLLAR CLAMP

COLLAR W/SET SCREW, adjustable, nos. 450 and 650 planters

1шт.

102881

SET SCREW,Sq Hd, 5/16"-18 x 1/2"

SCREW, 5/16 x 1/2 cup-pt sq-hd set

1шт.

4

624459R1

ROD, latch, no. 450 planter

1шт.

4

626037R1

ROD, latch, no. 650 planter

1шт.

PIN, 3/32 x 5/8 cotter

1шт.

5

2065A

SPRING, latch

1шт.

6

624395R1

ROD, check head, no. 450 planter

1шт.

6

626050R1

ROD, check head, no. 250 planter

1шт.

6

626036R1

ROD, check head, no. 650 planter

1шт.

NUT, 5/16

2шт.

7

625252R1

ARM, trip

1шт.

8

624367R1

CAP, arm

1шт.

BOLT W/NUT, 3/8 x 2-1/4 crg

1шт.

WASHER, 3/8 lock

1шт.

9

624368R1

HANGER, check shaft bearing, nos. 450 and 650 planters

1шт.

BOLT W/NUT, 1/2 x 3-1/4 mach

1шт.

WASHER, 1/2 lock

1шт.

10

625086R1

SLEEVE, bearing, nos. 450 and 650 planters

1шт.

11

625178R1

KEEP, bearing sleeve, nos. 450 and 650 planters

1шт.

12

624576R1

CHECK HEAD, left adjustable

1шт.

12

624577R1

CHECK HEAD, right adjustable

1шт.

13

624379R1

ROLLER, straight

1шт.

14

625163R1

STUD, roller

4шт.

BOLT, 5/16 x 3/4 crg, for straight and rear flanged roller

6шт.

BOLT W/NUT, 5/16 x 1-1/4 mach, for front flanged roller

2шт.

15

624417R11

FORK, check

1шт.

BOLT, 3/8 x 1-1/2 mach

1шт.

551193R1

NUT, 3/8 lock

1шт.

WASHER, 13/32 x 7/8 x 11 ga

1шт.

16

624574R1

HINGE, left check head

1шт.

16

624575R1

HINGE, right check head

1шт.

17

624380R1

ROLLER, flanged

1шт.

18

624515R1

STUD, check head

1шт.

NUT, 1/2 UNF

1шт.

WASHER, 1/2 lock

1шт.

19

624572R11

ARM W/LUBRICATION FITTING, left check fork

1шт.

19

624573R11

ARM W/LUBRICATION FITTING, right check fork

1шт.

271432

LUBE NIPPLE,1/4" x .47 lg, Drive

FITTING, 1/4 drive type straight lub

2шт.

20

2064A

SPRING

lock pin

1шт.

21

625476R1

ARM, clutch throw-out

1шт.

22

625570R1

PIN, clutch throw-out link lock

1шт.

PIN, 1/8 x 5/8 cotter

1шт.

WASHER, 9/32 x 5/8 x 16 ga

1шт.

23

625158R11

LINK, clutch throw-out

1шт.

24

467094R1

LINK, check head rod, 1961 and since

1шт.

24

624543R1

LINK, check head rod, Serial Range: 1957-1961

1шт.

BOLT W/NUT, 1/4 x 1 mach

1шт.

WASHER, 1/4 lock

2шт.

WASHER, 9/32 x 15/16 x 18 ga

2шт.

25

457095R1

S-HOOK, no. 250 planter

1шт.

26

MB22046

EYEBOLT, no. 250 planter

1шт.

NUT, 1/2

1шт.

WASHER, 1/2 lock

1шт.

27

626205R1

CHAIN, no. 4 Elwel machine chain, 119 in. long, no. 250 planter

1шт.

28

620318R1

SLIDE, chain, no. 250 planter

1шт.

BOLT W/NUT, 3/8 x 1-1/4 mach

1шт.

WASHER, 1/2 lock

1шт.

29

625815R91

PULLEY AND CASE, no. 250 planter

1шт.

BOLT W/NUT, 1/2 x 1 mach

1шт.

BOLT W/NUT, 1/2 x 1-1/4 mach

1шт.

WASHER, 1/2 lock

2шт.

30

625809R1

ARM, trip, no. 250 planter

1шт.

BOLT W/NUT, 3/8 x 1-1/8 mach

1шт.

WASHER, 3/8 lock

1шт.

31

(Not used in this application)

1шт.

Выбрано товаров: 68