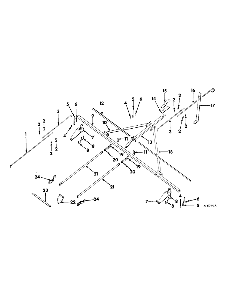
Запчасти Case IH 450A (E-43) - DUPLEX HITCH FRAME, FOR FOUR ROW

Схема запчастей Case IH 450A - (E-43) - DUPLEX HITCH FRAME, FOR FOUR ROW
2
5
9
24
18
15
21
2
7
11
8
19
24
5
13
2
8
12
6
3
14
16
2
2
1
19
7
5
6
2
6
8
17
20
20
21
3
8
10
4
23
11
2
4
2
22
4
FIT
1:1
100%

Артикул

Название

Примечание

Количество

1

463097R1

ROD, rear power lift trip

1шт.

2

463095R1

CLAMP, wire

2шт.

BOLT W/NUT, 5/16 x 1 crg

1шт.

3

463094R1

ROD, rear pull

1шт.

4

463091R1

CLIP, lift arm

1шт.

5

463090R1

ARM, rockshaft

1шт.

6

463092R1

U-BOLT

1шт.

NUT, 7/16

2шт.

WASHER, 7/16 lock

2шт.

7

463085R91

PIVOT, caster wheel

1шт.

80710

LUBE NIPPLE,1/8” – 27 Dryseal PTF

NIPPLE, LUBE, 1/8"-27 x .66 lg

1шт.

Q657

HEADED PIN,9.53mm OD x 69.85mm L

PIN, 3/8 x 2-3/4 dld-std-hd

1шт.

PIN, 1/8 x 3/4 self-opening cotter

1шт.

8

463088R1

U-BOLT, caster wheel bracket

1шт.

NUT, 5/8

2шт.

WASHER, 5/8 lock

2шт.

9

463083R91

DRAWBAR

1шт.

10

463190R11

BRACE, drawbar LH

1шт.

BOLT W/NUT, 1/2 x 3-1/4 mach

2шт.

BOLT W/NUT, 1/2 x 3-1/2 mach

2шт.

WASHER, 1/2 lock

4шт.

11

463099R1

CLIP, bracket

1шт.

12

463089R1

ROCKSHAFT, duplex hitch

1шт.

13

463078R91

TONGUE, drawbar

1шт.

BOLT W/NUT, 1/2 x 3-1/4 mach

2шт.

WASHER, 1/2 lock

2шт.

14

625122R1

CLEVIS, hitch

1шт.

15

625123R1

CLEVIS, off-set hitch

1шт.

BOLT W/NUT, 1/2 x 4-1/2 mach

2шт.

Q3795

HEADED PIN,3/4" x 4"

PIN, 3/4 x 4 dld-std-hd

1шт.

PIN, 1/4 x 1-1/2 self-opening cotter

1шт.

WASHER, 1/2 lock

2шт.

16

463093R1

ROD, front pull

1шт.

17

624412R1

SUPPORT, trip rod

1шт.

18

463191R11

BRACE, drawbar RH

1шт.

BOLT W/NUT, 1/2 x 3-1/2 mach

2шт.

WASHER, 1/2 lock

2шт.

19

463098R11

BRACKET, stabilizer

1шт.

NUT, 1/2

2шт.

WASHER, 1/2 lock

2шт.

20

625214R1

PIN, pointed end

1шт.

PO18500A

PIN

quick-attachable cotter

1шт.

21

463100R1

PIPE, stabilizer

1шт.

625214R1

PIN, 1/2 x 2-7/8 pointed end

1шт.

PO18500A

PIN

quick attachable cotter

1шт.

22

463102R1

BRACKET, transport hitch

1шт.

BOLT W/NUT, 1/2 x 2 mach

2шт.

WASHER, 1/2 lock

2шт.

23

463592R2

STRAP, planter tie

1шт.

24

463101R1

STRAP, stabilizer

2шт.

BOLT W/NUT, 7/16 x 1-1/4 mach

4шт.

WASHER, 7/16 lock

4шт.

460010R1

SPACER, 1-1/4 sq x 5/16 flat

1шт.

Выбрано товаров: 53