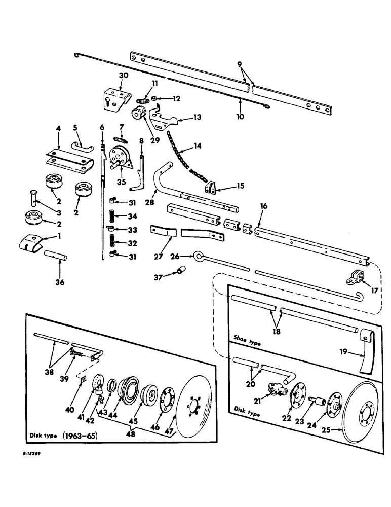
Запчасти Case IH 456 (G-18) - MARKER UNIT, DISK TYPE AND SHOE TYPE

Схема запчастей Case IH 456 - (G-18) - MARKER UNIT, DISK TYPE AND SHOE TYPE
7
6
29
31
28
2
11
30
39
13
3
46
8
36
34
25
4
10
18
5
27
23
35
38
31
26
12
48
43
2
16
47
14
20
15
45
33
19
41
24
22
42
37
44
32
17
1
40
2
21
9
FIT
1:1
100%

Артикул

Название

Примечание

Количество

1

472374R1

BRACKET

pulley

1шт.

2

625071R1

PULLEY

SHEAVE, chain roller

3шт.

3

474110R1

PIN

marker sheave

1шт.

13094R1

Pin, Split (Cotter), 3/16" x 1 1/4", self-opening 3/16" x 1 1/4"

1шт.

4

472355R1

CASE, idler pulley

1шт.

H2808

HEADED PIN,5/8" x 2"

PIN, 5/8 x 2 std-hd

2шт.

13094R1

Pin, Split (Cotter), 3/16" x 1 1/4", self-opening 3/16" x 1 1/4"

2шт.

5

484447R1

ROD

idler pulley pivot, replaces 472354R1

1шт.

13121R1

Pin, Split (Cotter), 1/4" x 1 1/2", self opening 1/4" x 1 1/2"

2шт.

6

472363R91

TRIP

ASSY, marker latch

1шт.

13042R1

AXLE PIN,1/8" x 3/4"

Pin, Split (Cotter), , self-opening 1/8" x 3/4"

2шт.

7

370972R1

SPRING

marker latch trip

1шт.

8

474448R1

LATCH

RACK, marker trip, offset

1шт.

102670

RIVET

3/16 x 7/16 small b-hd

1шт.

9

472114R1

BAR, jockey

3шт.

578274R1

WASHER

21/32 x 1 x 11 ga, when marker brace is not used

4шт.

10

472357R1

ROD

marker latch trip left

1шт.

10

472356R1

ROD, marker latch trip right

1шт.

11

37AC

SPRING

latch

2шт.

M906

HEADED PIN,7/16" x 1 1/8"

PIN, 7/16 x 1-1/8 std-hd

2шт.

12

659393R1

RING

SPACER, latch pivot

2шт.

13

472359R2

LATCH

marker, left

1шт.

13

472360R2

LATCH

marker, right

1шт.

111-404

CARRIAGE BOLT,Short NK, 7/16"-14 x 1 1/4", G5

BOLT, 7/16-14 x 1-1/4 short-sq-nk crg

2шт.

NLS

NO LONGER SERVICED

7/16-14 hex.

2шт.

W6652

WASHER

15/32 x 1 x 16 ga

2шт.

103322

LOCK WASHER,7/16"

WASHER, LOCK, 7/16"

2шт.

14

472371R2

CHAIN (AG)

CHAIN, marker

1шт.

15

464003R1

CLIP

marker chain

2шт.

179822

BOLT,Hex, 5/16" - 18 x 1 1/2", Gr 5

6шт.

9635082

NUT,5/16" - 18, Gr 5

5/16-18 hex.

6шт.

103320

LOCK WASHER,5/16"

WASHER, LOCK, 5/16"

6шт.

16

478019R1

CHANNEL

marker

2шт.

19471R1

PIN, SPLIT (COTTER),1/4" x 1 3/4"

4шт.

668752R1

WASHER

29/32 x 1-1/4 x 16 ga C-Z

4шт.

17

624359R31

CLAMP

ASSY, marker brace

2шт.

18

625089R2

BAR, shoe marker extension

2шт.

19

625149R1

SHOE, marker left

1шт.

19

625150R1

BRACKET

SHOE, marker right

1шт.

17522R1

BOLT, 7/16-14 x 2 hex-hd mach

2шт.

NLS

NO LONGER SERVICED

7/16-14 hex.

2шт.

103322

LOCK WASHER,7/16"

WASHER, LOCK, 7/16"

2шт.

20

478732R1

ROD

marker disk clamp, see note B

2шт.

21

478032R1

CLAMP

axle, see note B

2шт.

15073R1

BOLT, 1/2-13 x 2 sq-nk crg

2шт.

102637

NUT,1/2"-13, G5

2шт.

102874

SCREW, 3/8-16 x 3/4 sq-nk cup-pt set

2шт.

103323

LOCK WASHER,1/2"

WASHER, LOCK, 1/2"

2шт.

22

478035R1

BEARING HOUSING,109 mm OD x 19.3 mm

disk brg inner, see note B

2шт.

23

ST438

BEARING

ASSY, ball, see note B

2шт.

480679R1

WASHER

dirt seal felt, see note B

2шт.

24

478036R1

BEARING HOUSING,30.023 mm ID x 69 mm OD x 19.3 mm

disk brg outer, see note B

2шт.

25

479473R1

DISC

DISK, 11 in. marker, see note B

2шт.

120376

NUT,5/16"-18, G5

12шт.

180077

BOLT,Hex, 5/16" - 18 x 3/4", Gr 5

SCREW, 5/16-18 x 3/4 cd or zn-pltd hex-hd cap

12шт.

80681

LOCK WASHER,5/16"

WASHER, LOCK, 5/16"

12шт.

26

472358R1

ROD, marker brace, Serial Range: 1963-1965

2шт.

26

479125R1

ROD

marker brack, 1965 and since

2шт.

27

474260R1

BRACE, marker bar, disk type, Serial Range: 1963-1965

2шт.

27

479126R1

BRACE, marker bar, disk type, 1965 and since

2шт.

17446R1

BOLT,3/8" - 16 x 1 1/4", Gr 2

3/8-16 x 1-1/4 hex-hd mach

4шт.

102635

NUT,3/8"-16, G5

4шт.

Q1597

WASHER

13/32 x 3/4 x 16 ga

4шт.

103321

LOCK WASHER,3/8"

WASHER, LOCK, 3/8"

4шт.

28

478017R1

ROD

SHAFT, marker bar pivot LH

1шт.

28

478018R1

SHAFT

marker bar pivot RH

1шт.

29

625036R1

PULLEY

ROLLER, lift chain

2шт.

SA3442

PIN, 1/2 x 2-15/16 std-hd

2шт.

13094R1

Pin, Split (Cotter), 3/16" x 1 1/4", self-opening 3/16" x 1 1/4"

2шт.

30

472372R1

BRACKET, latch, left

1шт.

30

472373R1

BRACKET, latch, right

1шт.

111-404

CARRIAGE BOLT,Short NK, 7/16"-14 x 1 1/4", G5

BOLT, 7/16-14 x 1-1/4 short-sq-nk crg

2шт.

NLS

NO LONGER SERVICED

7/16-14 hex.

2шт.

103322

LOCK WASHER,7/16"

WASHER, LOCK, 7/16"

2шт.

31

514547R11

COLLAR CLAMP

COLLAR ASSY, control

2шт.

102881

SET SCREW,Sq Hd, 5/16"-18 x 1/2"

SCREW, 5/16-18 x 1/2 sq-hd cup-pt set

2шт.

32

373560R1

SPRING

alternator trip rod, lower

1шт.

33

PO2437

PIVOT

TRUNNION, alternator rod

1шт.

13042R1

AXLE PIN,1/8" x 3/4"

Pin, Split (Cotter), , self-opening 1/8" x 3/4"

1шт.

34

255118R1

VALVE SPRING

SPRING, marker trip rack

1шт.

35

472361R91

RATCHET

ASSY, marker latch

1шт.

80280503

CARRIAGE BOLT,Sht Sq Nk, 3/8" - 16 x 1", Gr 5, Full Thd

BOLT, 3/8-16 x 1 short-sq-nk crg

2шт.

102635

NUT,3/8"-16, G5

2шт.

13042R1

AXLE PIN,1/8" x 3/4"

Pin, Split (Cotter), , self-opening 1/8" x 3/4"

1шт.

Q1505

WASHER

13/32 x 1 x 16 ga

1шт.

103321

LOCK WASHER,3/8"

WASHER, LOCK, 3/8"

2шт.

36

472375R1

PIN

pivot

1шт.

576517R1

LOCK PIN,1/4" x 1 1/2", Slotted

Pin, 1/4" x 1 1/2", Slotted

1шт.

37

478176R1

BUSHING

brace rod

2шт.

38

624466R2

EXTENSION, marker bar, see note A

2шт.

39

620156R1

BOLT

marker disk bearing, see note A

2шт.

NUT, 1/2-20 hex.

2шт.

40

N32572

CLIP

lock, see note A

2шт.

41

N2605

HANGER, marker, see note A

2шт.

615991R1

WASHER

1-13/32 x 1-1/2 x 16 ga

2шт.

42

109461

LUBE NIPPLE,1/8"-27 x .66 lg

NIPPLE, LUBE, , In hanger, see note A 1/8"-27 x .66 lg

2шт.

43

NA42985

SEAL, marker disk dust, see note A

2шт.

44

N2522

HUB, marker disk, see note A

2шт.

13945R1

RIVET,Csk, 1/4" x 5/8"

1/4 x 5/8 74 deg csk-hd

12шт.

45

NA2346

BEARING, marker disk, see note A

2шт.

46

N62375

GASKET

disk arm, see note A

2шт.

47

624457R11

DISK W/PLUG, N42900 marker, see note A

2шт.

N42900

PLUG, disk

2шт.

48

624722R91

DISK W/BEARING & HUB ASSY, marker, see note A

2шт.

Выбрано товаров: 104