Запчасти Case IH 466 (J-13[A]) - DISK COVERING ATTACHMENT, W/PRECISION BEARINGS, ONE PER ROW

Схема запчастей Case IH 466 - (J-13[A]) - DISK COVERING ATTACHMENT, W/PRECISION BEARINGS, ONE PER ROW
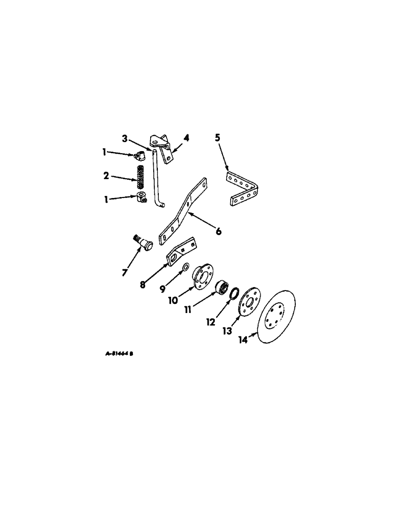
1
13
4
9
10
3
5
7
8
6
14
11
2
1
12
FIT
1:1
100%

Артикул

Название

Примечание

Количество

1

517951R11

WEAR PAD

COLLAR W/SET SCREW, spring rod

4шт.

105111

FITTING

SCREW, 5/16-18 x 3/8 sq-hd cup-pt set

4шт.

2

2833

SPRING

spring rod

2шт.

3

464460R2

ROD

pressure spring

2шт.

13066R1

Pin, Split (Cotter), 1/8" x 1", self-opening 1/8" x 1"

4шт.

Q1505

WASHER

13/32 x 1 x 16 ga

4шт.

4

480458R91

BRACKET

ASSY, pivot

2шт.

86508749

CARRIAGE BOLT,Short Square Neck, 3/8" - 16 x 1 1/4", Grade 5

BOLT, 3/8 x 1-1/4 sq-nk crg

4шт.

17439R1

BOLT,Hex, 1/2" - 13 x 1 1/8", Gr 2

1/2 x 1-1/8 hex-hd mach

2шт.

102635

NUT,3/8"-16, G5

4шт.

114505

JAM NUT,Jam, 1/2"-13, G5

2шт.

103321

LOCK WASHER,3/8"

WASHER, LOCK, 3/8"

4шт.

76730H

WASHER

17/32 x 1-1/2 x 11 ga

2шт.

5

480461R1

BRACKET

attaching

2шт.

17446R1

BOLT,3/8" - 16 x 1 1/4", Gr 2

3/8 x 1-1/4 hex-hd mach

4шт.

102635

NUT,3/8"-16, G5

4шт.

103321

LOCK WASHER,3/8"

WASHER, LOCK, 3/8"

4шт.

6

480462R1

ARM, covering disk

2шт.

7

481379R1

BOLT,5/8" - 11 x 1.8"

covering disk brg

2шт.

8

481377R1

BRACKET, covering disk adapter LH

1шт.

8

481378R1

BRACKET, covering disk adapter RH

1шт.

15007R1

CARRIAGE BOLT,Sq Nk, 5/16" - 18 x 1", Gr 2

BOLT, CARRIAGE, Short NK, 5/16"-18 x 1", G2

4шт.

9635082

NUT,5/16" - 18, Gr 5

5/16-18 hex.

4шт.

103320

LOCK WASHER,5/16"

WASHER, LOCK, 5/16"

4шт.

Q398

WASHER

11/32 x 7/8 x 16 ga

4шт.

9

350515R1

WASHER

21/32 x 1 x 16 ga

2шт.

102639

NUT,5/8"-11, G5

2шт.

103325

LOCK WASHER,5/8"

WASHER, LOCK, 5/8"

2шт.

10

602989R1

FLANGE,1.41" ID x 3.25" OD x 0.63"

HOUSING, covering disk brg

2шт.

11

479838R91

BALL BEARING,17mm ID x 40mm OD x 16.6mm W

covering disk ball

2шт.

12

479844R1

WASHER

ball brg spacing

2шт.

13

480466R1

RETAINER

covering disk

2шт.

14

480465R1

DISC

DISK, 7 in. covering

2шт.

104081

RIVET,But Hd, 1/4" x 1/2"

1/4 x 1/2 small b-hd

12шт.

Выбрано товаров: 34