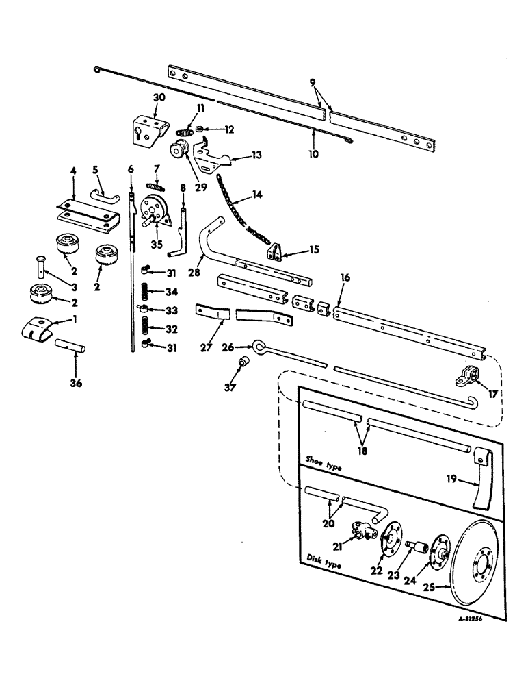
Запчасти Case IH 466 (J-18) - MARKER UNIT, DISK TYPE AND SHOE TYPE

Схема запчастей Case IH 466 - (J-18) - MARKER UNIT, DISK TYPE AND SHOE TYPE
10
23
13
37
1
33
5
2
4
22
29
15
20
25
26
9
2
31
12
8
24
28
19
31
35
2
21
36
30
6
16
27
32
3
11
18
14
7
34
FIT
1:1
100%

Артикул

Название

Примечание

Количество

1

472374R1

BRACKET

pulley

1шт.

2

625071R1

PULLEY

SHEAVE, chain roller

3шт.

3

474110R1

PIN

marker sheave

1шт.

13094R1

Pin, Split (Cotter), 3/16" x 1 1/4", self-opening 3/16" x 1 1/4"

1шт.

4

472355R1

CASE, idler pulley

1шт.

H2808

HEADED PIN,5/8" x 2"

PIN, 5/8 x 2 std-hd

2шт.

13094R1

Pin, Split (Cotter), 3/16" x 1 1/4", self-opening 3/16" x 1 1/4"

2шт.

5

484447R1

ROD

idler pulley pivot, replaces 472354R1

1шт.

13121R1

Pin, Split (Cotter), 1/4" x 1 1/2", self opening 1/4" x 1 1/2"

2шт.

6

472363R91

TRIP

ASSY, marker latch

1шт.

13042R1

AXLE PIN,1/8" x 3/4"

Pin, Split (Cotter), , self-opening 1/8" x 3/4"

2шт.

7

370972R1

SPRING

marker latch trip

1шт.

8

474448R1

LATCH

RACK, marker trip, offset

1шт.

102670

RIVET

3/16 x 7/16 small b-hd

1шт.

9

472114R1

BAR, jockey, see note A

3шт.

9

473573R1

BAR, jockey, see note D

3шт.

578274R1

WASHER

21/32 x 1 x 11 ga, see note B

4шт.

10

472357R1

ROD

marker latch trip left

1шт.

10

472356R1

ROD, marker latch trip right

1шт.

11

37AC

SPRING

latch

2шт.

M906

HEADED PIN,7/16" x 1 1/8"

PIN, 7/16 x 1-1/8 std-hd

2шт.

12

659393R1

RING

SPACER, latch pivot

2шт.

13

472359R2

LATCH

marker, left

1шт.

13

472360R2

LATCH

marker right

1шт.

111-404

CARRIAGE BOLT,Short NK, 7/16"-14 x 1 1/4", G5

BOLT, 7/16-14 x 1-1/4 short-sq-nk crg

2шт.

NLS

NO LONGER SERVICED

7/16-14 hex.

2шт.

103322

LOCK WASHER,7/16"

WASHER, LOCK, 7/16"

2шт.

W6652

WASHER

15/32 x 1 x 16 ga

2шт.

14

472371R2

CHAIN (AG)

CHAIN, marker

1шт.

15

464003R1

CLIP

marker chain

2шт.

9635082

NUT,5/16" - 18, Gr 5

5/16-18 hex.

6шт.

179822

BOLT,Hex, 5/16" - 18 x 1 1/2", Gr 5

6шт.

103320

LOCK WASHER,5/16"

WASHER, LOCK, 5/16"

6шт.

16

478019R1

CHANNEL

marker, see note A

2шт.

19471R1

PIN, SPLIT (COTTER),1/4" x 1 3/4"

4шт.

668752R1

WASHER

29/32 x 1-1/4 x 16 ga C-Z

4шт.

16

478016R1

CHANNEL

narrow row marker, see note D

2шт.

19471R1

PIN, SPLIT (COTTER),1/4" x 1 3/4"

4шт.

668752R1

WASHER

29/32 x 1-1/4 x 16 ga C-Z

4шт.

17

624359R31

CLAMP

ASSY, marker brace

2шт.

110450

SET SCREW,Sq Hd, 1/2"-13 x 1"

Cup Pt Sq Hd, 1/2"-13 x 1"

2шт.

18

625089R2

BAR, marker extension, see note B

2шт.

19

625149R1

SHOE, marker left, see note B

1шт.

19

625150R1

BRACKET

SHOE, marker right, see note B

1шт.

17522R1

BOLT, 7/16-14 x 2 hex-hd mach

2шт.

NLS

NO LONGER SERVICED

7/16-14 hex.

2шт.

103322

LOCK WASHER,7/16"

WASHER, LOCK, 7/16"

2шт.

20

478732R1

ROD

marker disk clamp, see note C

2шт.

21

478032R1

CLAMP

axle, see note C

2шт.

15073R1

BOLT, 1/2-13 x 2 sq-nk crg2

1шт.

103323

LOCK WASHER,1/2"

WASHER, LOCK, 1/2"

2шт.

102637

NUT,1/2"-13, G5

2шт.

102894

SET SCREW

3/8-16 x 3/4 sq-hd cup-pt set

2шт.

22

478035R1

BEARING HOUSING,109 mm OD x 19.3 mm

disk beg inner, see note C

2шт.

23

ST438

BEARING

ball, see note C

2шт.

480679R1

WASHER

dirt seal felt

2шт.

24

478036R1

BEARING HOUSING,30.023 mm ID x 69 mm OD x 19.3 mm

disk brg outer, see note C

2шт.

25

479473R1

DISC

DISK, 11 in., see note C

2шт.

180077

BOLT,Hex, 5/16" - 18 x 3/4", Gr 5

SCREW, 5/16-18 x 3/4 C-Z hex-hd cap

12шт.

120376

NUT,5/16"-18, G5

12шт.

80681

LOCK WASHER,5/16"

WASHER, LOCK, 5/16"

12шт.

26

479125R1

ROD

marker brace, see note A

2шт.

26

481862R1

BRACE, narrow row marker, see note D, replaces 473572R1

2шт.

27

479126R1

BRACE, marker bar, see note C

2шт.

17446R1

BOLT,3/8" - 16 x 1 1/4", Gr 2

3/8-16 x 1-1/4 hex-hd mach

4шт.

103321

LOCK WASHER,3/8"

WASHER, LOCK, 3/8"

4шт.

102635

NUT,3/8"-16, G5

4шт.

578274R1

WASHER

21/32 x 1 x 11 ga, when marker brace is not used

4шт.

28

478017R1

ROD

SHAFT, marker bar pivot left

1шт.

28

478018R1

SHAFT

marker bar pivot right

1шт.

29

625036R1

PULLEY

ROLLER, lift chain

2шт.

SA3442

PIN, 1/2 x 2-15/16 std-hd

2шт.

13094R1

Pin, Split (Cotter), 3/16" x 1 1/4", self-opening 3/16" x 1 1/4"

2шт.

30

472372R1

BRACKET, latch left

1шт.

30

472373R1

BRACKET, latch right

1шт.

111-404

CARRIAGE BOLT,Short NK, 7/16"-14 x 1 1/4", G5

BOLT, 7/16-14 x 1-1/4 short-sq-nk crg

2шт.

103322

LOCK WASHER,7/16"

WASHER, LOCK, 7/16"

2шт.

NLS

NO LONGER SERVICED

7/16-14 hex.

2шт.

31

514547R11

COLLAR CLAMP

COLLAR ASSY, control

2шт.

102881

SET SCREW,Sq Hd, 5/16"-18 x 1/2"

SCREW, 5/16-18 x 1/2 sq-hd cup-pt set

2шт.

32

373560R1

SPRING

alternator trip rod lower

1шт.

33

PO2437

PIVOT

TRUNNION, alternator rod

1шт.

13042R1

AXLE PIN,1/8" x 3/4"

Pin, Split (Cotter), , self-opening 1/8" x 3/4"

1шт.

34

255118R1

VALVE SPRING

SPRING, marker trip rack

1шт.

35

472361R91

RATCHET

ASSY, marker latch

1шт.

80280503

CARRIAGE BOLT,Sht Sq Nk, 3/8" - 16 x 1", Gr 5, Full Thd

BOLT, 3/8-16 x 1 short-sq-nk crg

2шт.

102635

NUT,3/8"-16, G5

2шт.

103321

LOCK WASHER,3/8"

WASHER, LOCK, 3/8"

2шт.

13042R1

AXLE PIN,1/8" x 3/4"

Pin, Split (Cotter), , self-opening 1/8" x 3/4"

1шт.

Q1505

WASHER

13/32 x 1 x 16 ga

1шт.

36

472375R1

PIN

pivot

1шт.

576517R1

LOCK PIN,1/4" x 1 1/2", Slotted

Pin, 1/4" x 1 1/2", Slotted

1шт.

37

478176R1

BUSHING

brace rod, see note A

2шт.

Выбрано товаров: 93