Запчасти Case IH 612 (H-09) - MARKER

Схема запчастей Case IH 612 - (H-09) - MARKER
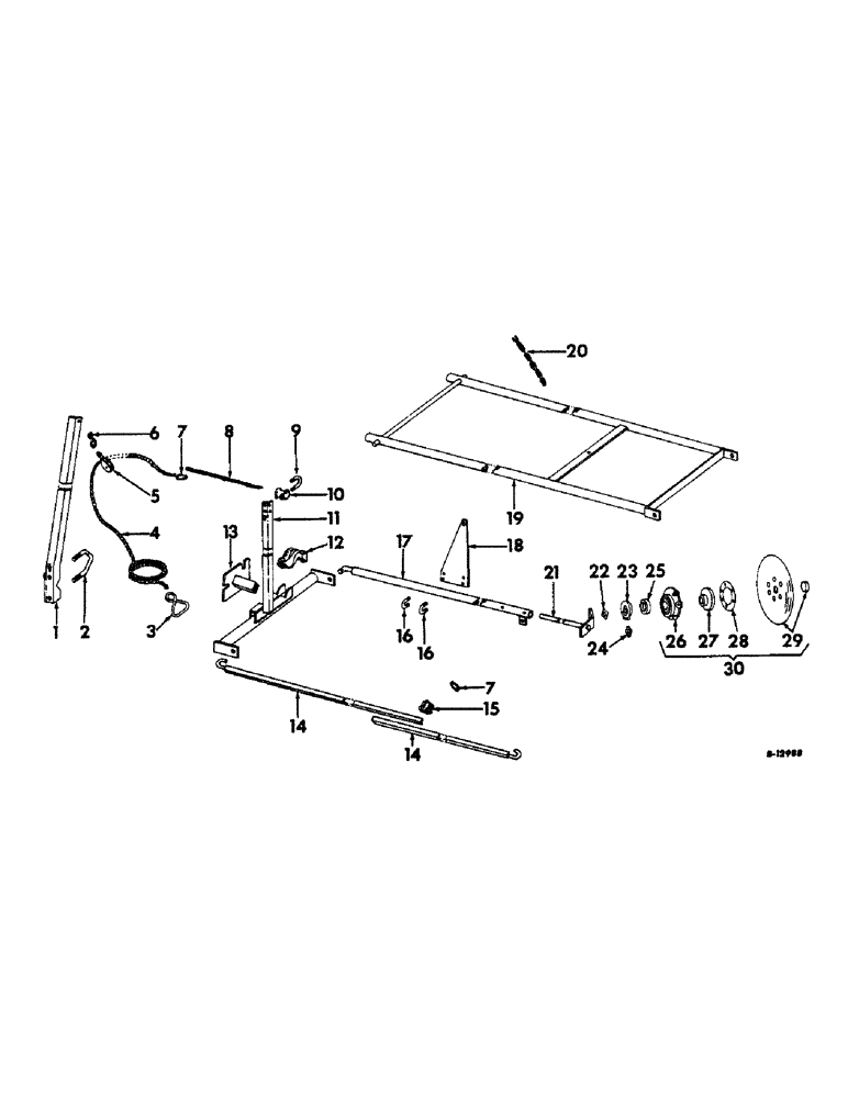
16
29
18
21
25
22
26
7
5
3
14
6
23
19
20
7
30
11
28
2
12
8
10
24
9
1
14
17
16
4
27
15
13
FIT
1:1
100%

Артикул

Название

Примечание

Количество

1

467996R11

MAST ASSY, center

1шт.

2

525018R1

BOLT,U, 5/8" - 11 x 5 1/8"

U-BOLT, center mast

1шт.

102639

NUT,5/8"-11, G5

2шт.

103325

LOCK WASHER,5/8"

WASHER, LOCK, 5/8"

2шт.

3

PO15110A

HANDLE, rope

1шт.

4

ROPE, 1/4 x 14 ft long, purchase locally

1шт.

5

514938R91

PULLEY, rope swivel

1шт.

6

520841R1

S-HOOK, center mast pulley

1шт.

7

621669R1

HOOK, chain

3шт.

8

468229R91

CHAIN, lift, six row, no. 4 Elwell link 240 inch long

1шт.

8

471828R91

CHAIN, lift, twelve row, no. 4 Elwell link 486 inch long

1шт.

9

33066A

U-BOLT, marker chain guide

2шт.

102635

NUT,3/8"-16, G5

4шт.

103321

LOCK WASHER,3/8"

WASHER, LOCK, 3/8"

4шт.

10

3125A

GUIDE, chain

2шт.

11

471812R91

CLAMP ASSY, RH

1шт.

11

471811R91

CLAMP ASSY, LH

1шт.

12

523962R2

CLAMP

CAP, clamp

2шт.

17897R1

NUT

BOLT, 7/8-9 x 6-1/4 hex-hd mach

4шт.

425-1014

NUT,7/8"-9, G5

NUT, 7/8"-9, G5

4шт.

103327

LOCK WASHER,7/8"

WASHER, LOCK, 7/8"

4шт.

13

471830R91

SUPPORT ASSY, RH, 6 row marker

1шт.

13

471829R91

SUPPORT ASSY, LH, 6 row marker

1шт.

14

471822R91

ANGLE ASSY, pull

4шт.

15

457A

CLAMP, pull angle

2шт.

102908

BOLT

SCREW, 7/16-14 x 1-1/4 sq-hd cup-pt set

2шт.

16

3988B

U-BOLT, lift plate

4шт.

102635

NUT,3/8"-16, G5

8шт.

103321

LOCK WASHER,3/8"

WASHER, LOCK, 3/8"

8шт.

17

471818R91

PIPE ASSY

2шт.

102635

NUT,3/8"-16, G5

4шт.

13121R1

Pin, Split (Cotter), 1/4" x 1 1/2", self opening 1/4" x 1 1/2"

2шт.

102894

SET SCREW

3/8-16 x 3/4 sq-hd cup-pt set

4шт.

18

PO17938A

PLATE, lift

2шт.

19

471801R91

FRAME ASSY, inner, 12 row marker

2шт.

13121R1

Pin, Split (Cotter), 1/4" x 1 1/2", self opening 1/4" x 1 1/2"

2шт.

20

471806R1

CHAIN, frame support, 12 row marker

2шт.

9635082

NUT,5/16" - 18, Gr 5

5/16-18 hex.

4шт.

179820

BOLT,Hex, 5/16" - 18 x 1 1/4", Gr 5

2шт.

103320

LOCK WASHER,5/16"

WASHER, LOCK, 5/16"

2шт.

Q397

WASHER

11/32 x 3/4 x 16 ga

2шт.

21

471825R91

ARM ASSY, disk

2шт.

620156R1

BOLT

1/2-20 x 2 sq-hd mach

2шт.

25-118

NUT,1/2"-20, G5

1/2-20 hex.

2шт.

22

N32572

CLIP

lock

2шт.

23

N2605

HANGER, disk

2шт.

615991R1

WASHER

1-3/32 x 1-1/2 x 26 ga

2шт.

24

109461

LUBE NIPPLE,1/8"-27 x .66 lg

NIPPLE, LUBE, , PTF, In disk hanger 1/8"-27 x .66 lg

2шт.

25

NA42985

WASHER, disk felt dust seal

2шт.

26

N2522

HUB

2шт.

13945R1

RIVET,Csk, 1/4" x 5/8"

1/4 x 5/8 74 deg csk-hd

12шт.

27

NA2346

BEARING

2шт.

28

N62375

GASKET

paper

2шт.

29

624457R11

DISK W/PLUG

2шт.

30

624722R91

DISK ASSY, marker

2шт.

Выбрано товаров: 55