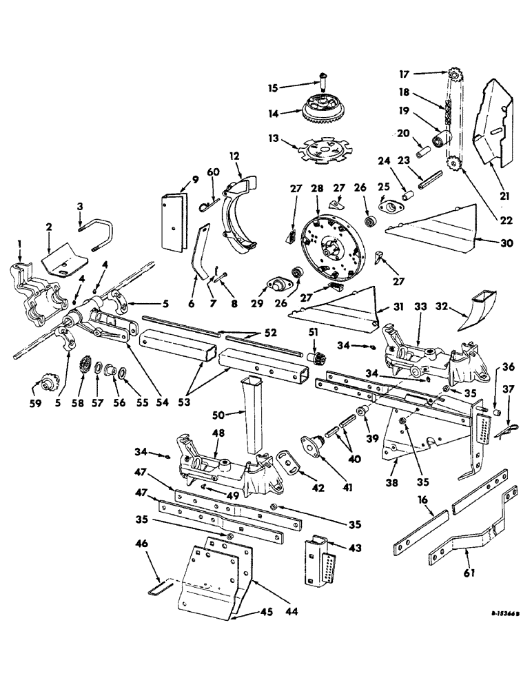
Запчасти Case IH 658 (L-08) - HILL DROP AND DRILL UNIT, ONE PER ROW

Схема запчастей Case IH 658 - (L-08) - HILL DROP AND DRILL UNIT, ONE PER ROW
53
35
35
40
16
51
58
14
34
26
26
3
47
20
55
17
34
27
35
36
46
19
31
52
37
45
43
5
9
41
18
27
56
24
4
48
4
47
39
49
27
35
30
50
22
12
5
54
28
42
32
8
38
6
2
60
23
27
59
7
25
21
1
13
34
61
33
57
29
44
15
FIT
1:1
100%

Артикул

Название

Примечание

Количество

1

472318R1

BRACKET

drawbar head

1шт.

2

479135R1

SHIELD

miter gear

1шт.

3

525018R1

BOLT,U, 5/8" - 11 x 5 1/8"

head bracket V

1шт.

102639

NUT,5/8"-11, G5

2шт.

4

86636814

LUBE NIPPLE,1/4"-28 x .52" lg

FITTING, 1/4-28 NF 2 str lub, drawbar bracket

2шт.

5

472319R1

CAP, unit drawbar bracket

2шт.

17603R1

BOLT,Hex, 1/2" - 13 x 2 3/4", Gr 2

1/2-13 x 2-3/4 hex-hd mach

4шт.

102637

NUT,1/2"-13, G5

4шт.

103323

LOCK WASHER,1/2"

WASHER, LOCK, 1/2"

4шт.

6

472115R1

SUPPORT

COVER, front valve

1шт.

7

121222

COTTER PIN,3/32" x 3/4"

PIN, SPLIT (COTTER), 3/32" x 3/4"

1шт.

8

471198R1

PIN

bottom casing, hill drop

1шт.

9

472127R1

DEFLECTOR, drill tube, hill drop

1шт.

20945R1

HEADED PIN,1/4" x 2 3/4"

PIN, 1/4 x 2-3/4 C-Z std-hd

1шт.

12235R1

1/8" x 5/8" 1/8" x 5/8"

1шт.

10

(Not used)

1шт.

11

(Not used)

1шт.

12

479129R91

SPRING

ASSY, seed retaining, hill drop

1шт.

480994R1

RIVET, 3/16 x 1/2 C-Z csk-hd tubular

4шт.

16547R1

WASHER,0.2" ID x 0.5" OD x 0.04" Thk

13/64 x 1/2 x 18 ga C-Z

4шт.

13

472128R1

PLATE, accumulator, hill drop

1шт.

14

472121R1

GEAR WHEEL

GEAR, ring

1шт.

15

479132R1

BOLT,1/2" - 13 x 2 23/64"

ring gear hub

1шт.

16

472114R1

BAR, jockey, for 34 to 40 in. row spacing

3шт.

16

473573R1

BAR, jockey, for 28 to 34 in. row spacing

5шт.

17

477300R11

SPROCKET ASSY, 12T rotor drive, hill drop

1шт.

Q1500

WASHER

11/32 x 1-1/4 x 16 ga

1шт.

18

472116R91

CHAIN, rotor drive, hill drop, use 47 links 1/2 in. pitch #190 non-std roller chain from 10 ft. roll marked 484914R91, one offset link, 524792R91 and one connecting link, 524791R91

1шт.

19

468417R1

ROLLER

rotor drive chain tightener, hill drop

1шт.

15172R1

BOLT, 3/8-16 x 3-1/2 sq-nk crg

1шт.

102635

NUT,3/8"-16, G5

2шт.

Q1505

WASHER

13/32 x 1 x 16 ga

1шт.

Q1581

WASHER, 13/32 x 1-1/2 x 16 ga sq-hole

1шт.

3420H

WASHER, 13/32 x 1-3/4 x 16 ga

2шт.

103321

LOCK WASHER,3/8"

WASHER, LOCK, 3/8"

1шт.

20

468460R1

SPACER

rotor chain tightener, hill drop

1шт.

21

481846R1

SHIELD ASSY, rotor chain, hill drop, will work for 473851R93

1шт.

22

471200R1

SPROCKET

rotor 12T, hill drop

1шт.

23

471199R1

SHAFT

rotor, hill drop

1шт.

179812

GEAR

SCREW, 5/16-18 x 1/2 hex-hd cap

2шт.

Q397

WASHER

11/32 x 3/4 x 16 ga

2шт.

103320

LOCK WASHER,5/16"

WASHER, LOCK, 5/16"

2шт.

24

471201R1

SPACER, rotor shaft sprocket, hill drop

1шт.

25

471203R1

FLANGE, rotor brg open, hill drop

1шт.

17407R1

BOLT,5/16" - 18 x 5/8"

5/16 x 5/8 hex-hd mach

2шт.

9635082

NUT,5/16" - 18, Gr 5

5/16-18 hex.

2шт.

103320

LOCK WASHER,5/16"

WASHER, LOCK, 5/16"

2шт.

26

471204R91

BEARING

ASSY, rotor shaft, hill drop

2шт.

27

468464R1

LUG

seed wheel, plastic, hill drop

4шт.

120621

SCREW,Sl Flat Hd, #10 - 24 x 1"

10-24 x 1 C-Z slt-f-hd mach

4шт.

28

472129R21

WHEEL

ASSY, plastic seed, hill drop

1шт.

120619

NUT

10-24 C-Z sq mach screw

8шт.

449649

SCREW, 1/4-20 x 3/4 C-Z cr-rec-pan-hd tap.

3шт.

29

471202R1

FLANGE, rotor brg closed, hill drop

1шт.

17407R1

BOLT,5/16" - 18 x 5/8"

5/16 x 5/8 hex-hd mach

2шт.

9635082

NUT,5/16" - 18, Gr 5

5/16-18 hex.

2шт.

103320

LOCK WASHER,5/16"

WASHER, LOCK, 5/16"

2шт.

30

474186R1

PLATE ASSY.

PLATE, valve lower side RH, hill drop

1шт.

31

474185R1

SIDE ASSY.

PLATE, valve lower side LH, hill drop

1шт.

32

472120R1

TUBE

hill drop, hill drop

1шт.

33

472300R2

BRACKET, hopper, hill drop

1шт.

18898R1

BOLT, 5/16-18 x 2-1/4 C-Z sq-hd mach

1шт.

80280503

CARRIAGE BOLT,Sht Sq Nk, 3/8" - 16 x 1", Gr 5, Full Thd

BOLT, 3/8-16 x 1 short-sq-nk crg

1шт.

17675R1

BOLT, 1/2-13 x 3-1/2 hex-hd mach

1шт.

129-419

WING NUT,5/16"-18

NUT, 5/16-18 C-Z wing

1шт.

102635

NUT,3/8"-16, G5

1шт.

102637

NUT,1/2"-13, G5

1шт.

103321

LOCK WASHER,3/8"

WASHER, LOCK, 3/8"

1шт.

103323

LOCK WASHER,1/2"

WASHER, LOCK, 1/2"

1шт.

134238R1

WASHER

11/32 x 1 x 16 ga C-Z

1шт.

34

86636814

LUBE NIPPLE,1/4"-28 x .52" lg

FITTING, 1/4-28 NF, 2 str lub, in hill drop hopper bracket

2шт.

34

86636814

LUBE NIPPLE,1/4"-28 x .52" lg

FITTING, 1/4-28 NF, 2 str lub, in drill hopper bracket

1шт.

35

472104R1

BUSHING

press wheel frame

2шт.

36

586329R1

SPACER,3/4" Tube x 13/16"

BUSHING, jockey bar

1шт.

15073R1

BOLT, 1/2-13 x 2 sq-nk crg, hill drop

1шт.

17523R1

BOLT, 1/2-13 x 2 hex-hd mach, drill

1шт.

102637

NUT,1/2"-13, G5

1шт.

103323

LOCK WASHER,1/2"

WASHER, LOCK, 1/2"

1шт.

Q5035

WASHER

17/32 x 1 x 16 ga

1шт.

37

473865R91

LINCH PIN

PIN ASSY, depth stop

1шт.

38

472107R91

RAIL ASSY, seed unit, hill drop

1шт.

17428R1

BOLT,Hex, 1/2"-13 x 1", G2, Full Thd

1/2-13 x 1 hex-hd mach

2шт.

17548R1

BOLT, 3/8-16 x 2-1/4 hex-hd mach

1шт.

102635

NUT,3/8"-16, G5

1шт.

103321

LOCK WASHER,3/8"

WASHER, LOCK, 3/8"

1шт.

103323

LOCK WASHER,1/2"

WASHER, LOCK, 1/2"

2шт.

Q5035

WASHER

17/32 x 1 x 16 ga

2шт.

39

472118R1

BUSHING

BEARING, hopper bracket, hill drop

2шт.

40

472124R1

SHAFT, seed wheel drive, hill drop

1шт.

13066R1

Pin, Split (Cotter), 1/8" x 1", self-opening 1/8" x 1"

2шт.

179812

GEAR

SCREW, 5/16-18 x 1/2 hex-hd cap

1шт.

103320

LOCK WASHER,5/16"

WASHER, LOCK, 5/16"

1шт.

41

472125R1

GEAR

bevel 10T, 7 pitch, hill drop

1шт.

16135DA

WASHER

13/32 x 1 x 4 ga

2шт.

42

479130R1

HUB, timing, hill drop

1шт.

18465R1

BOLT,Sq Hd, 3/8"-16 x 1 1/4", G2

5/8-16 x 1-1/4 C-Z sq-hd mach

2шт.

120377

NUT,3/8" - 16, Gr 5

2шт.

13120R1

Pin, Split (Cotter), 3/16" x 1 1/2", self-opening 3/16" x 1 1/2"

1шт.

469668R1

WASHER

13/32 x 3/4 x 16 ga C-Z

2шт.

120382

LOCK WASHER,Helical Spring, 3/8"

WASHER, LOCK, 3/8"

2шт.

43

472234R91

BRACKET ASSY, drill

1шт.

44

472239R3

PLATE, rail side right, drill

1шт.

17448R1

BOLT (SPREADER)

BOLT, 1/2-13 x 1-1/4 hex-hd mach

2шт.

102637

NUT,1/2"-13, G5

2шт.

103323

LOCK WASHER,1/2"

WASHER, LOCK, 1/2"

2шт.

45

472238R3

PLATE, rail side left, drill

1шт.

17473R1

BOLT,Hex, 1/2" - 13 x 1 1/2", Gr 2

1/2-13 x 1-1/2 hex-hd mach

2шт.

102637

NUT,1/2"-13, G5

2шт.

103323

LOCK WASHER,1/2"

WASHER, LOCK, 1/2"

2шт.

46

472241R1

ANCHOR, seed tube, drill

1шт.

47

472237R1

RAIL, drawbar, drill

2шт.

15041R1

CARRIAGE BOLT,Short Sq Nk, 1/2" - 13 x 1 1/2"

BOLT, 1/2-13 x 1-1/2 short-sq-nk crg

2шт.

102637

NUT,1/2"-13, G5

2шт.

103323

LOCK WASHER,1/2"

WASHER, LOCK, 1/2"

2шт.

48

472301R3

BRACKET, hopper, drill

1шт.

18898R1

BOLT, 5/16-18 x 2-1/4 C-Z sq-hd mach

1шт.

80280503

CARRIAGE BOLT,Sht Sq Nk, 3/8" - 16 x 1", Gr 5, Full Thd

BOLT, 3/8-16 x 1 short-sq-nk crg

1шт.

17675R1

BOLT, 1/2-13 x 3-1/2 hex-hd mach

1шт.

129-419

WING NUT,5/16"-18

NUT, 5/16-18 C-Z wing

1шт.

102635

NUT,3/8"-16, G5

1шт.

102637

NUT,1/2"-13, G5

1шт.

103321

LOCK WASHER,3/8"

WASHER, LOCK, 3/8"

1шт.

103323

LOCK WASHER,1/2"

WASHER, LOCK, 1/2"

1шт.

134238R1

WASHER

11/32 x 1 x 16 ga C-Z

1шт.

49

219-38

LUBE NIPPLE,45 Degree Elbow, 1/4" - 28 NPTF

FITTING, 1/4-28 NS 45 deg angle, in hopper bracket, drill

1шт.

50

472240R1

TUBE

drill, drill

1шт.

51

472122R1

GEAR

drive

1шт.

52

472123R2

ROD

SHAFT, drive

1шт.

13079R1

PIN, 1/8 x 1-1/8 self-opening cot.

2шт.

615132R1

WASHER

21/32 x 1-1/8 x 18 ga

1шт.

551177R1

WASHER

21/32 x 1-1/4 x 16 ga

2шт.

53

472233R1

DRAWBAR, unit

1шт.

17675R1

BOLT, 1/2-13 x 3-1/2 hex-hd mach

1шт.

102637

NUT,1/2"-13, G5

1шт.

103323

LOCK WASHER,1/2"

WASHER, LOCK, 1/2"

1шт.

54

472320R1

BRACKET, unit drawbar

1шт.

17768R1

BOLT,Hex, 1/2" - 13 x 4 1/2", Gr 2

1/2-13 x 4-1/2 hex-hd mach

1шт.

17675R1

BOLT, 1/2-13 x 3-1/2 hex-hd mach

1шт.

102637

NUT,1/2"-13, G5

2шт.

103323

LOCK WASHER,1/2"

WASHER, LOCK, 1/2"

2шт.

55

477313R1

WASHER

WASHER, gear wear

1шт.

56

473850R1

BUSHING

BEARING, insert

1шт.

57

472323R1

WASHER

gear wear

2шт.

58

472322R1

GEAR

drill shaft, 18T

1шт.

59

472321R1

GEAR

seed drive shaft, 18T

1шт.

60

471207R1

PIN

quick attachable cot.

1шт.

61

(Not used)

1шт.

Выбрано товаров: 147