Запчасти Case IH 1200 (A.50.A[08]) - ELECTRICAL - ADVANCED FARMING SYSTEMS ADAPTER HARNESS - 341852A2 A - Distribution Systems

Схема запчастей Case IH 1200 - (A.50.A[08]) - ELECTRICAL - ADVANCED FARMING SYSTEMS ADAPTER HARNESS - 341852A2 A - Distribution Systems
3
11
4
6
3
3
2
7
10
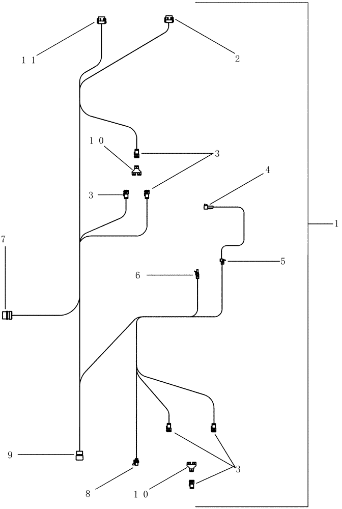
1
9
10
5
8
FIT
1:1
100%

Артикул

Название

Примечание

Количество

1

341852A2

HARNESS

AFS MX adapter

1шт.

2

87700156

CONTACT HOUSING,Female, 12 Pole

Deutsch 12 way dtm plug, grey

1шт.

3

298496A1

ELEC CONNECTOR,4 Pin

ITT Cannon CLC plug 4 Pin

6шт.

4

227729A1

CONNECTOR, ELEC

CONNECTOR 3 way receptacle

1шт.

5

227728A1

CONNECTION,ELECTRIC

3 way receptacle, unsealed

1шт.

6

87692855

CONTACT HOUSING,Male, 2 Cavities

plastic 2c plug

1шт.

7

310057A1

ELEC CONNECTOR,Male, 9 Pin

Deutsch HD10 series Receptacle

1шт.

8

182081A1

TERMINAL CONNECTOR,Female, 5 Pin

Tower 5-way Metri-pak

1шт.

9

328867A1

CONNECTOR, ELEC

CONNECTOR ITT Cannon Neptune standard plug

1шт.

10

298495A1

ELEC CONNECTOR,4 Pin

ITT Cannon Y splice

2шт.

11

223679A1

MULTIPOLE CONNECTOR,Female, 12 Pin

Deutsch 12-Way DTM Plug, Black

1шт.

Выбрано товаров: 0