Запчасти Case IH 1200 (D.13.B[06]) - DRIVE SYSTEM - 8R RIGID MOUNTED AND RIGID TRAILING (BSN CBJ0001596) D - Travel

Схема запчастей Case IH 1200 - (D.13.B[06]) - DRIVE SYSTEM - 8R RIGID MOUNTED AND RIGID TRAILING (BSN CBJ0001596) D - Travel
26
17
d.13.b[29]
d.20.b[11]
d.20.b[11]
19
7
8
3
7
27
25
5
4
16
18
9
15
7
1
6
20
14
24
21
13
23
8
22
FIT
1:1
100%

Артикул

Название

Примечание

Количество

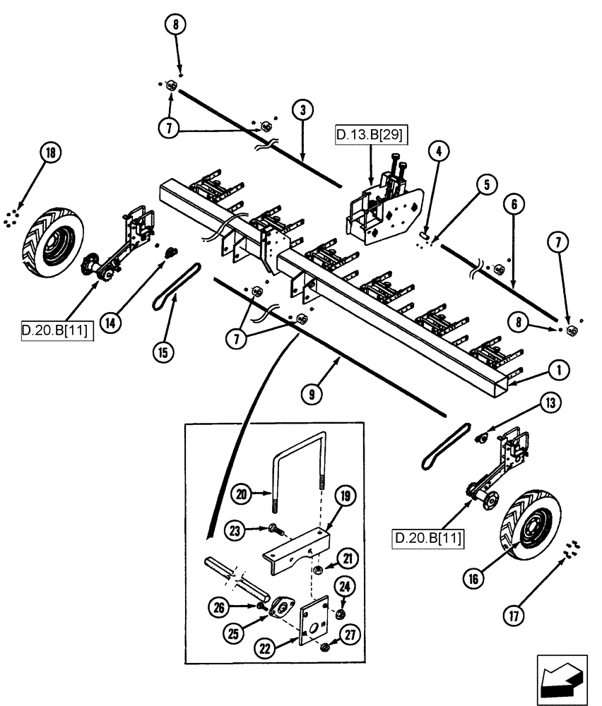
1

247230A1

FRAME

main, includes decal

1шт.

8 Row Narrow

1шт.

1

231066A1

FRAME

main, includes decal

1шт.

8 Row Wide

1шт.

3

1254282C1

BAR

drive shaft hex, 22 mm (7/8") x 3000 mm (118 1/8") long

1шт.

8 Row Narrow

1шт.

3

134152C1

BAR

primary drive hex, 7/8" x 170 9/16"

1шт.

8 Row Wide

1шт.

4

1254283C1

COUPLING

7/8" hex shaft

1шт.

5

86624120

SET SCREW,3/8" - 16 x 3/8"

4шт.

6

178497A1

SHAFT

7/8" hex x 2450 mm long

1шт.

8 Row Narrow

1шт.

6

1254282C1

BAR

drive shaft hex, 22 mm (7/8") x 3000 mm (118 1/8") long

1шт.

8 Row Wide

1шт.

7

87461085

SPROCKET

collar locking

6шт.

8

86624123

SET SCREW,Hex Skt, 1/2" - 13 x 1/2"

12шт.

9

128984A1

SHAFT

drive, hex 22 mm (7/8") x 4597 mm (181") long

1шт.

8 Row Narrow

1шт.

9

278931A1

SHAFT

drive, hex, 22 mm (7/8") x 6014 mm (236 3/4") long

1шт.

8 Row Wide

1шт.

13

1277926C92

RATCHET

23 tooth RH

1шт.

14

1277925C92

RATCHET

23 tooth LH

1шт.

15

1277739C91

CHAIN (AG)

primary wheel drive, no. 2050, use 45 links from 569089R91 bulk chain and (1) 1277928C91 connecting link

2шт.

15

569089R91

CHAIN (AG),10' L, 1.0" Pitch

#2050 - 10' d/p roller

1шт.

15

1277928C91

LINK

connecting #2050

1шт.

16

349203A1

WHEEL

15 X 5 6H with valve guard

2шт.

17

198056

WHEEL BOLT,1/2" - 20 x 1.031"

6шт.

18

F23214

WHEEL NUT

hub wheel - h517 & h617

6шт.

19

87461088

SUPPORT

angle bearing

2шт.

20

1250813C1

U-BOLT

us 5/8"-11 x 7" x 8 1/4", G5, 2" thread

2шт.

21

280374

NUT,Hex, 5/8" - 11, Gr 5

4шт.

22

87461090

PLATE

bearing support

2шт.

23

87909

BOLT,Hex, 1/2" - 13 x 1", Gr 5

4шт.

24

86512371

SERRATED NUT,Flg, USR, 1/2"-13

4шт.

25

134158C92

BALL BEARING,22.5mm ID

7/8 hex flange

2шт.

26

280497

CARRIAGE BOLT,Short Sq Nk, 5/16" - 18 x 3/4", Gr 5, Full Thd

4шт.

27

145458

SERRATED NUT,5/16"-18 GR 5 ZND

4шт.

Выбрано товаров: 0