Запчасти Case IH 1200 (D.20.B[14]) - DRIVE WHEELS - DUAL ARM, RH 6R WITH SPEED SENSOR (BSN CBJ036114) D - Travel

Схема запчастей Case IH 1200 - (D.20.B[14]) - DRIVE WHEELS - DUAL ARM, RH 6R WITH SPEED SENSOR (BSN CBJ036114) D - Travel
22
25
11
39
38
44
3
19
20
10
32
29
35
43
9
37
28
12
16
24
4
33
8
31
42
7
26
14
30
15
32
6
23
40
17
1
21
18
36
13
2
41
34
26
5
27
FIT
1:1
100%

Артикул

Название

Примечание

Количество

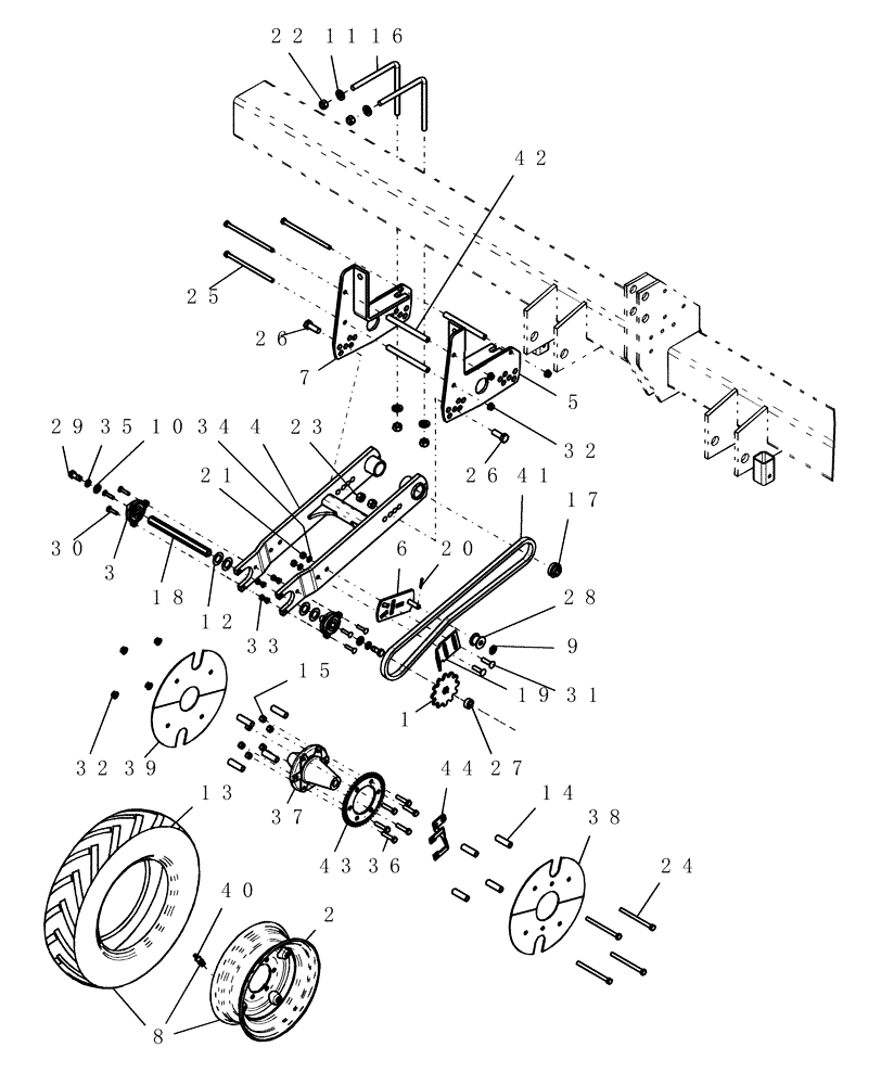
1

1277737C1

SPROCKET

12 tooth

1шт.

2

349203A1

WHEEL

15 X 5 6H with valve guard

1шт.

3

233254A1

BEARING ASSY,25.55mm ID

with 3 bolt flange

2шт.

4

87565531

FRAME

rail, dual arm wheel

1шт.

5

87565526

BRACKET

wheel mount LH

1шт.

6

96140C3

PLATE

drive wheel idler

1шт.

7

87565528

BRACKET

wheel mount RH

1шт.

8

332455A2

WHEEL ASSY

tire 760-15 Chevron LH

1шт.

9

87365

WASHER,0.66" ID x 1.31" OD x 0.1" Thk

1шт.

10

86624189

WASHER,0.66" ID x 1.31" OD x 0.15" Thk

2шт.

11

86624163

WASHER,0.81" ID x 1.5" OD x 0.22" Thk

4шт.

12

495-81191

WASHER,1 5/32" x 2" x .060"

4шт.

13

403298A1

TYRE/TIRE

7.60-15 10 ply

1шт.

14

906060R1

SPACER,1/2" Pipe x 2.775"

8шт.

15

F23214

WHEEL NUT

hub wheel - h517 & h617

6шт.

16

141025C3

BOLT

L 3/4"-10

2шт.

17

134181C92

BALL BEARING,2.125" OD x 0.046"

ball, 7/8" hex bore

1шт.

16

192263A1

SPECIAL BOLT,V, 3/4" - 10, 7" x 7"

V 3/4"-10 x 7"

2шт.

18

293986A1

BAR

axle wheel

1шт.

19

256695A1

SCRAPER

chain

1шт.

20

87397

COTTER PIN,3/16" OD x 1" L

1шт.

21

280431

NUT,1/2"-13, G5

2шт.

22

280954

NUT,3/4"-10, G5

4шт.

23

86518194

NUT,3/4"-10, G8

2шт.

24

9627857

BOLT,Hex, 1/2" - 13 x 6 1/2", Gr 5

4шт.

25

413-8160

BOLT,Hex, 1/2" - 13 x 10", Gr 5

3шт.

26

426-1232

BOLT,Hex, 3/4" - 10 x 2", Gr 8

2шт.

27

90376C2

SPACER

sprocket

1шт.

28

1277726C1

ROLLER,48mm OD x 34mm L

idler

1шт.

29

86622997

BOLT,Hex, 5/8" - 11 x 1 1/2", Gr 5, Full Thd

2шт.

30

86508775

CARRIAGE BOLT,Sq Nk, 3/8" - 16 x 1 3/4", Gr 5

6шт.

31

280185

CARRIAGE BOLT,Sq Nk, 1/2" - 13 x 2", Gr 5

2шт.

32

86512371

SERRATED NUT,Flg, USR, 1/2"-13

7шт.

33

247780

SERRATED NUT,Flg, USR, 3/8"-16

6шт.

34

80679

LOCK WASHER,1/20.507 CST ZND

2шт.

35

12034871

WASHER

5/8"

2шт.

36

86622972

BOLT,Spcl, Hex, 1/2" - 20 x 2 1/4", Gr 8, Full Thd

6шт.

37

293985A2

HUB

RGH (8R70CM)

1шт.

38

356929A1

COVER

wheel, 6 row trailing

2шт.

39

1264480C2

COVER

wheel

2шт.

40

810769C1

VALVE

tire stem VS/936

1шт.

41

1277740C91

CHAIN (AG)

A2050 main drive (Trail), use 55 links from 569089R91 bulk chain plus 1-1277928C91 connecting link

1шт.

41

569089R91

CHAIN (AG),10' L, 1.0" Pitch

#2050 - 10' d/p roller

1шт.

41

1277928C91

LINK

connecting #2050

1шт.

42

87548228

SPACER

wheel mount

3шт.

43

373803A1

SPROCKET

wheel speed sensor

1шт.

44

367004A3

BRACKET

wheel sensor mount

1шт.

Выбрано товаров: 0