Запчасти Case IH 1200 (D.20.B[17]) - DRIVE WHEELS - DUAL ARM, 6R 8R RIGID TRAILING (BSN CBJ036114) D - Travel

Схема запчастей Case IH 1200 - (D.20.B[17]) - DRIVE WHEELS - DUAL ARM, 6R 8R RIGID TRAILING (BSN CBJ036114) D - Travel
22
31
12
17
25
18
14
23
6
3
24
17
21
3
13
5
4
10
30
28
26
20
5
24
15
27
1
11
9
8
29
19
21
16
8
1
4
9
10
2
FIT
1:1
100%

Артикул

Название

Примечание

Количество

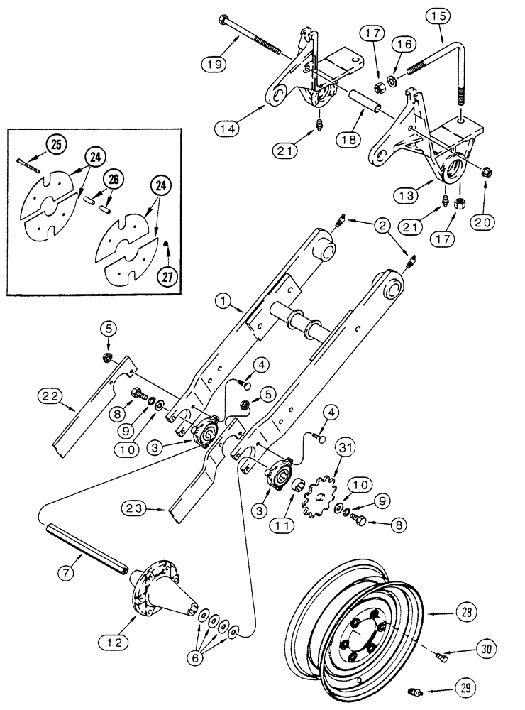
1

191012A2

FRAME

assembly, drive wheel

1шт.

2

87569

LUBE NIPPLE,45 Degree, 1/4" NPT x 4/5" L, Drive

2шт.

3

233254A1

BEARING ASSY,25.55mm ID

with 3 bolt flange

2шт.

4

280661

CARRIAGE BOLT,Sq Nk, 3/8" - 16 x 2", Gr 5

6шт.

5

247780

SERRATED NUT,Flg, USR, 3/8"-16

6шт.

6

86624175

WASHER,1.16" ID x 2" OD x 0.06" Thk

4шт.

7

90341C3

AXLE

333 mm (13 1/8") long

1шт.

8

86622997

BOLT,Hex, 5/8" - 11 x 1 1/2", Gr 5, Full Thd

2шт.

9

12034871

WASHER

5/8"

2шт.

10

86624189

WASHER,0.66" ID x 1.31" OD x 0.15" Thk

2шт.

11

90376C2

SPACER

sprocket

1шт.

12

90343C2

HUB

wheel

1шт.

13

95833C3

BRACKET

wheel cylinder RH

1шт.

14

95832C3

BRACKET

wheel cylinder LH

1шт.

15

141025C3

BOLT

L 3/4"-10

2шт.

16

86624163

WASHER,0.81" ID x 1.5" OD x 0.22" Thk

2шт.

15

192263A1

SPECIAL BOLT,V, 3/4" - 10, 7" x 7"

V 3/4"-10 x 7"

2шт.

17

280954

NUT,3/4"-10, G5

4шт.

18

95911C2

TUBE

wheel bracket

1шт.

19

280293

BOLT,Hex, 5/8" - 11 x 7", Gr 5

1шт.

20

86977731

FLANGE NUT,Hex Serr, 5/8" - 11, Gr 5

Flg, USR, 5/8"-11

1шт.

21

86624018

LUBE NIPPLE,1/4"-28 x .54" lg

2шт.

22

236136A1

GUARD

stone

1шт.

23

258269A1

GUARD

stone, offset

1шт.

24

1264480C2

COVER

wheel

4шт.

25

86000020

BOLT,Hex, 1/2" - 13 x 6", Gr 5

4шт.

26

417151A1

SPACER,1/2" Pipe x 2.441"

8шт.

27

86512371

SERRATED NUT,Flg, USR, 1/2"-13

4шт.

28

349203A1

WHEEL

15 X 5 6H with valve guard

1шт.

29

810769C1

VALVE

tire stem VS/936

1шт.

30

277538A1

BOLT,1/2" - 20 x 1.42"

hex conical, 1/2"-20 x 1 5/32"

6шт.

31

1277737C1

SPROCKET

12 tooth

1шт.

Выбрано товаров: 0