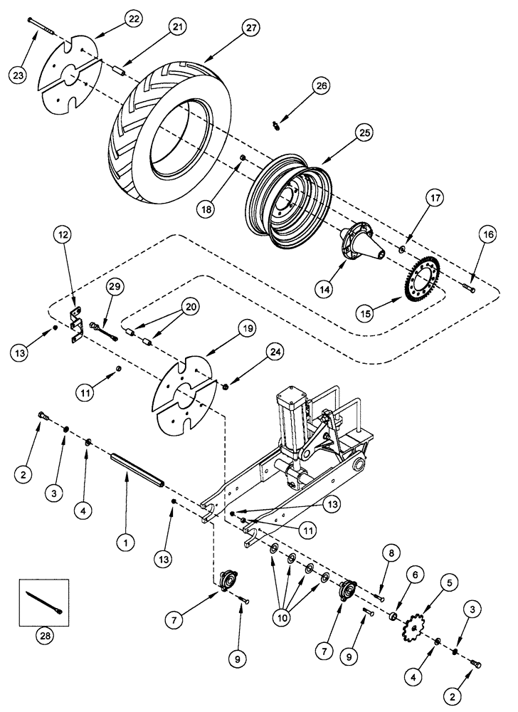
Запчасти Case IH 1200 (D.20.B[18]) - DRIVE WHEELS - RH 6R 8R TRAILING WITH SPEED SENSOR (BSN CBJ036114) D - Travel

Схема запчастей Case IH 1200 - (D.20.B[18]) - DRIVE WHEELS - RH 6R 8R TRAILING WITH SPEED SENSOR (BSN CBJ036114) D - Travel
3
12
3
8
19
11
4
7
16
14
23
6
22
2
24
15
7
18
25
17
11
5
21
13
26
4
1
28
13
27
13
9
29
2
20
9
10
FIT
1:1
100%

Артикул

Название

Примечание

Количество

1

90341C3

AXLE

333 mm (13 1/8") long

1шт.

2

86622997

BOLT,Hex, 5/8" - 11 x 1 1/2", Gr 5, Full Thd

2шт.

3

12034871

WASHER

5/8"

2шт.

4

86624189

WASHER,0.66" ID x 1.31" OD x 0.15" Thk

2шт.

5

1277737C1

SPROCKET

12 tooth

1шт.

6

90376C2

SPACER

sprocket

1шт.

7

233254A1

BEARING ASSY,25.55mm ID

with 3 bolt flange

2шт.

8

280661

CARRIAGE BOLT,Sq Nk, 3/8" - 16 x 2", Gr 5

4шт.

9

280514

CARRIAGE BOLT,Sq Nk, 3/8" - 16 x 2 1/4", Gr 5

2шт.

10

86624175

WASHER,1.16" ID x 2" OD x 0.06" Thk

4шт.

11

438332A1

SPACER,1/2" X-Strng Pipe x 3/8"

2шт.

12

309065A1

BRACKET

speed sensor

1шт.

13

247780

SERRATED NUT,Flg, USR, 3/8"-16

6шт.

14

90343C2

HUB

wheel

1шт.

15

304815A2

SPROCKET

50 tooth

1шт.

16

86622972

BOLT,Spcl, Hex, 1/2" - 20 x 2 1/4", Gr 8, Full Thd

6шт.

17

80700

WASHER,0.56" ID x 1.38" OD x 0.11" Thk

6шт.

18

F23214

WHEEL NUT

hub wheel - h517 & h617

6шт.

19

356929A1

COVER

wheel, 6 row trailing

2шт.

20

364410R1

SPACER,1/2" Pipe x 1 3/8"

8шт.

21

417151A1

SPACER,1/2" Pipe x 2.441"

4шт.

22

1264480C2

COVER

wheel

2шт.

23

9627857

BOLT,Hex, 1/2" - 13 x 6 1/2", Gr 5

4шт.

24

86512371

SERRATED NUT,Flg, USR, 1/2"-13

4шт.

25

349203A1

WHEEL

15 X 5 6H with valve guard

1шт.

26

810769C1

VALVE

tire stem VS/936

1шт.

27

PL

PROCURE LOCALLY

TIRE Chevron Tread, 7.60 x 15, 10 ply

1шт.

28

87557087

CABLE TIE

CABLE STRAP 11" with stainless locking clip

1шт.

29

324049A1

SENSOR

speed hall

1шт.

30

86977690

LOCK WASHER,Ext Tooth, 5/8"

2шт.

Not Shown - for use with sensor 324049A1

1шт.

Выбрано товаров: 0