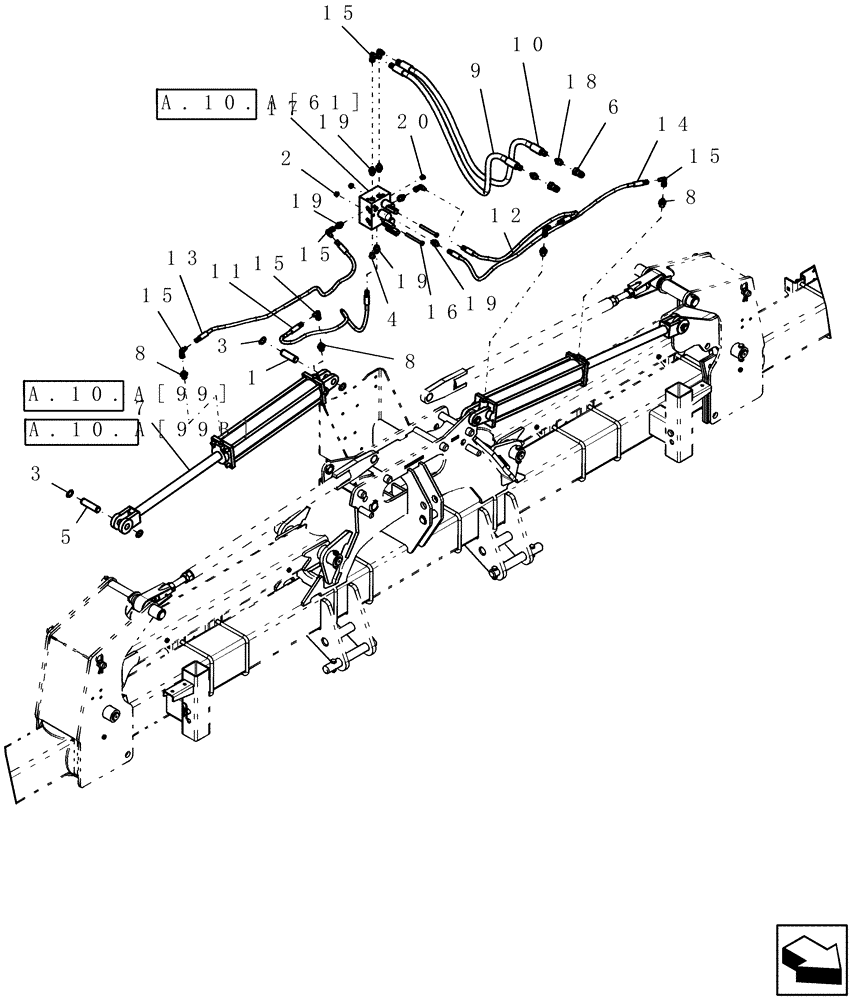
Запчасти Case IH 1200 (A.10.A[36]) - HYDRAULIC SYSTEM - FRAME FOLD, 8 AND 12 ROW NARROW MOUNTED STACKERS ASN CBJ036001 A - Distribution Systems

Схема запчастей Case IH 1200 - (A.10.A[36]) - HYDRAULIC SYSTEM - FRAME FOLD, 8 AND 12 ROW NARROW MOUNTED STACKERS ASN CBJ036001 A - Distribution Systems
20
6
13
15
12
7
15
16
15
15
3
19
5
14
19
2
15
19
17
8
19
4
18
8
1
8
11
3
10
9
FIT
1:1
100%

Артикул

Название

Примечание

Количество

1

3326

PIN

cylinder 1" x 2 7/8" ul hardened with snap rings

2шт.

2

86521606

FLANGE NUT,Hex, 3/8" - 16, Gr 5

2шт.

3

87019495

SNAP RING,#98, Ext

8шт.

4

71100209

PLUG,Hex Soc, 3/4"-16 ORB

1шт.

5

8972

PIN

cylinder, 1" x 3 3/8" ul with snap ring groove (#437324)mo

2шт.

6

87506450

QUICK MALE COUPLING

1/2"m-tip x 1/2" fb poppet style

2шт.

7

87504321

HYDRAULIC CYLINDER,Double Acting, 38.1mm Rod, 508mm Stroke

3 1/2" x 20" 3000 psi

2шт.

Shown

1шт.

8 Row

1шт.

7

9652

HYDRAULIC CYLINDER,Double Acting, 44.5mm Rod, 610mm Stroke

4" x 24" Monarch 3000 psi no pins 1 3/4" rod 1/2" fb ports inline

2шт.

12 Row Narrow

1шт.

Not Shown

1шт.

7

9652R

REMAN-HYD CYLINDER

1200 CASE IH ADVANCED SEED METER PLANTER, 8 ROW NARROW MOUNTED STACKERS ASN CBJ036001, 4" x 24" Monarch 3000 psi no pins 1 3/4" rod 1/2" fb ports inline (11/01-7/08)

2шт.

7

9652C

CORE-HYD CYLINDER

Return Number

2шт.

8

87592554

ORIFICE

1/32" x 1/2" mb x 3/8" mj

4шт.

9

1285380C2

HYDRAULIC HOSE

3/8" x 50" (1270 mm) fl

1шт.

10

1285380C2

HYDRAULIC HOSE

3/8" x 50" (1270 mm) fl

1шт.

11

1254527C2

HYDRAULIC HOSE

1/4" x 37" fl

1шт.

8 Row

1шт.

11

1254576C2

HOSE ASSY.

1/4" x 43" fl

1шт.

12 Row Narrow

1шт.

12

1254527C2

HYDRAULIC HOSE

1/4" x 37" fl

1шт.

8 Row

1шт.

12

1254576C2

HOSE ASSY.

1/4" x 43" fl

1шт.

12 Row Narrow

1шт.

13

1284278C1

HYDRAULIC HOSE

1/4" x 41" fl

1шт.

8 Row

1шт.

13

812382C1

HYDRAULIC HOSE

1/4" x 50" fl

1шт.

12 Row Narrow

1шт.

14

1284278C1

HYDRAULIC HOSE

1/4" x 41" fl

1шт.

8 Row

1шт.

14

812382C1

HYDRAULIC HOSE

1/4" x 50" fl

1шт.

12 Row Narrow

1шт.

15

86629586

90 ELBOW,9/16" - 18 JIC x 9/16" - 18 Fem Sw

8шт.

16

84192885

BOLT

Hex, 3/8"-16 x 3 3/4", G5

2шт.

17

302403A3

VALVE

assembly, stacker bar planter

1шт.

18

128817

HYD CONNECTOR,3/4" - 16 ORB x 9/16" - 18 JIC

2шт.

19

128817

HYD CONNECTOR,3/4" - 16 ORB x 9/16" - 18 JIC

6шт.

20

9625178

PLUG,9/16" - 18 ORB

1шт.

Выбрано товаров: 39