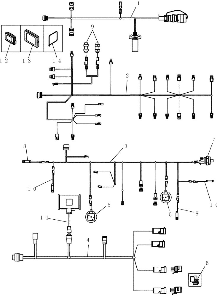
Запчасти Case IH 1200PT (A.50.A[09]) - ELECTRICAL HARNESSES (ASN CBJ022252) A - Distribution Systems

Схема запчастей Case IH 1200PT - (A.50.A[09]) - ELECTRICAL HARNESSES (ASN CBJ022252) A - Distribution Systems
9
8
6
12
1
4
10
5
5
7
14
3
10
8
13
2
11
FIT
1:1
100%

Артикул

Название

Примечание

Количество

1

398136A1

HARNESS

30' power, Serial Range: -CBJ022251

1шт.

12 row planter

1шт.

12 row and 12/23 row planters

1шт.

1

87454180

HARNESS

30' power, Start Serial: CBJ022252

1шт.

1

398137A1

HARNESS

40' power, Serial Range: -CBJ022251

1шт.

16 row planter

1шт.

16 row and 16/31 row planters

1шт.

1

87454181

HARNESS

40' power, Start Serial: CBJ022252

1шт.

2

398133A2

HARNESS

frame, Serial Range: -CBJ022251

1шт.

12 row, 16 row, 12/23 row and 16/31 row planters

1шт.

2

87447338

HARNESS

frame, Start Serial: CBJ022252

1шт.

3

398134A1

HARNESS

tool bar wide

1шт.

12 row and 16 row planters

1шт.

4

398139A2

HARNESS

liquid fertilizer

1шт.

If Equipped

1шт.

5

296164A2

SENSOR

application rate

2шт.

6

323597A1

MULTIPOLE CONNECTOR

implement jumper board

1шт.

7

404625A1

SENSOR

vacuum, Years: -01-MAY-07

1шт.

7

87539925

SENSOR

vacuum assembly, Start Year: 01-JUN-07

1шт.

8

404197A1

SENSOR

bin level

2шт.

16 row planter

1шт.

9

324049A1

SENSOR

speed hall

2шт.

10

404197A1

SENSOR

bin level

2шт.

16 row planter

1шт.

11

406037A2

METER

flow liquid fertilizer

1шт.

12 row planter

1шт.

12

436515A1

CONTROL MONITOR

package, service kit CDU

1шт.

13

436516A1

SERVICE KIT

universal display plus

1шт.

14

87557087

CABLE TIE

CABLE STRAP 11" with stainless locking clip

20шт.

15

86977690

LOCK WASHER,Ext Tooth, 5/8"

2шт.

Not Shown - for use with sensor 324049A1

1шт.

Выбрано товаров: 31