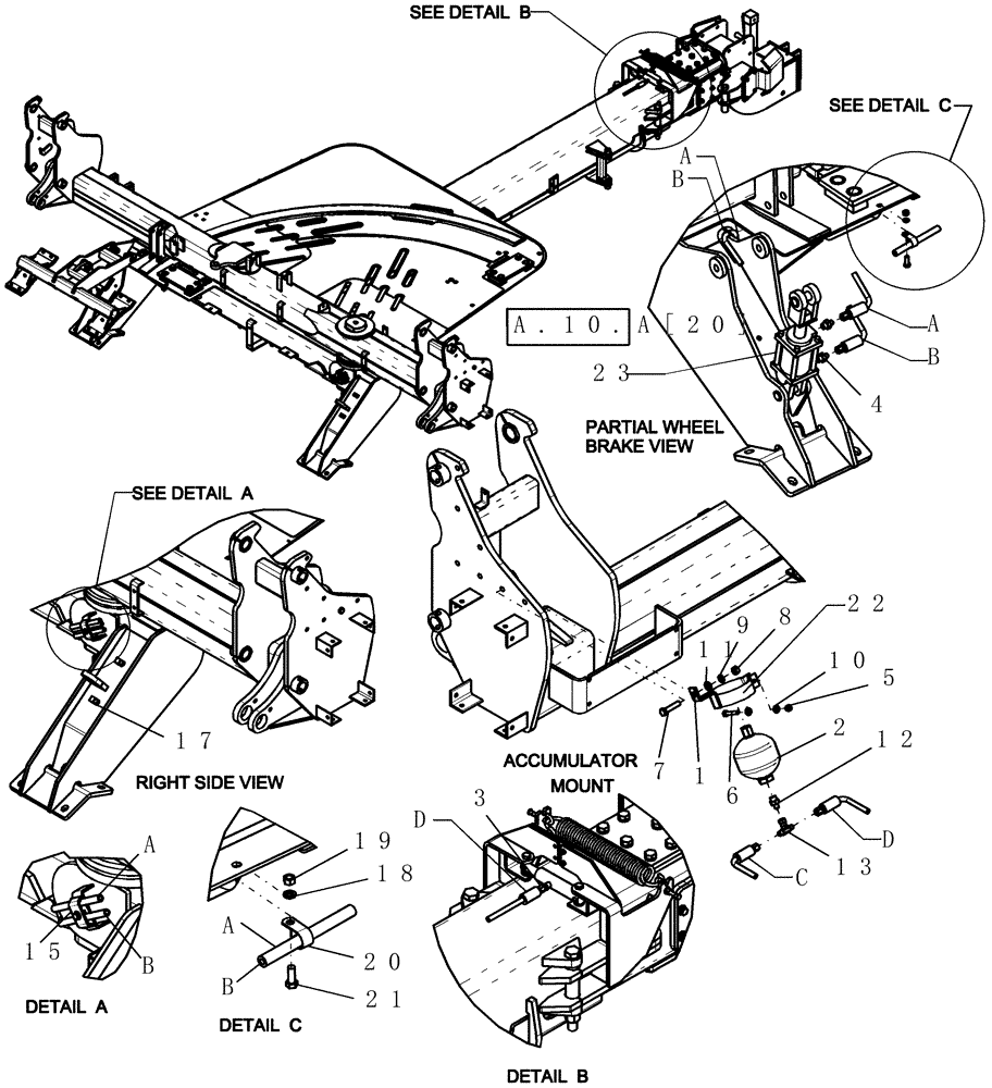
Запчасти Case IH 1200PT (F.10.G[11]) - LAYOUT TWO STAGE HITCH BRAKE AND LATCH HYDRAULICS (ASN CBJ025654) F - Frame Positioning

Схема запчастей Case IH 1200PT - (F.10.G[11]) - LAYOUT TWO STAGE HITCH BRAKE AND LATCH HYDRAULICS (ASN CBJ025654) F - Frame Positioning
19
12
d
5
a
6
a
a
13
17
18
22
b
b
b
21
7
b
3
9
4
8
15
d
23
1
10
20
11
a
c
2
FIT
1:1
100%

Артикул

Название

Примечание

Количество

1

87391275

BRACKET

accumulator mount

1шт.

2

87505261

ACCUMULATOR

hydraulic .70L 300 psi

1шт.

3

76350

HYD CONNECTOR,9/16" - 18 ORB x 9/16" - 18 JIC

1шт.

4

128817

HYD CONNECTOR,3/4" - 16 ORB x 9/16" - 18 JIC

2шт.

5

88902

NUT,3/8"-16

1шт.

6

88436

BOLT,Hex, 3/8" - 16 x 2", Gr 5

1шт.

7

87975

BOLT,Hex, 1/2" - 13 x 2 1/4", Gr 5

1шт.

8

280431

NUT,1/2"-13, G5

1шт.

9

80679

LOCK WASHER,1/20.507 CST ZND

1шт.

10

87016

WASHER,0.41" ID x 0.81" OD x 0.07" Thk

2шт.

11

87364

WASHER,0.53" ID x 1.06" OD x 0.1" Thk

1шт.

12

128817

HYD CONNECTOR,3/4" - 16 ORB x 9/16" - 18 JIC

1шт.

13

86513014

TEE,9/16" - 18 JIC x 9/16" - 18 JIC x 9/16" - 18 JIC

1шт.

14

88206

BOLT,Hex, 3/8" - 16 x 1", Gr 5

2шт.

15

427781A1

HOSE CLAMP

2 hose

1шт.

16

86512175

BOLT,Hex Serr Flg, 3/8" - 16 x 1 1/2"

1шт.

17

86010402

CLAMP,12.7mm, Coat, 10.3mm Bolt Hole, P Type

2шт.

18

80680

LOCK WASHER,3/8 0.381 CST ZND

1шт.

19

9628503

NUT,3/8"-16, G5

1шт.

20

9827902

CLAMP,25.4mm, Coat, 10.3mm Bolt Hole, P Type

1шт.

21

88206

BOLT,Hex, 3/8" - 16 x 1", Gr 5

1шт.

22

87054976

WARNING DECAL

Accumulator

1шт.

23

87461047

HYDRAULIC CYLINDER,Double Acting, 31.75mm Rod, 50.8mm Stroke

3" x 2"

1шт.

a

97646C1

HYDRAULIC HOSE,12.70 mm ID x 381.00 mm, SAE 100 R1

1/4" x 150" fl

1шт.

12 row, 16 row, 12/23 row, 16/31 row and 24 row planters

1шт.

Brake cylinder - rod end

1шт.

b

97646C1

HYDRAULIC HOSE,12.70 mm ID x 381.00 mm, SAE 100 R1

1/4" x 150" fl

1шт.

12 row, 16 row, 12/23 row, 16/31 row and 24 row planters

1шт.

Brake cylinder - base end

1шт.

c

1264580C1

HYDRAULIC HOSE,6.40 mm ID x 685.00 mm

1/4" x 25" (635 mm) fl

1шт.

12 row, 16 row, 12/23 row, 16/31 row and 24 row planters

1шт.

Latch cylinder - to accumulator

1шт.

d

1264171C1

HYDRAULIC HOSE,6.40 mm ID x 5590.00 mm, SAE 100R1

1/4" x 215" fl

1шт.

12 row and 12/23 row planters

1шт.

Latch cylinder - from accumulator

1шт.

d

87501984

HYDRAULIC HOSE

1/4" x 240" fl, 3/8" fjic x 3/8" fjic

1шт.

16 row, 16/31 row and 24 row planters

1шт.

Latch cylinder - from accumulator

1шт.

Выбрано товаров: 38