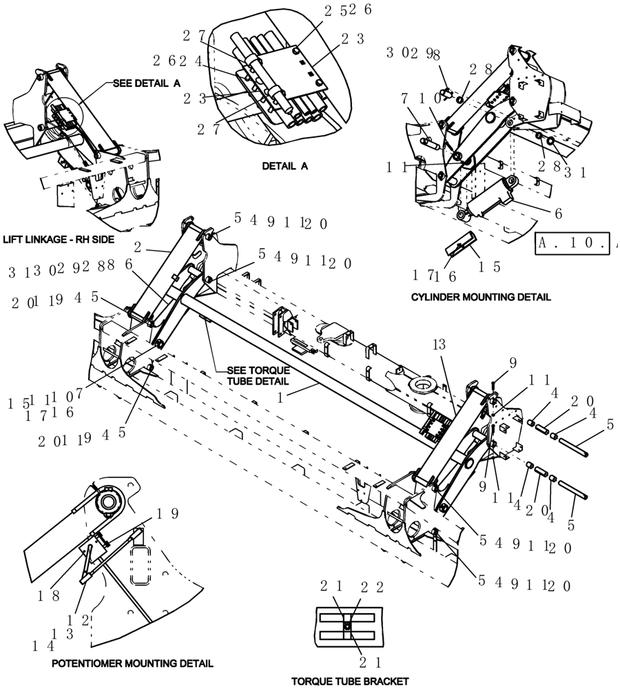
Запчасти Case IH 1200PT (G.10.A[03]) - FRAME - SUBBAR LIFT LINKAGE 24 ROW G - Tool Positioning

Схема запчастей Case IH 1200PT - (G.10.A[03]) - FRAME - SUBBAR LIFT LINKAGE 24 ROW G - Tool Positioning
28
20
4
9
28
5
4
6
12
14
4
31
10
2
20
20
15
11
19
27
11
29
15
3
9
21
31
1
9
1
9
11
16
24
5
20
20
11
11
4
21
11
5
4
30
27
23
9
5
22
30
4
6
5
20
8
11
9
17
29
26
28
25
16
11
9
11
5
5
4
7
4
7
11
20
8
23
4
9
4
17
26
10
5
20
18
13
FIT
1:1
100%

Артикул

Название

Примечание

Количество

1

87446557

LINKAGE

assembly, sub bar with decals

1шт.

2

87413931

UPPER LINK

heavy lift

1шт.

3

87413933

UPPER LINK

heavy right

1шт.

4

87414354

BUSHING

Garmax 1 3/4" x 1 1/2" x 2" lg

16шт.

5

87449533

LARGE PIN

PIN, LARGE lift linkage hard

8шт.

6

87414319

HYDRAULIC CYLINDER

5 1/2" x 12" 3000 psi, Serial Range: -CBJ025653

2шт.

6

84227100R

REMAN-HYD CYLINDER

1200PT CASE IH PIVOT TRANSPORT ASM PLANTER, 3000 psi, Serial Range: -CBJ025653 (11/01-7/08), Reman for New PN 87414319

2шт.

6

84227100C

CORE-HYD CYLINDER

Return Number

2шт.

6

87463263

HYDRAULIC CYLINDER

5 1/2" x 12", Start Serial: CBJ025654

2шт.

6

84227100R

REMAN-HYD CYLINDER

1200PT CASE IH PIVOT TRANSPORT ASM PLANTER, Start Serial: CBJ025654 (11/01-7/08), Reman for New PN 87463263

2шт.

6

84227100C

CORE-HYD CYLINDER

Return Number

2шт.

7

87434205

PIN

heavy lift head

2шт.

8

87449858

PIN

heavy lift base

2шт.

9

87974

BOLT,Hex, 1/2" - 13 x 2 3/4", Gr 5

8шт.

10

9637417

BOLT,Hex, 1/2" - 13 x 3 1/2", Gr 5

2шт.

11

86632537

THIN NUT,1/2"-13, GB, Thin

10шт.

12

127474A1

STUD

pot. control 1/4"-28 x 6"

1шт.

12

A10329

BALL JOINT,1/4" - 28 x 1"

socket .346"

1шт.

13

80682

LOCK WASHER,1/4"

2шт.

14

86509309

NUT,1/4"-28, G5

2шт.

15

427719A1

CHANNEL

cylinder lock

2шт.

16

439-1864

HEADED PIN,12.7mm OD x 101.6mm L

2шт.

17

86624096

COTTER PIN,Int, 3/16 x .080"

2шт.

18

404202A1

SENSOR

rotary position

1шт.

19

88542

BOLT,Hex, 1/4"-20 x 1/2", Gr 5

2шт.

20

87401421

SPACER

1 3/4" od

8шт.

21

86624005

CLAMP,19mm, Coat, 10.3mm Bolt Hole, P Type

2шт.

22

231-1446

NUT,3/8" - 16, Gr 5

1шт.

23

87422462

PLATE

hose holder

2шт.

24

280514

CARRIAGE BOLT,Sq Nk, 3/8" - 16 x 2 1/4", Gr 5

4шт.

25

88959

BOLT,Hex, 3/8" - 16 x 3 1/2", Gr 5

4шт.

26

88902

NUT,3/8"-16

8шт.

27

515-23317

CLAMP,31.75mm ID, 10.3mm Bolt Hole, P Type

2шт.

28

87449859

BUSHING

tension 2 1/4" x 2" x 1" lg

4шт.

29

408033A1

PIN

J lock 1/2" x 3 3/8"

2шт.

30

432-2456

COTTER PIN,3/8" x 3 1/2"

2шт.

31

86625259

WASHER,2.06" ID x 3" OD x 0.11" Thk

2шт.

Выбрано товаров: 37