Запчасти Case IH 1200PT (L.10.F[03]) - HYDRAULIC DRIVE L - Field Processing

Схема запчастей Case IH 1200PT - (L.10.F[03]) - HYDRAULIC DRIVE L - Field Processing
21
17
27
32
17
15
30
28
6
5
4
7
12
14
18
22
11
16
3
11
24
20
9
31
13
26
8
23
21
19
25
29
1
24
11
10
2
FIT
1:1
100%

Артикул

Название

Примечание

Количество

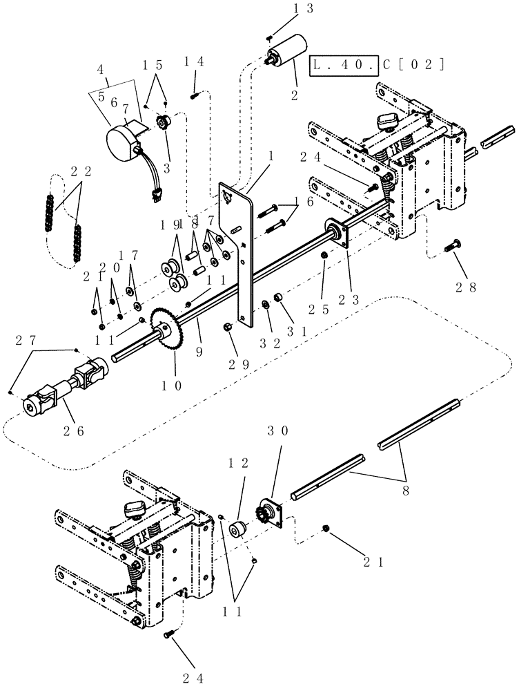
1

436716A1

BRACKET

motor

2шт.

2

293288A1

MOTOR

31.6 cm3 (1.93 in3) displacement seed drive

2шт.

293288A1R

REMAN-HYD MOTOR

1200PT Pivot Transport ASM Planter

2шт.

293288A1C

CORE-MOTOR HYDRAULIC

Return Number

1шт.

3

232893A1

SPROCKET

40 x 10

2шт.

4

296164A2

SENSOR

application rate

2шт.

5

294473A1

BRACKET

anit-rotational

2шт.

6

86632692

SELF-TAP SCREW,Phillips Drive, Pan HD, #8 - 18 x 1/2"

6шт.

7

87812

LOCK WASHER,#8

6шт.

8

84318444

DRIVE SHAFT

hex 7/8" x 1956 mm

2шт.

12 row planter

1шт.

8

84333508

CLUTCH INPUT SHAFT

7/8" hex x 2550 mm long

2шт.

16 row planter

1шт.

9

96047C2

SHAFT

hex 7/8" x 1939 mm

2шт.

12 row planter

1шт.

9

240891A1

SHAFT

hex 7/8" x 108.3"

2шт.

16 row planter

1шт.

10

353037A1

SPROCKET

34 tooth

2шт.

11

86624123

SET SCREW,Hex Skt, 1/2" - 13 x 1/2"

, Serial Range: -CBJ0018673

20шт.

11

84-1256

SET SCREW,Hex Soc, 1/4"-28 x 3/8"

, Start Serial: CBJ0018674

20шт.

12

87461085

SPROCKET

collar locking, Serial Range: -CBJ0018673

8шт.

12

22224

COLLAR

lock, 7/8" id, Start Serial: CBJ0018674

8шт.

13

86632575

KEY

3/16" Sq x 11/16" Par

2шт.

14

86632598

HEX SOC SCREW,1/4" - 28 x 3/4"

6шт.

15

86632577

SET SCREW,Hex Skt, 1/4" - 20 x 1/4"

4шт.

16

280628

CARRIAGE BOLT,Sq Nk, 3/8" - 16 x 2 3/4", Gr 5

4шт.

17

86624186

WASHER,0.41" ID x 1.12" OD x 0.13" Thk

12шт.

18

381930A1

BUSHING,10.34mm ID x 15.88mm OD x 36.5mm L

chain idler

4шт.

19

1277726C1

ROLLER,48mm OD x 34mm L

idler

4шт.

20

80680

LOCK WASHER,3/8 0.381 CST ZND

4шт.

21

9628503

NUT,3/8"-16, G5

4шт.

22

436984A1

CHAIN (AG)

roller, 40-1, 84 links with 1 connector link

2шт.

Use 83 links from 1790D bulk chain, plus (1) 25195 connecting link

1шт.

22

1790D

CHAIN (AG)

#40 bulk, 10' roll

1шт.

22

25195

LINK,12.7mm Pitch

roller conn 40-1

1шт.

23

102724A2

BALL BEARING,22.6mm ID

7/8" hex bore with hanger

2шт.

24

88206

BOLT,Hex, 3/8" - 16 x 1", Gr 5

4шт.

25

247780

SERRATED NUT,Flg, USR, 3/8"-16

4шт.

26

409699A1

DRIVE SHAFT

telescoping single, Serial Range: -CBJ022240

2шт.

26

87444140

DRIVE SHAFT

telescoping, Start Serial: CBJ022241

2шт.

27

87023136

SET SCREW,Hex Skt, 3/8" - 16 x 1/2"

4шт.

28

280624

CARRIAGE BOLT,Sht Sq Nk, 1/2" - 13 x 2", Gr 5

4шт.

29

86992215

LOCK NUT,1/2"-13, GC

4шт.

30

413712A1

BEARING ASSY,1.90625" OD x 1.875"

12 tooth with bearing

1шт.

31

137512C3

BUSHING,13.5mm ID x 22.23mm OD x 13.5mm L

link pivot

2шт.

32

87364

WASHER,0.53" ID x 1.06" OD x 0.1" Thk

2шт.

Выбрано товаров: 46