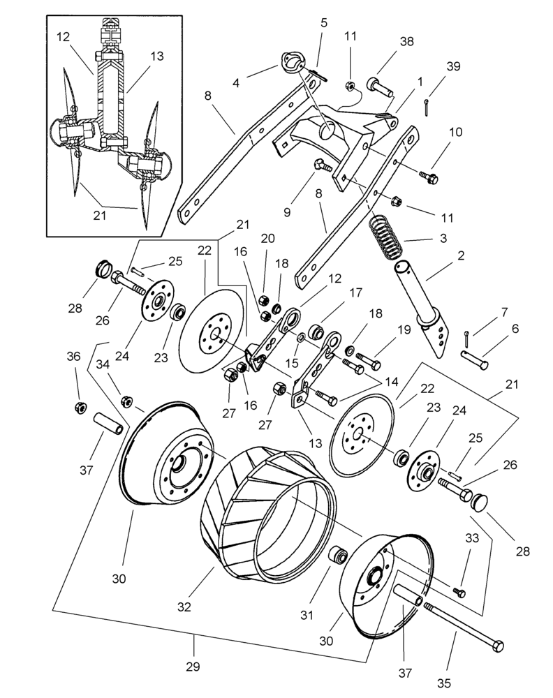
Запчасти Case IH 1200PT (L.10.F[29]) - PRESS WHEEL & COVERING DISC, WITH LH LEADING DISC OPENER (RH SIDE OF PLANTER, BSN CBJ0001596) L - Field Processing

Схема запчастей Case IH 1200PT - (L.10.F[29]) - PRESS WHEEL & COVERING DISC, WITH LH LEADING DISC OPENER (RH SIDE OF PLANTER, BSN CBJ0001596) L - Field Processing
17
2
22
27
12
34
20
24
28
5
19
37
30
10
32
23
31
29
8
3
26
27
25
14
33
9
16
21
15
1
18
12
8
18
21
11
28
37
35
26
21
38
13
23
16
4
30
25
36
39
7
11
13
22
24
6
FIT
1:1
100%

Артикул

Название

Примечание

Количество

1

436718A1

SUPPORT

Spring Anchor

1шт.

2

436732A1

GUIDE

tube assembly spring

1шт.

3

436733A1

COIL SPRING

.207" wire x 1.88" od x 6.3" long

1шт.

3

1264391C1

SPRING

covering

1шт.

4

436735A1

COLLAR

guide

1шт.

5

88042

PIN,4.76mm OD x 19.05mm L

2шт.

6

86624080

HEADED PIN,9.53mm OD x 50.8mm L

1шт.

7

80756

COTTER PIN,1/8" x 3/4"

1шт.

8

436719A1

BAR

press wheel arm

2шт.

9

86508749

CARRIAGE BOLT,Short Square Neck, 3/8" - 16 x 1 1/4", Grade 5

2шт.

10

86512174

BOLT,Hex Serr Flg, 3/8" - 16 x 1 1/4"

2шт.

11

247780

SERRATED NUT,Flg, USR, 3/8"-16

4шт.

12

436721A1

ARM

pivot, short

1шт.

13

436720A1

ARM

Pivot, Long

1шт.

14

88044

BOLT,Hex, 3/8" - 16 x 1-1/2", Gr 5

2шт.

15

86624145

WASHER,0.47" ID x 0.75" OD x 0.03" Thk

1шт.

16

88902

NUT,3/8"-16

2шт.

17

149261C91

BALL BEARING,16mm ID x 40mm OD x 18mm W

#BB203RR2 Torrington

1шт.

18

1279478C1

BUSHING,9.65mm ID x 24mm OD x 13mm L

sintered.38 bore

2шт.

19

9706689

BOLT,Hex, 3/8" - 16 x 1 3/4", Gr 5

1шт.

20

88902

NUT,3/8"-16

1шт.

21

1277891C91

DISC

assy covering

2шт.

22

1263938C1

DISC

200.7 mm x 2 mm 6-hole marker/covering

2шт.

23

1268017C91

BALL BEARING,15.9mm ID x 45.23mm OD x 18.67mm W

ball 1.78 x .73 x .62 id, Years: -01-AUG-07

2шт.

23

1268017C91GV

BEARING

Value, Ball Bearing

2шт.

24

149170C2

FLANGED BEARING

bearing

2шт.

23

87668158

BALL BEARING,16.05mm ID x 45.23mm OD x 18.67mm W

1.78 x .73 x .62 id, Start Year: 01-SEP-07

1шт.

25

86624111

RIVET,6.35mm OD x 14.29mm L

12шт.

26

9627896

BOLT,Hex, 5/8" - 11 x 1 3/4", Gr 5

2шт.

27

85700693

NUT,5/8" - 11, Gr C

2шт.

28

324180A1

BEARING CAP,35.2 mm OD x 7.62 mm

bearing

2шт.

29

81475C1

WHEEL ASSY

press 6 1/2" x 12" with traction tire and bearing, NOT AVAILABLE

1шт.

30

149148C1

RIM

6 1/2" x 12"

2шт.

31

140393C91

BALL BEARING,0.7465" ID x 1.5" OD x 2.5"

ball

1шт.

32

90854C1

TYRE/TIRE

6.5 x 12" single rib traction

1шт.

33

87872

BOLT,Hex, 5/16" - 18 x 3/4", Gr 5

4шт.

34

145458

SERRATED NUT,5/16"-18 GR 5 ZND

4шт.

35

86622970

BOLT,Hex, 1/2" - 13 x 9 1/2", Gr 5

1шт.

36

86512371

SERRATED NUT,Flg, USR, 1/2"-13

1шт.

37

149221C1

SPACER

35/64" id x 27/32" od x 2 11/16" long

2шт.

38

86624070

HEADED PIN,12.7mm OD x 38.1mm L

1шт.

39

394818

COTTER PIN,M5 x 25

1шт.

Выбрано товаров: 42