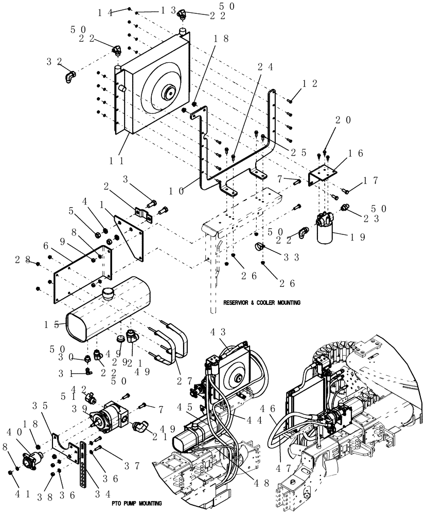
Запчасти Case IH 1200PT (L.20.C[01]) - PTO PUMP MOUNTING 12 ROW, 16 ROW, 12/23 & 16/31 (BSN CBJ022056) L - Field Processing

Схема запчастей Case IH 1200PT - (L.20.C[01]) - PTO PUMP MOUNTING 12 ROW, 16 ROW, 12/23 & 16/31 (BSN CBJ022056) L - Field Processing
38
24
23
37
6
22
40
5
2
31
30
44
50
33
39
29
45
50
13
41
15
49
3
22
8
7
25
22
46
35
50
8
32
49
50
1
21
50
43
42
28
21
27
4
7
19
18
36
11
9
51
26
18
47
22
14
36
34
20
12
17
16
10
50
49
26
48
FIT
1:1
100%

Артикул

Название

Примечание

Количество

1

86991597

MOUNTING PLATE

PTO

1шт.

2

137098C1

SUPPORT

bracket, pump mounting

1шт.

3

88725

BOLT,Hex, 3/4" - 10 x 1 3/4", Gr 5, Full Thd

2шт.

4

87340

LOCK WASHER,Helical Spring, 0.759" ID, CST, ZND

2шт.

5

280954

NUT,3/4"-10, G5

2шт.

6

441103A1

SUPPORT

reservoir & filter

1шт.

7

87689

BOLT,1/2"-13 x 1.813" OAL, Gr 5

4шт.

8

80679

LOCK WASHER,1/20.507 CST ZND

3шт.

9

280431

NUT,1/2"-13, G5

2шт.

10

441107A1

BRACKET

PTO cooler mounted

1шт.

11

400901A1

COOLER ASSY.

hydraulic oil

1шт.

12

9635884

BOLT,Hex, 5/16" - 18 1", Full Thd, Gr 5

8шт.

13

80681

LOCK WASHER,5/16"

8шт.

14

9635082

NUT,5/16" - 18, Gr 5

1шт.

15

115872A1

RESERVOIR, HYDRAULIC

4.5 us gal

1шт.

15

87439695

RESERVOIR, HYDRAULIC

4.5 us gal

1шт.

15

129575A1

CAP

breather with dipstick

1шт.

Not Shown

1шт.

15

87435908

SCREEN

reservoir

1шт.

Not Shown

1шт.

16

127715A5

SUPPORT

filter assembly

1шт.

17

87670

BOLT,1/2" - 13 x 1-1/4", Full Thd, Gr 5

2шт.

18

86512371

SERRATED NUT,Flg, USR, 1/2"-13

4шт.

19

87404510

FILTER

spin on element

1шт.

20

145913

BOLT,Hex Flg, 5/16" - 18 x 3/4", Gr 5, Full Thd

3шт.

21

84530

ELBOW,90 Degree, 1 5/8"-12, 37 Degree x 1 5/8"-12, O-Ring

2шт.

Includes O-Ring

1шт.

22

322894

90 ELBOW,1-1/16" - 12 JIC x 1-1/16" - 12 ORB

4шт.

Includes O-Ring

1шт.

23

322896

HYD CONNECTOR,1-1/16" - 12 ORB x 1-1/16" - 12 JIC

1шт.

Includes O-Ring

1шт.

24

9706726

BOLT,Hex Flg, 3/8" - 16 x 1"

3шт.

25

86512175

BOLT,Hex Serr Flg, 3/8" - 16 x 1 1/2"

1шт.

26

87019671

SERRATED NUT,Flg, USR, 3/8"-16, G8

4шт.

27

116093A1

STRAP

oil reservoir tank

2шт.

28

247780

SERRATED NUT,Flg, USR, 3/8"-16

5шт.

29

218-5215

PLUG,Hex Soc, 1 5/8"-12 ORB

1шт.

Includes O-Ring

1шт.

30

86624009

HYD CONNECTOR,9/16"-18, 37 Degree x 1 1/16"-12, O-Ring

1шт.

Includes O-Ring

1шт.

31

86629586

90 ELBOW,9/16" - 18 JIC x 9/16" - 18 Fem Sw

1шт.

32

219603

90 ELBOW,1-1/16" - 12 JIC x 1-1/16" - 12, 37 Degree Fem Sw

1шт.

33

603022

CLAMP,44.4mm, Coat, 10.3mm Bolt Hole, P Type

1шт.

34

437631A1

BRACKET

adjusting

1шт.

35

437630A1

PLATE

pump mounting

1шт.

36

87363

WASHER,0.47" ID x 0.92" OD x 0.07" Thk

4шт.

37

86050212

BOLT,Hex, 7/16" - 14 x 1 1/2", Gr 8

2шт.

38

86637736

NUT,7/16"-14, GB

2шт.

39

293243A1

PUMP

PTO 5.84 in3/rev

1шт.

39

293243A1R

REMAN-HYD PUMP

Remanufactured Hydraulic PTO Pump

1шт.

39

293243A1C

CORE-HYDRAULIC PUMP

Return Number

1шт.

87619629R

REMAN-HYD PUMP

1200PT BSN CBJ022056 (11/01-7/08), Reman For New P/N 293243A1

1шт.

87619629C

CORE-HYDRAULIC PUMP

Return Number

1шт.

39

Q53

KEY,1/4" Sq x 1", Par

1шт.

Not Shown

1шт.

39

280963

NUT,Nut, 1/2-20 GR 5 ZND

1шт.

Comes with the pump, but can be ordered separately

1шт.

39

310572A1

SEAL KIT

shaft pto pump

1шт.

40

1958268C1

COUPLING

1 3/4"

1шт.

For Tractors with 1-3/4" PTO shaft

1шт.

40

1958267C1

COUPLING,Assembly, Pump, 1 3/8" Spline, 21 Tooth

1 3/8"

1шт.

For Tractors with 1-3/8" PTO shaft

1шт.

41

280963

NUT,Nut, 1/2-20 GR 5 ZND

1шт.

Comes with the pump, but can be ordered separately

1шт.

42

87024324

ELBOW,90 Degree, 7/8"-14, 37 Degree x 1 5/16"-12, O-Ring

1шт.

Includes O-Ring

1шт.

43

86985197

HYDRAULIC HOSE

3/4" x 21" fl

1шт.

43

426731A1

HYDRAULIC HOSE

3/4" x 19" fl

1шт.

12 row and 16 row planters

1шт.

44

86985198

HYDRAULIC HOSE

3/4" x 57" fl

1шт.

12 row and 16 row planters

1шт.

44

426730A1

HYDRAULIC HOSE

3/4" x 51" fl

1шт.

45

426943A1

HYDRAULIC HOSE,19mm ID x 8150mm L

3/4" x 320" fl

1шт.

12 row and 12/23 row planters

1шт.

45

426732A1

HYDRAULIC HOSE,19mm ID x 9400mm L

3/4" x 370" fl

1шт.

16 row and 16/31 row planters

1шт.

46

426727A1

HYDRAULIC HOSE,31.5mm ID x 1880mm L, SAE 100R4

1 1/4" x 74" fl

1шт.

47

426942A1

HYDRAULIC HOSE

5/8" x 354" fl

1шт.

12 row and 12/23 row planters

1шт.

47

426728A1

HYDRAULIC HOSE,16mm ID x 10300mm L

5/8" x 405" fl

1шт.

16 row and 16/31 row planters

1шт.

48

1284264C1

HYDRAULIC HOSE

3/8" x 290" fl

1шт.

12 row and 12/23 row planters

1шт.

48

1284268C1

HYDRAULIC HOSE

3/8" x 340" fl

1шт.

16 row and 16/31 row planters

1шт.

49

570186

O-RING,0.118" Thk x 1.475" ID, -920, Cl 6, 90 Duro

1шт.

50

167266

O-RING,0.116" Thk x 0.924" ID, -912, Cl 6, 90 Duro

1шт.

51

167268

O-RING,0.116" Thk x 1.171" ID, -916, Cl 6, 90 Duro

1шт.

Выбрано товаров: 88