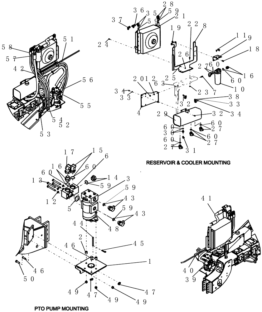
Запчасти Case IH 1200PT (L.20.C[05]) - PTO HIGH CAPACITY PUMP MOUNTING (ASN CBJ022057) L - Field Processing

Схема запчастей Case IH 1200PT - (L.20.C[05]) - PTO HIGH CAPACITY PUMP MOUNTING (ASN CBJ022057) L - Field Processing
31
6
42
43
39
19
49
60
55
59
25
27
49
17
3
57
60
45
16
37
24
32
7
56
49
21
33
60
59
10
23
27
27
13
60
27
32
33
34
44
1
8
5
53
18
43
51
52
38
60
11
60
50
12
63
34
59
29
36
4
47
14
2
60
47
48
20
59
15
60
40
9
16
12
46
46
28
59
58
41
30
26
22
35
54
FIT
1:1
100%

Артикул

Название

Примечание

Количество

1

87442001

BRACKET

PTO pump storage

1шт.

2

87444170

SPACER

Pto Pump Storage

2шт.

3

87432748

PUMP

2 section

1шт.

87432748R

REMAN-HYD PUMP

1200PT Pivot Transport ASM, ASN CBJ022057,

1шт.

87432748C

CORE-HYDRAULIC PUMP

Return Number

1шт.

4

87432175

BRACKET

support reservoir

1шт.

5

86637769

O-RING,0.139" Thk x 2.234" ID, -228, Cl 6, 90 Duro

1шт.

6

303848A1

MANIFOLD

pump inlet

1шт.

7

87689

BOLT,1/2"-13 x 1.813" OAL, Gr 5

2шт.

8

87432886

BRACKET

PTO cooler mounted

1шт.

9

127715A5

SUPPORT

filter assembly

1шт.

10

87432158

FILTER ASSY

filter and head

1шт.

Includes filter element

1шт.

11

255918

BOLT,Hex Serr, 3/8" - 16 x 3/4", 5SPL, Full Thd

3шт.

12

80679

LOCK WASHER,1/20.507 CST ZND

6шт.

13

86505993

BOLT,Hex, 1/2" - 13 x 4", Gr 5

4шт.

14

86624101

PLUG,Hex Hd, 1 5/8"-12 ORB

1шт.

Includes O-Ring

1шт.

15

218-5141

ELBOW,45 Degree Elbow, 1-5/8" - 12 Male JIC x 1-5/8" - 12 Male ORB

1шт.

Includes O-Ring

1шт.

16

570180

HYD CONNECTOR,1 5/8"-20, 37 Degree x 1 5/8"-12, O-Ring

2шт.

Includes O-Ring

1шт.

17

218-5177

ELBOW,45 Degree Elbow, 1-5/8" - 12 Male JIC x 1-5/8" - 12 Female JIC

1шт.

18

87670

BOLT,1/2" - 13 x 1-1/4", Full Thd, Gr 5

2шт.

19

86512371

SERRATED NUT,Flg, USR, 1/2"-13

2шт.

20

280431

NUT,1/2"-13, G5

2шт.

21

87432160

OIL COOLER

PTO

1шт.

22

9706726

BOLT,Hex Flg, 3/8" - 16 x 1"

4шт.

23

247780

SERRATED NUT,Flg, USR, 3/8"-16

4шт.

24

9635884

BOLT,Hex, 5/16" - 18 1", Full Thd, Gr 5

8шт.

25

80681

LOCK WASHER,5/16"

8шт.

26

9635082

NUT,5/16" - 18, Gr 5

8шт.

27

84530

ELBOW,90 Degree, 1 5/8"-12, 37 Degree x 1 5/8"-12, O-Ring

4шт.

Includes O-Ring

1шт.

28

87010672

ELBOW,90 Degree, 1 5/8"-12, 37 Degree x 1 5/16"-12, O-Ring

1шт.

Includes O-Ring

1шт.

29

87432193

RESERVOIR

6.5 gallon

1шт.

Includes cap and screeen

1шт.

30

86624009

HYD CONNECTOR,9/16"-18, 37 Degree x 1 1/16"-12, O-Ring

1шт.

Includes O-Ring

1шт.

31

86629586

90 ELBOW,9/16" - 18 JIC x 9/16" - 18 Fem Sw

1шт.

32

88206

BOLT,Hex, 3/8" - 16 x 1", Gr 5

5шт.

33

80680

LOCK WASHER,3/8 0.381 CST ZND

5шт.

34

9628503

NUT,3/8"-16, G5

5шт.

35

570024

ELBOW,90 Degree, 1 1/16"-12, 37 Degree x 1 5/16"-12, O-Ring

1шт.

Includes O-Ring

1шт.

36

265978

TEE,1-1/16" - 12 JIC x 1-1/16" - 12 JIC x 1-1/16" - 12 JIC

1шт.

37

219603

90 ELBOW,1-1/16" - 12 JIC x 1-1/16" - 12, 37 Degree Fem Sw

1шт.

38

603022

CLAMP,44.4mm, Coat, 10.3mm Bolt Hole, P Type

2шт.

39

426727A1

HYDRAULIC HOSE,31.5mm ID x 1880mm L, SAE 100R4

1 1/4" x 74" fl

1шт.

40

426727A1

HYDRAULIC HOSE,31.5mm ID x 1880mm L, SAE 100R4

1 1/4" x 74" fl

1шт.

41

294178A1

HYDRAULIC HOSE

1 1/4" x 25.8" fl

1шт.

42

87438126

HYDRAULIC HOSE,31.50 mm ID x 1350.00 mm, SAE 100R4 Class 4

1 1/4" x 53" fl

1шт.

43

87024324

ELBOW,90 Degree, 7/8"-14, 37 Degree x 1 5/16"-12, O-Ring

2шт.

Includes O-Ring

1шт.

44

439-5666

HEADED PIN,9.53mm OD x 104.78mm L

1шт.

45

1978737C1

COTTER PIN,Int, 1/8" x 49mm

3 mm x 49 mm

1шт.

46

86624070

HEADED PIN,12.7mm OD x 38.1mm L

2шт.

47

302676A1

LINCH PIN

4.76 mm x 31.75 mm long

2шт.

48

281058

BOLT,Hex, 1/2" - 13 x 2", Gr 8

2шт.

49

86992215

LOCK NUT,1/2"-13, GC

3шт.

50

88904

BOLT,Hex, 1/2" - 13 x 1 1/2", Gr 8, Full Thd

1шт.

51

1284367C1

HYDRAULIC HOSE,9.53mm ID x 2415mm L

3/8" x 95" fl

1шт.

52

128821

UNION,9/16" - 18 JIC x 9/16" - 18 JIC

1шт.

53

1284300C1

HYDRAULIC HOSE

3/8" x 380" fl

2шт.

16 row with bulk fill, 16/31 row and 24 row planters

1шт.

53

1284299C1

HYDRAULIC HOSE

3/8" x 350" (8890 mm)

2шт.

12 row w/bulkfill, 12/23 row planters

1шт.

54

1284300C1

HYDRAULIC HOSE

3/8" x 380" fl

1шт.

Not required for 16 row planter

1шт.

54

1284299C1

HYDRAULIC HOSE

3/8" x 350" (8890 mm)

1шт.

Not required for 12 row planter

1шт.

55

87454228

HYDRAULIC HOSE,16mm ID x 11950mm L, SAE 100R17

5/8" x 470" fl

1шт.

16 row with bulk fill, 16/31 row and 24 row planters

1шт.

55

87454625

HYDRAULIC HOSE

5/8" x 409" fl

1шт.

12 row w/bulkfill, 12/23 row planters

1шт.

56

87448895

HYDRAULIC HOSE,16mm ID x 13470mm L, SAE 100R17

5/8" x 530" fl

1шт.

16 row with bulk fill, 16/31 row and 24 row planters

1шт.

56

87454626

HYDRAULIC HOSE

3/4" x 375" fl

1шт.

12 row w/bulkfill, 12/23 row planters

1шт.

57

87454229

HYDRAULIC HOSE,19mm ID x 11240mm L, SAE 100R17

3/4" x 442" fl

1шт.

58

87448898

HYDRAULIC HOSE,19mm ID x 12580mm L, SAE 100R17

3/4" x 495" fl

1шт.

59

167268

O-RING,0.116" Thk x 1.171" ID, -916, Cl 6, 90 Duro

1шт.

60

570186

O-RING,0.118" Thk x 1.475" ID, -920, Cl 6, 90 Duro

1шт.

61

167266

O-RING,0.116" Thk x 0.924" ID, -912, Cl 6, 90 Duro

1шт.

63

427941A4

SUPPORT

hose holder

1шт.

Выбрано товаров: 86