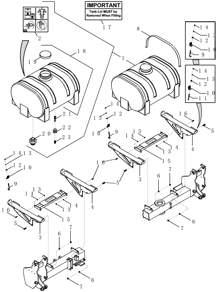
Запчасти Case IH 1200PT (L.40.A[07]) - LIQUID FERTILIZER TANK AND MOUNTING L - Field Processing

Схема запчастей Case IH 1200PT - (L.40.A[07]) - LIQUID FERTILIZER TANK AND MOUNTING L - Field Processing
3
14
21
13
13
13
6
12
2
16
15
7
5
14
7
14
14
9
10
12
22
13
13
10
16
12
23
17
7
14
13
14
20
18
9
5
6
11
4
16
8
4
15
9
10
13
413673a1
19
6
3
10
5
7
12
14
13
6
1
14
FIT
1:1
100%

Артикул

Название

Примечание

Количество

1

86985082

TANK

w cap 200 gal. horz leg

2шт.

12 row planter

1шт.

Includes decals

1шт.

1

86985081

TANK

w cap 230 gal. horz leg

2шт.

16 row planter

1шт.

Includes decals

1шт.

1

406558A1

TANK

230 gallon liquid fertilizer

2шт.

16 row planter

1шт.

Shown

1шт.

Includes ref #2, 17 - 23

1шт.

2

416610A1

DECAL

hazard material handling

2шт.

Part of Tank P/N 409644A1 and P/N 406558A1

1шт.

3

427783A2

BRACKET

fertilizer tank

2шт.

4

427785A2

BRACKET

fertilizer tank

2шт.

5

88557

BOLT,Hex, 3/4" - 10 x 2", Gr 5, Full Thd

12шт.

6

87340

LOCK WASHER,Helical Spring, 0.759" ID, CST, ZND

12шт.

7

280954

NUT,3/4"-10, G5

12шт.

8

339403A1

STRAP

nylon 1.88 x 103" tank

4шт.

9

441220A1

SPECIAL BOLT

J 1/2"-13 x 4 1/2" 2" thread

8шт.

12 row planter

1шт.

9

441220A1

SPECIAL BOLT

J 1/2"-13 x 4 1/2" 2" thread

4шт.

16 row planter

1шт.

10

364318A1

ANCHOR

for 1 3/4" tank strap

8шт.

11

86505996

BOLT,Hex, 1/2" - 13 x 7", Gr 5

4шт.

16 row planter

1шт.

12

80700

WASHER,0.56" ID x 1.38" OD x 0.11" Thk

8шт.

13

80679

LOCK WASHER,1/20.507 CST ZND

16шт.

14

280431

NUT,1/2"-13, G5

16шт.

15

427787A1

SUPPORT

connector 200 gal tank

2шт.

12 row planter

1шт.

15

427789A1

SUPPORT

connector 230 gal tank

2шт.

16 row planter

1шт.

16

87689

BOLT,1/2"-13 x 1.813" OAL, Gr 5

8шт.

17

392613A1

DECAL

important vent hole

1шт.

18

86985082

TANK

w cap 200 gal. horz leg

1шт.

Part of Tank P/N 409644A1 and P/N 406558A1

1шт.

Includes decals

1шт.

18

86985081

TANK

w cap 230 gal. horz leg

1шт.

Part of Tank P/N 409644A1 and P/N 406558A1

1шт.

Includes decals

1шт.

19

86985083

CAP

10" vented

1шт.

Part of Tank P/N 409644A1, P/N 406558A1, P/N 86985082, and P/N 86985081

1шт.

20

405789A1

FITTING

poly 2 flange assembly

1шт.

Part of Tank P/N 409644A1 and P/N 406558A1

1шт.

21

86985279

AGITATOR

jet

1шт.

Part of Tank P/N 409644A1 and P/N 406558A1

1шт.

22

406148A1

FITTING

bulkhead 3/4" dfpt c/w epdm gasket

1шт.

Part of Tank P/N 409644A1 and P/N 406558A1

1шт.

23

406147A1

NIPPLE,3/4" x 1/2"Poly Reducing Nipple

poly 3/4"mp 1/2"mp

1шт.

Part of Tank P/N 409644A1 and P/N 406558A1

1шт.

Выбрано товаров: 50