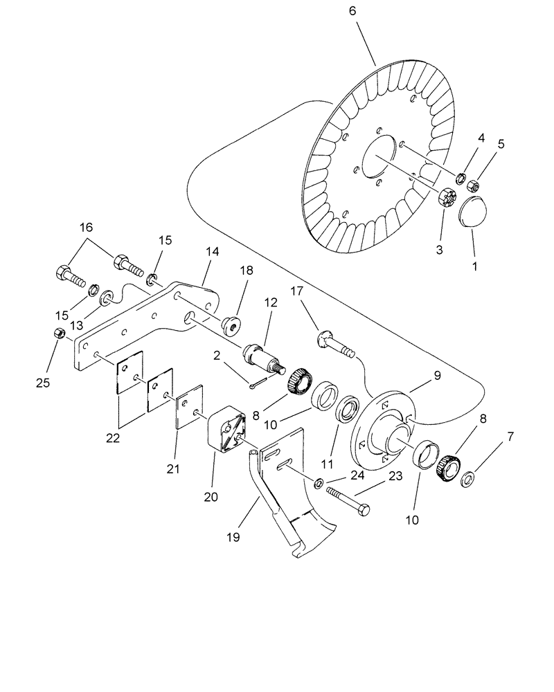
Запчасти Case IH 1200PT (L.50.F[09]) - NO-TILL COULTER, COULTER AND KNIVES, LIQUID FERTILIZER (BEFORE 01/18/04) L - Field Processing

Схема запчастей Case IH 1200PT - (L.50.F[09]) - NO-TILL COULTER, COULTER AND KNIVES, LIQUID FERTILIZER (BEFORE 01/18/04) L - Field Processing
16
22
6
13
24
12
10
2
15
4
15
7
21
20
25
11
10
19
8
5
8
9
18
14
3
1
23
17
FIT
1:1
100%

Артикул

Название

Примечание

Количество

1

1344515C1

CAP

hub

1шт.

2

87395

COTTER PIN,1/8" OD x 1-1/4" OAL

1шт.

3

86637930

SLOTTED NUT,5/8"-18, G5

1шт.

4

80679

LOCK WASHER,1/20.507 CST ZND

4шт.

5

280431

NUT,1/2"-13, G5

4шт.

6

1344516C1

PLOW DISC

17" - ripple

1шт.

7

1344527C1

WASHER

11/16" id x 1 3/4" od x 1/4" thick

1шт.

8

36726

BEARING CONE,31.75mm ID x 16.76mm W

#LM67048

2шт.

8

84356153GV

BEARING

Value

2шт.

9

1344512C1

HUB

coulter

1шт.

10

36723

BEARING CUP,59.16mm OD x 11.81mm W

#LM67010

2шт.

11

652769R91

OIL SEAL

oil

1шт.

12

252157A1

SPINDLE

horizontal spring opener

1шт.

13

108133A1

WASHER,16.67mm ID x 38.1mm OD x 4.76mm Thk

1 1/2" x 21/32" x 3/16"

1шт.

14

252163A1

ARM

fertilizer knife

1шт.

15

12034871

WASHER

5/8"

2шт.

16

88112

BOLT,Hex, 5/8" - 18 x 1 1/2", Gr 5

2шт.

17

280420

CARRIAGE BOLT,Sq Nk, 1/2" - 13 x 1 1/2", Gr 5, Full Thd

4шт.

18

252165A1

PIVOT

upper arm

1шт.

19

1344517C2

KNIFE

liquid fertilizer

1шт.

20

252318A1

BLOCK

aluminum spacer

1шт.

21

1344518C1

SHIM

knife, 1/8"

1шт.

22

1344519C1

SHIM

knife, 16 gauge

3шт.

23

9818286

BOLT,Hex, 1/2" - 13 x 3 1/2", Gr 8

2шт.

24

86624187

WASHER,0.53" ID x 1.06" OD x 0.13" Thk

2шт.

25

86992215

LOCK NUT,1/2"-13, GC

2шт.

Выбрано товаров: 26