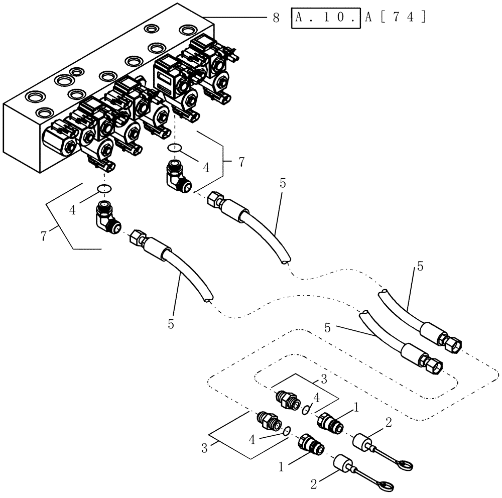
Запчасти Case IH 1200PT (A.10.A[66]) - HYDRAULIC SYSTEM - SUPPLY LINES LIFT AND PIVOT VALVE (ASN CBJ022252) A - Distribution Systems

Схема запчастей Case IH 1200PT - (A.10.A[66]) - HYDRAULIC SYSTEM - SUPPLY LINES LIFT AND PIVOT VALVE (ASN CBJ022252) A - Distribution Systems
4
3
4
5
7
1
4
2
3
5
5
2
1
5
8
7
4
FIT
1:1
100%

Артикул

Название

Примечание

Количество

1

1272399C2

QUICK MALE COUPLING

self sealing, 7/8" NF

2шт.

2

333721A1

CAP

female quick coupler red

2шт.

3

87301330

HYD CONNECTOR,7/8" - 14 ORB x 7/8" - 14 JIC

5/8" mb x 5/8" mj

2шт.

4

167269

O-RING,0.097" Thk x 0.755" ID, -910, Cl 6, 90 Duro

2шт.

5

87454638

HYDRAULIC HOSE,16mm ID x 11560mm L, SAE 100R17

5/8" x 455" fl

1шт.

12 row planter

1шт.

5

87448894

HYDRAULIC HOSE,16mm ID x 12825mm L, SAE 100R17

5/8" x 505" fl

1шт.

16 row planter

1шт.

6

87454629

HYDRAULIC HOSE

5/8" x 450" fl

1шт.

12 row planter

1шт.

6

87448893

HYDRAULIC HOSE,16mm ID x 12700mm L, SAE 100R17

5/8" x 500" fl

1шт.

16 row planter

1шт.

7

164910

90 ELBOW,7/8" - 14 JIC x 7/8" - 14 ORB

2шт.

8

401591A1

VALVE, CONTROL

assembly lift and fold

1шт.

Выбрано товаров: 14