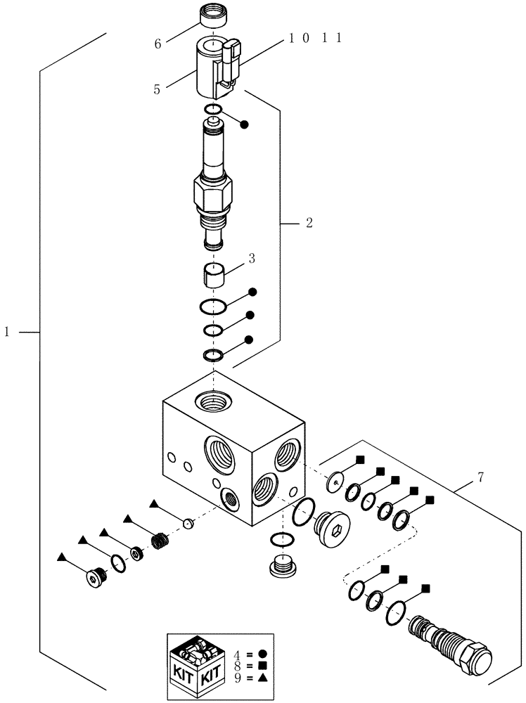
Запчасти Case IH 1200PT (A.10.A[75]) - LIQUID FERTILIZER FLOW CONTROL VALVE ASSEMBLY 419865A1 A - Distribution Systems

Схема запчастей Case IH 1200PT - (A.10.A[75]) - LIQUID FERTILIZER FLOW CONTROL VALVE ASSEMBLY 419865A1 A - Distribution Systems
10
4
9
9
8
8
4
5
8
8
6
9
4
4
9
2
8
1
4
8
9
11
3
8
9
8
9
7
8
8
4
FIT
1:1
100%

Артикул

Название

Примечание

Количество

1

419865A1

CONTROL VALVE

assembly flow variable rate

1шт.

2

254969A2

HYDRAULIC VALVE

flow control cartridge

1шт.

3

1285892C1

FILTER SCREEN

1шт.

4

304494A1

SEAL KIT

seal, flow control valve

1шт.

5

188105A1

SOLENOID

coil

1шт.

6

440028A1

NUT

coil retaining

1шт.

7

278200A1

VALVE

assembly, compensator

1шт.

8

S301087

SEAL KIT

differential pressure compensator

1шт.

9

1341811C1

SPRING-CHECK

REPAIR KIT sense check

1шт.

10

225315C1

ELEC CONNECTOR,Male, 2 Pin

Cab Plastic Receptacle 2C

1шт.

11

225318C1

ELEC CONNECTOR,2 Pin

W2P

1шт.

Выбрано товаров: 11