Запчасти Case IH 1200PT (A.10.A[79]) - BULK FILL - LAYOUT, DIRECT DRIVE OPTION A - Distribution Systems

Схема запчастей Case IH 1200PT - (A.10.A[79]) - BULK FILL - LAYOUT, DIRECT DRIVE OPTION A - Distribution Systems
34
32
13
30
12
8
30
34
6
4
29
28
25
31
4
15
29
9
16
13
26
30
33
5
9
22
20
3
9
11
23
17
7
2
21
27
33
14
29
10
1
18
19
24
FIT
1:1
100%

Артикул

Название

Примечание

Количество

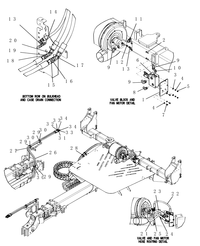
1

433900A1

BRACKET

bulk fill valve

1шт.

2

88011

BOLT,Hex, 3/8" - 16 x 1 1/4", Gr 5

2шт.

3

87016

WASHER,0.41" ID x 0.81" OD x 0.07" Thk

2шт.

4

80680

LOCK WASHER,3/8 0.381 CST ZND

5шт.

5

9628503

NUT,3/8"-16, G5

2шт.

6

409061A1

VALVE

assembly bulk fill direct, Serial Range: -CBJ022251

1шт.

6

87438424

VALVE

assembly bulk fill PTO with plugs, Start Serial: CBJ022252

1шт.

7

86500692

BOLT,Hex, 3/8" - 16 x 3/4", Gr 8, Full Thd

3шт.

8

164910

90 ELBOW,7/8" - 14 JIC x 7/8" - 14 ORB

1шт.

9

322894

90 ELBOW,1-1/16" - 12 JIC x 1-1/16" - 12 ORB

3шт.

Includes O-Ring

1шт.

10

128819

HYD CONNECTOR,7/8" - 14 ORB x 3/4" - 16 JIC

1шт.

11

84340

ELBOW,90 Degree, 3/4"-16, 37 Degree x 1 1/16"-12, O-Ring

1шт.

12

76350

HYD CONNECTOR,9/16" - 18 ORB x 9/16" - 18 JIC

1шт.

13

86629586

90 ELBOW,9/16" - 18 JIC x 9/16" - 18 Fem Sw

2шт.

14

129274

TEE,9/16" - 18 JIC x 9/16" - 18 JIC x 9/16" - 18 JIC

1шт.

15

86508629

FITTING,Blkhd, 1 1/16"-12, 37 Degree x 1 1/16"-12, 37 Degree

1шт.

16

86513143

BHD LOCK NUT,Blkhd, 1 1/16"-12

1шт.

17

219605

ELBOW,45 Degree, 1 1/16"-12, 37 Degree x 1 1/16"-12, 37 Degree Fem Sw

1шт.

18

9610690

FITTING,Blkhd, 7/8"-14, 37 Degree x 7/8"-14, 37 Degree

1шт.

19

595460

BHD LOCK NUT,7/8" - 14

1шт.

20

86512960

ELBOW,45 Degree, 7/8"-14, 37 Degree x 7/8"-14, 37 Degree Fem Sw

1шт.

21

426723A1

HYDRAULIC HOSE,19.00 mm ID x 600.00 mm, SAE 100R17

3/4" x 23" fl

1шт.

22

390649R92

HYDRAULIC HOSE

1/2" x 19" fl

1шт.

23

426725A1

HYDRAULIC HOSE,19.00 mm ID x 3450.00 mm, SAE 100R17

3/4" x 135" fl

1шт.

24

426726A1

HYDRAULIC HOSE,16.00 mm ID x 3450.00 mm, SAE 100R17

5/8" x 135" fl

1шт.

25

139519C2

HYDRAULIC HOSE

3/8" x 135" fl

1шт.

26

410542A1

HYDRAULIC HOSE

3/4" x 432" fl

1шт.

16 row planter

1шт.

26

410710A1

HYDRAULIC HOSE

3/4" x 382" fl

1шт.

12 row planter

1шт.

27

410534A1

HYDRAULIC HOSE,16mm ID x 10980mm L, SAE 100R17

5/8" x 432" fl

1шт.

16 row planter

1шт.

27

410709A1

HYDRAULIC HOSE,16mm ID x 9700mm L, SAE 100R17

5/8" x 382" fl

1шт.

12 row planter

1шт.

28

86505980

BOLT,Hex, 3/8" - 16 x 4 1/2", Gr 5

4шт.

29

427781A1

HOSE CLAMP

2 hose

3шт.

30

20304

BOLT,Hex, 3/8" - 16 x 5 1/2", Gr 5

3шт.

31

144124

HYD CONNECTOR,1-1/16" - 12 JIC x 7/8" - 14 ORB

1шт.

32

87301330

HYD CONNECTOR,7/8" - 14 ORB x 7/8" - 14 JIC

5/8" mb x 5/8" mj

1шт.

33

1272399C2

QUICK MALE COUPLING

self sealing, 7/8" NF

2шт.

34

333719A1

CAP

hydraulic quick coupler female, yellow

2шт.

Выбрано товаров: 42