Запчасти Case IH 1225 (39.110.AM[01]) - TONGUE (39) - FRAMES AND BALLASTING

Схема запчастей Case IH 1225 - (39.110.AM[01]) - TONGUE (39) - FRAMES AND BALLASTING
30
29
14
39
9
42
3
27
23
8
32
26
21
20
16
35.944.ac 02
37
43
17
11
18
34
home
2
22
45
31
25
44
6
10
28
5
16
14
17
20
18
40
33
1
15
13
4
30
38
35
3
7
41
24
19
13
12
36
31
FIT
1:1
100%

Артикул

Название

Примечание

Количество

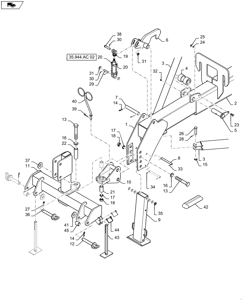
1

73357243

FRAME

16R PB TONGUE FRONT SECTION

1шт.

1

73357235

FRAME

12R PB TONGUE FRONT SECTION

1шт.

2

73357248

FRAME

16R PB TONGUE REAR SECTION

1шт.

2

73357234

FRAME

12R PB TONGUE REAR SECTION

1шт.

3

73357236

BAR

2шт.

4

73357231

BUSHING

TONGUE ROLLER

1шт.

5

73357232

BRACKET

ROLLER PIN

1шт.

6

73357227

LATCH

TELESCOPING HITCH SAFETY

1шт.

7

73357299

PIN

DRAFT HOOK

1шт.

8

73357319

PIN

PARKING SUPPORT

1шт.

9

73357233

SUPPORT

PARKING STAND

1шт.

10

73357226

BRACKET

SWIVEL COUPLER

1шт.

11

73357224

CROSSBAR

1шт.

12

73358271

PIN

1шт.

13

73358462

SCREW

2шт.

14

280429

COTTER PIN,1/4" x 2 1/4"

2шт.

15

87367

WASHER,1.06" ID x 2" OD x 0.13" Thk

1шт.

16

87370

WASHER,1.38" ID x 3" OD x 0.17" Thk

2шт.

17

73358632

WASHER

2шт.

18

9849649

NUT,1 1/4"-7, G5

2шт.

19

NSS

NOT SOLD SEPARAT

Incl in 20

1шт.

20

73357916

TIE-ROD

1шт.

21

73357317

TUBE

SPACER FOR PLANTER HITCH

1шт.

22

73357318

TUBE

INNER HITCH PIVOT

1шт.

23

87689

BOLT,1/2"-13 x 1.813" OAL, Gr 5

1шт.

24

9803187

NUT,1/2"-13, G8

1шт.

25

80679

LOCK WASHER,1/20.507 CST ZND

1шт.

26

73358521

CLEVIS PIN

1шт.

27

73358546

LINCH PIN

1шт.

28

84543943

SLOTTED PIN

1шт.

29

439-11040

HEADED PIN,5/8" x 2", G2

1шт.

30

87395

COTTER PIN,1/8" OD x 1-1/4" OAL

2шт.

31

87365

WASHER,0.66" ID x 1.31" OD x 0.1" Thk

2шт.

32

87414

LUBE NIPPLE,1/4" - 28

1шт.

33

84543943

SLOTTED PIN

1шт.

34

73358545

LINCH PIN

1шт.

35

87381

WASHER,0.81" ID x 1.47" OD x 0.13" Thk

1шт.

36

73358537

HITCH PIN

1шт.

37

86512837

WASHER,1.38" ID x 2.5" OD x 0.17" Thk

1шт.

38

86624064

HEADED PIN,5/8" x 3 1/2", G2

1шт.

39

87397

COTTER PIN,3/16" OD x 1" L

1шт.

40

73357122

SUPPORT

SWIVEL HOSE POST

1шт.

41

7705445

WASHER,1.62" ID x 3" OD x 0.17" Thk

1шт.

42

73357985

PROTECTOR

HOSE WRAP

1шт.

43

73357257

SUPPORT

1шт.

44

73358553

PIN

1шт.

45

73357073

BUSHING

1шт.

Выбрано товаров: 47