Запчасти Case IH 1235 (79.105.AH[02]) - LINKAGE 20" FOR 30" SPLIT ROW 12/23 AND 30" SPLIT ROW 12/30 (79) - PLANTING

Схема запчастей Case IH 1235 - (79.105.AH[02]) - LINKAGE 20" FOR 30" SPLIT ROW 12/23 AND 30" SPLIT ROW 12/30 (79) - PLANTING
8
7
79.105.ad 01
9
3
2
13
16
6
14
4
8
8
8
8
8
12
15
3
3
9
1
home
5
12
11
3
4
9
17
10
9
9
8
18
FIT
1:1
100%

Артикул

Название

Примечание

Количество

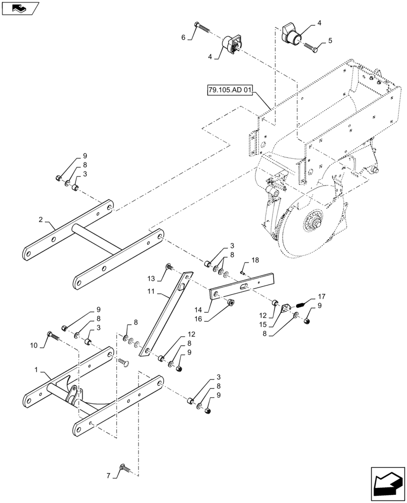
1

87473387

LINKAGE

20" Lower

1шт.

2

87752385

LINKAGE

20" Upper

1шт.

3

1254302C1

BUSHING,13.5mm ID x 22.2mm OD x 16.7mm L

Linkage

4шт.

4

84472130

BUSHING

Hopper Pivot Painted

2шт.

5

50032

BOLT,Hex, 1/2" - 13 x 2 1/4", Gr 8

1шт.

6

86520614

BOLT,Hex, 1/2" - 13 x 2 3/4", Gr 8

1шт.

7

280659

CARRIAGE BOLT,Sq Nk, 1/2" - 13 x 1 3/4", Gr 8

2шт.

8

86632589

WASHER,0.53" ID x 1.06" OD x 0.1" Thk

11шт.

9

88871

NUT,1/2"-13, GC

5шт.

10

80281058

SCREW

.500 X 2.00"

1шт.

11

87461748

ARM

Row Unit Lock Up

1шт.

12

137512C3

BUSHING,13.5mm ID x 22.23mm OD x 13.5mm L

Link Pivot

2шт.

13

84191689

CARRIAGE BOLT

.500 X 1.00"

1шт.

14

87461745

BAR

Secondary Lockup

1шт.

15

87428709

LOCKING TAB

Spring

1шт.

16

87452075

BUSHING,1/2"

Threaded Row Unit

1шт.

17

87426449

COIL SPRING

Extention

1шт.

18

439-1412

HEADED PIN,1/4" x 3/4"

1шт.

Выбрано товаров: 0