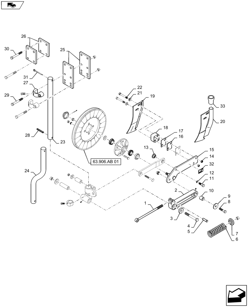
Запчасти Case IH 1245 (63.906.AB[02]) - FERTILIZER COULTER KNIFE (63) - CHEMICAL APPLICATORS

Схема запчастей Case IH 1245 - (63.906.AB[02]) - FERTILIZER COULTER KNIFE (63) - CHEMICAL APPLICATORS
15
11
6
12
3
22
18
16
32
24
26
23
1
31
home
10
19
27
30
2
8
13
25
5
28
7
29
4
9
33
14
21
20
17
63.906.ab 01
FIT
1:1
100%

Артикул

Название

Примечание

Количество

1

252169A1

ROD

Spring 13 1/2"

1шт.

2

252161A1

ARM

Lower

1шт.

3

252162A1

BUSHING,31.75mm ID x 38.1mm OD x 31.75mm L

Lower Arm

1шт.

4

413-1296

BOLT,Hex, 3/4" - 10 x 6", Gr 5

1шт.

5

427-10225

CLEVIS PIN,5/8" x 1 1/4"

1шт.

6

252167A1

SPRING

11" Long

1шт.

7

252166A1

BUSHING

Spring

1шт.

8

413-1040

BOLT,Hex, 5/8" - 11 x 2-1/2", Gr 5

1шт.

9

A59517

WASHER,16.66mm ID x 57.15mm OD x 6.35mm Thk

1шт.

10

252317A1

PIVOT

Lower Arm

1шт.

11

414-1024

BOLT,Hex, 5/8" - 18 x 1-1/2", Gr 5

1шт.

12

492-11062

BEARING WASHER,5/8"

1шт.

13

252165A1

PIVOT

Upper Arm

1шт.

14

231-4248

NUT,1/2"-13, GB

2шт.

15

444287A1

ARM

Right Hand Knife

1шт.

15

444288A1

ARM

Left Hand Knife

1шт.

16

1344519C1

SHIM

Knife 16 gauge

3шт.

17

1344518C1

SHIM

1/8"

1шт.

18

252318A1

BLOCK

Block

1шт.

19

1344517C2

KNIFE

Liquid Fertilizer

1шт.

20

108120A1

KNIFE

Dry Fertilizer

1шт.

21

396-21053

WASHER,17/32" x 1 1/16" x .134"

2шт.

22

326-856

BOLT,Hex, 1/2" - 13 x 3-1/2", Gr 8

2шт.

23

87401667

SHANK

Straight Coulter 20" Black

1шт.

23

1344510C1

SHANK

Straight Coulter 22" Black

1шт.

24

87401668

SHANK

Offset Coulter 20" Black

1шт.

24

118038A1

SHANK

Offset Coulter 22" Black

1шт.

25

1986499C1

PLATE

Clamp

2шт.

26

122299A1

PLATE

Clamp 2-1/2" Bar

2шт.

27

1344520C1

SPECIAL CLAMP

Drilled

2шт.

28

17086R1

LOCK PIN,3/8" x 2 1/2", Slotted

1шт.

29

413-896

BOLT,Hex, 1/2" - 13 x 6", Gr 5

4шт.

30

413-888

BOLT,Hex, 1/2" - 13 x 5-1/2", Gr 5

4шт.

31

432-2040

COTTER PIN,5/16" x 2 1/2"

1шт.

32

1986496C1

DECAL

Critical Adjustment

1шт.

33

108121A1

ADAPTER

Dry Fertilizer

1шт.

Выбрано товаров: 36