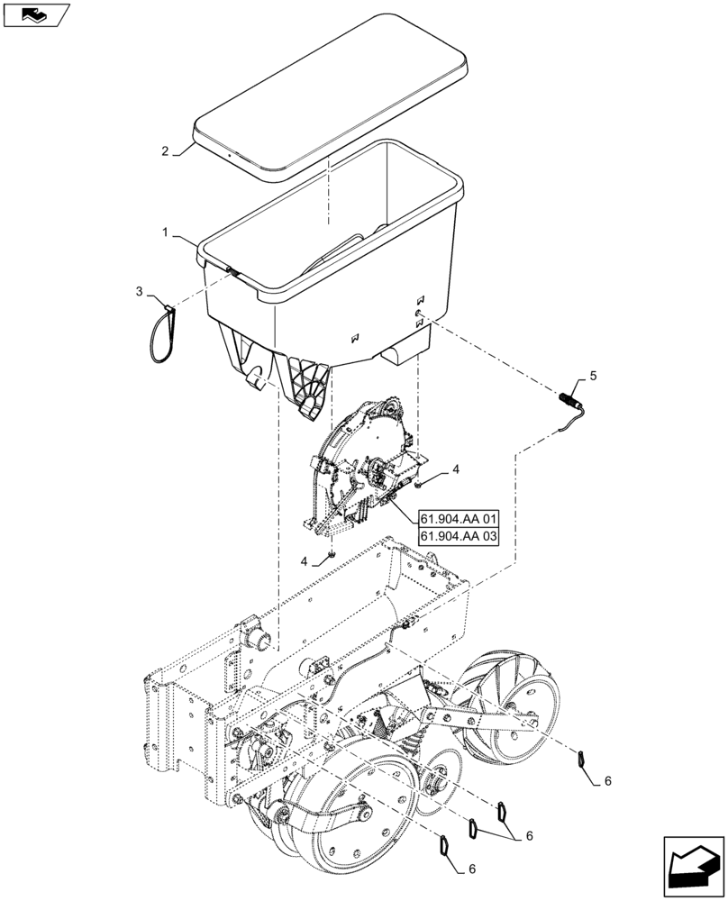
Запчасти Case IH 1245 (79.100.AC[01]) - STANDARD HOPPER FOR 12/30,16/30 (79) - PLANTING

Схема запчастей Case IH 1245 - (79.100.AC[01]) - STANDARD HOPPER FOR 12/30,16/30 (79) - PLANTING
4
home
61.904.aa 01
6
6
3
6
61.904.aa 03
2
4
5
1
FIT
1:1
100%

Артикул

Название

Примечание

Количество

1

87429620

HOPPER

Standard 1.9 Bushel

1шт.

2

408191A3

COVER

Hopper

1шт.

3

297749A1

STRAP

Hopper

1шт.

4

825-5148

SERRATED NUT,M8, Flg Ser

2шт.

5

404197A1

SENSOR

Proximity Switch

1шт.

6

87502038

CABLE TIE

Small

4шт.

Выбрано товаров: 6