Запчасти Case IH 1245 (79.100.AC[09]) - GRANULAR CHEMICAL METERING (79) - PLANTING

Схема запчастей Case IH 1245 - (79.100.AC[09]) - GRANULAR CHEMICAL METERING (79) - PLANTING
14
16
3
home
14
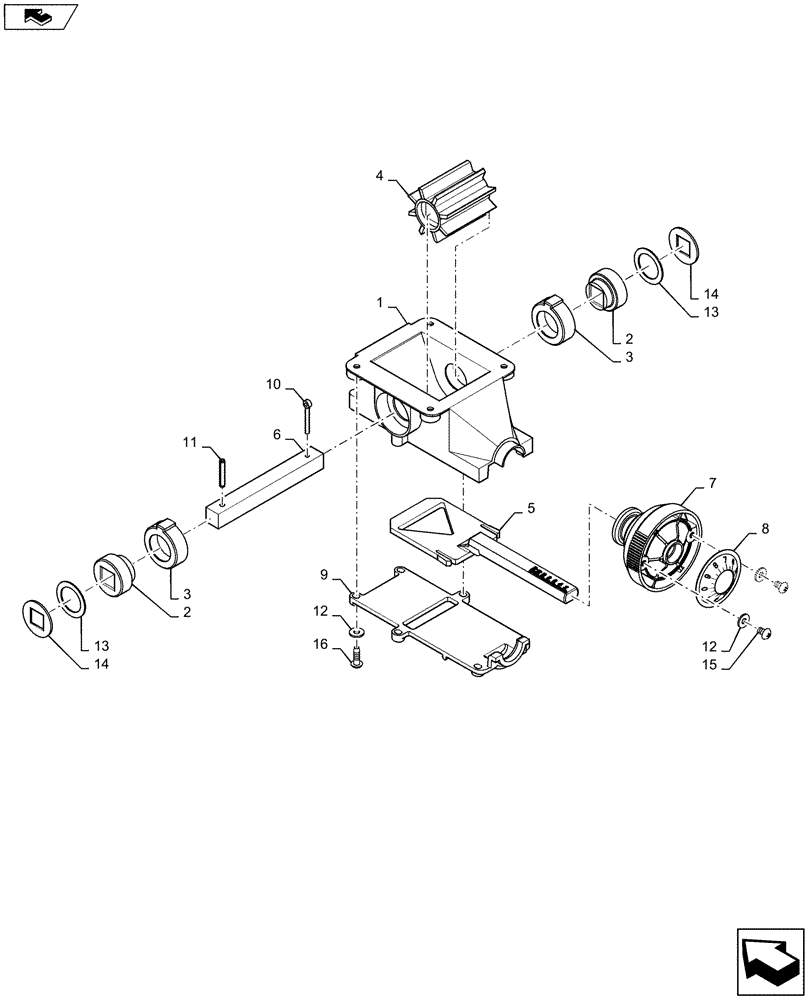
11
4
2
15
3
10
5
13
9
8
1
13
2
12
7
6
12
FIT
1:1
100%

Артикул

Название

Примечание

Количество

1

137043C1

HOUSING

Upper

1шт.

2

134297C1

BUSHING

Drive Shaft

2шт.

3

134293C1

HOUSING

Bushing

2шт.

4

134296C1

ROLL

Feeding

1шт.

5

134286C1

GAUGE

Rate Control

1шт.

6

134254C2

BAR

Granular Chemical

1шт.

7

134287C1

KNOB

Gauge

1шт.

8

134294C1

DIAL

Disk Knob

1шт.

9

137055C1

RETAINER

Gauge Control

1шт.

10

80755

COTTER PIN,1/8" OD x 1" L

1шт.

11

86624058

LOCK PIN,5/32" x 1", Slotted

1шт.

12

86624136

WASHER,0.2" ID x 0.47" OD x 0.05" Thk

8шт.

13

86624164

WASHER,0.89" ID x 1.25" OD x 0.04" Thk

2шт.

14

134253C1

SQ HOLE WASHER

2шт.

15

84402314

SCREW

Tapping .375

2шт.

16

86624118

SELF-TAP SCREW,Cross Pan Hd, #8 x 5/8"

6шт.

Выбрано товаров: 0