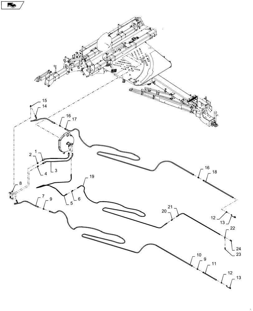
Запчасти Case IH 1245 (35.745.AA[10]) - DIRECT DRIVE HYDRAULIC DISTRIBUTION FOR 16/30 (35) - HYDRAULIC SYSTEMS

Схема запчастей Case IH 1245 - (35.745.AA[10]) - DIRECT DRIVE HYDRAULIC DISTRIBUTION FOR 16/30 (35) - HYDRAULIC SYSTEMS
2
14
13
12
11
1
6
19
home
15
5
22
13
16
9
16
9
3
20
7
4
10
8
24
12
18
17
23
21
FIT
1:1
100%

Артикул

Название

Примечание

Количество

1

410544A1

HYDRAULIC HOSE

19 ID X 1780 mm

1шт.

2

322896

HYD CONNECTOR,1-1/16" - 12 ORB x 1-1/16" - 12 JIC

1шт.

3

1301966C2

HYDRAULIC HOSE

12.5 ID X 2030mm

1шт.

4

128819

HYD CONNECTOR,7/8" - 14 ORB x 3/4" - 16 JIC

1шт.

5

435694A1

HYDRAULIC HOSE

10 ID X 6605mm

1шт.

6

76355

TEE,9/16" - 18 JIC x 9/16" - 18 JIC x 9/16" - 18 JIC

1шт.

7

47452729

HOSE

16 ID X 4825mm

1шт.

8

164910

90 ELBOW,7/8" - 14 JIC x 7/8" - 14 ORB

1шт.

9

128823

UNION,7/8"-14, 37 Degree x 7/8"-14, 37 Degree

2шт.

10

47483326

HOSE

16 ID X 11950mm

1шт.

11

47483300

HOSE

16 ID X 680mm

1шт.

12

1272399C2

QUICK MALE COUPLING

2шт.

13

333722A1

CAP

Quick Coupler Green

2шт.

14

87454316

HYDRAULIC HOSE,19mm ID x 2040mm L, SAE 100R17

19 ID X 4775mm

1шт.

15

322894

90 ELBOW,1-1/16" - 12 JIC x 1-1/16" - 12 ORB

1шт.

16

144121

UNION,1-1/16" - 12 JIC x 1-1/16" - 12 JIC

2шт.

17

87454229

HYDRAULIC HOSE,19mm ID x 11240mm L, SAE 100R17

19 ID X11240mm

1шт.

18

47483306

HOSE

19 ID X 1580mm

1шт.

19

1284300C1

HYDRAULIC HOSE

10 ID X 9650mm

1шт.

20

128821

UNION,9/16" - 18 JIC x 9/16" - 18 JIC

1шт.

21

47456337

HOSE

10 ID X 2415mm

1шт.

22

6033

CABLE TIE,6"

1шт.

23

47432848

DECAL

Tag Case Drain

1шт.

24

385358A1

QUICK MALE COUPLING,3/8"

3/8"

1шт.

Выбрано товаров: 24