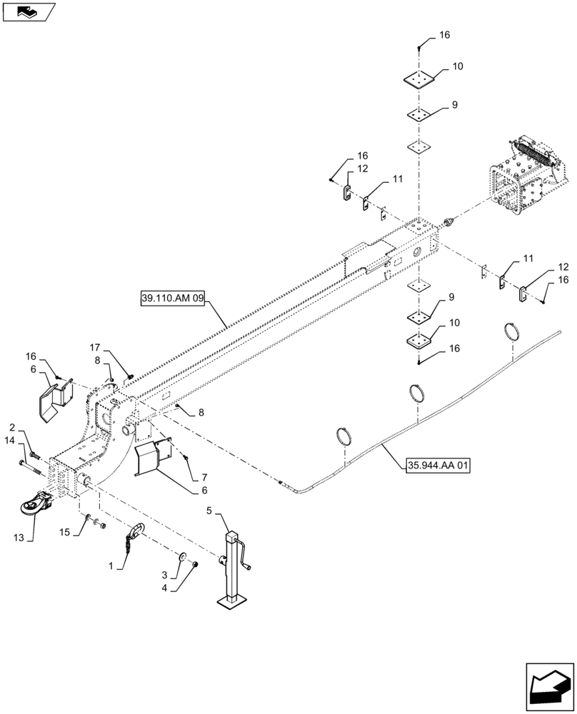
Запчасти Case IH 1245 (39.110.AM[08]) - FRONT HITCH FRAME FOR 16/30 (39) - FRAMES AND BALLASTING

Схема запчастей Case IH 1245 - (39.110.AM[08]) - FRONT HITCH FRAME FOR 16/30 (39) - FRAMES AND BALLASTING
3
9
10
35.944.aa 01
10
home
8
16
9
39.110.am 09
15
12
14
6
5
1
16
17
16
4
6
11
12
2
13
7
16
16
8
11
FIT
1:1
100%

Артикул

Название

Примечание

Количество

1

822544C2

CHAIN (AG)

Safety

1шт.

2

86539260

BOLT,Hex, 1" - 8 x 3", Gr 8

1шт.

3

84156180

WASHER,1.03" ID x 3" OD x 0.24" Thk

1шт.

4

86511609

NUT,1"-8, G8

3шт.

5

385338A1

JACK

7000# Sidewind

1шт.

6

87559018

BRACKET

Wheel Bumper

2шт.

7

86521615

BOLT,Hex, 1/2" - 13 x 1 1/2", Gr 5

8шт.

8

87530607

NUT

8шт.

9

87505235

SHIM

10 X 10 Top Thin

4шт.

10

87502406

WEAR PAD

10 X 10 Top Wear

2шт.

11

87505253

SHIM

10 X 10 Side Thin

4шт.

12

87502414

WEAR PAD

10 X 10 Side

2шт.

13

427981A1

TOW BAR

Hitch Cat IV Painted Red

1шт.

14

87020629

BOLT,Hex, 1" - 8 x 8 1/2", Gr 8

2шт.

15

87036175

WASHER,1.06" ID x 2" OD x 0.22" Thk

4шт.

16

280523

BOLT,Hex, 3/8" - 16 x 1 1/4", Gr 5

12шт.

17

80714

LUBE NIPPLE,1/4"-28 NPT x .54" lg

1шт.

Выбрано товаров: 17