Запчасти Case IH 1245 (63.100.AE[05]) - FERTILIZER DISTRIBUTION FOR 24/20 (63) - CHEMICAL APPLICATORS

Схема запчастей Case IH 1245 - (63.100.AE[05]) - FERTILIZER DISTRIBUTION FOR 24/20 (63) - CHEMICAL APPLICATORS
13
1
8
5
14
3
7
2
18
11
9
8
5
1
4
17
15
12
16
10
9
6
5
home
FIT
1:1
100%

Артикул

Название

Примечание

Количество

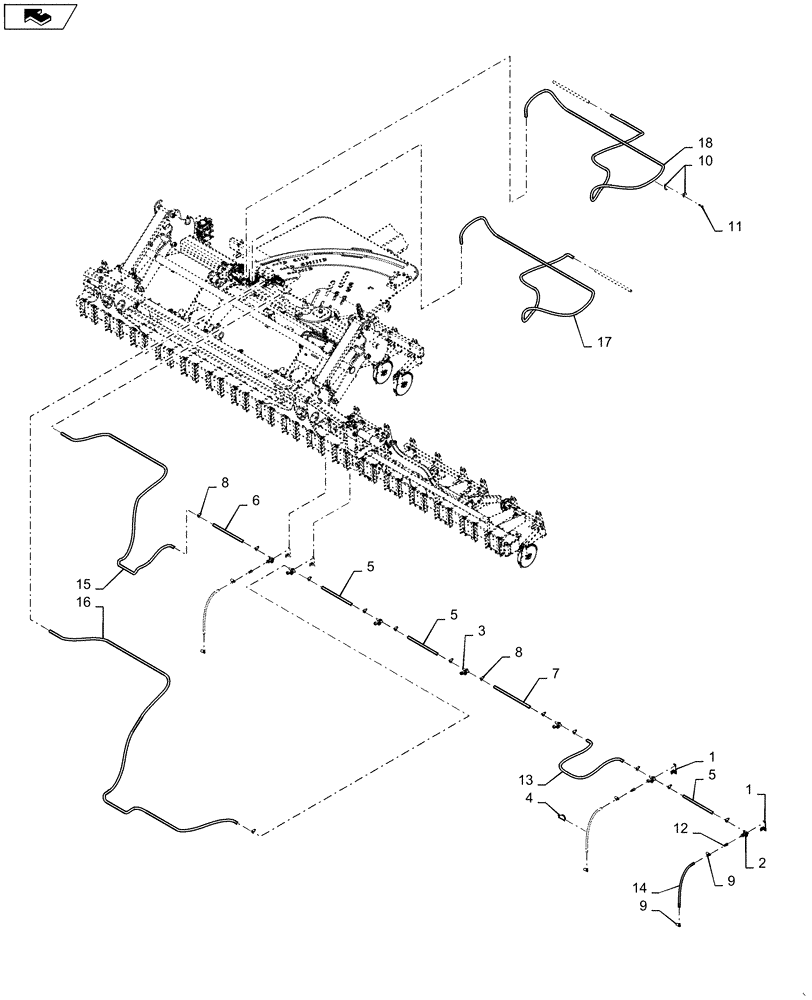
1

241016A1

BRACKET

Hose Support

24шт.

2

241019A1

NOZZLE

Check Valve Elbow

6шт.

3

241017A1

NOZZLE

Check Valve Tee

18шт.

4

112620A1

CABLE TIE

34"

12шт.

5

241923A1

HOSE

Bulk Roll 100' Cut To Length 584mm

8шт.

6

241923A1

HOSE

Bulk Roll 100' Cut To Length 685mm

4шт.

7

241923A1

HOSE

Bulk Roll 100' Cut To Length 462mm

4шт.

8

87625624

HOSE CLAMP,14.2mm ID - 26.9mm ID, SAE #10

#10

48шт.

9

244358

HOSE CLIP,0.44" - 0.78"

48шт.

10

9827902

CLAMP,25.4mm, Coat, 10.3mm Bolt Hole, P Type

12шт.

11

88206

BOLT,Hex, 3/8" - 16 x 1", Gr 5

4шт.

12

86985352

FITTING

1/2" Barbed

24шт.

13

241923A1

HOSE

Bulk Roll 100' Cut To Length 2277mm

2шт.

14

134331C2

HOSE

Bulk Roll 100' Cut To Length 1067mm

24шт.

15

241923A1

HOSE

Bulk Roll 100' Cut To Length 5791mm

2шт.

16

241923A1

HOSE

Bulk Roll 100' Cut To Length 6096mm

2шт.

17

241923A1

HOSE

Bulk Roll 100' Cut To Length 5207mm

1шт.

18

241923A1

HOSE

Bulk Roll 100' Cut To Length 5588mm

1шт.

Выбрано товаров: 18