Запчасти Case IH 1245 (39.100.AB[01]) - CARRIER FRAME FOR 24/20 (39) - FRAMES AND BALLASTING

Схема запчастей Case IH 1245 - (39.100.AB[01]) - CARRIER FRAME FOR 24/20 (39) - FRAMES AND BALLASTING
1
9
25
18
11
23
20
2
5
15
18
8
7
10
6
24
7
home
8
3
18
20
5
21
17
19
39.100.ab 02
7
8
13
14
16
22
12
4
FIT
1:1
100%

Артикул

Название

Примечание

Количество

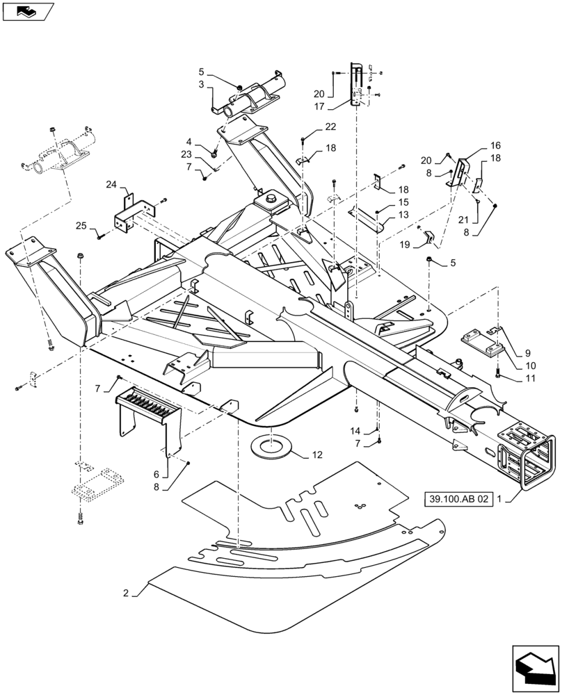
1

87521782

FRAME

Base 24/20

1шт.

2

87401429

SHEET

Non-Skid Platform

1шт.

3

87414636

MOUNTING PARTS

Wheel Spindle

2шт.

4

86637940

BOLT,Hex, 3/4" - 10 x 2 1/2", Gr 8

8шт.

5

84490435

FLANGE NUT

16шт.

6

87460241

STEP

Main Frame

1шт.

7

86521613

BOLT,Hex, 3/8" - 16 x 1", Gr 5

8шт.

8

86521606

FLANGE NUT,Hex, 3/8" - 16, Gr 5

14шт.

9

427859A1

SHIM

Stop Black

4шт.

10

427861A1

BLOCK

Stop

2шт.

11

281074

BOLT,Hex, 3/4" - 10 x 2 1/2", Gr 8

8шт.

12

441100A1

WASHER,144.3mm ID x 264mm OD x 9.53mm Thk

Carrier Rotating Bar

1шт.

13

87500061

GUARD

Hose Protector

1шт.

14

88832

CARRIAGE BOLT,Sq Nk, 1/4" - 20 x 3/4", Gr 5, Full Thd

2шт.

15

86624020

FLANGE NUT,Flg, 1/4"-20.G5

6шт.

16

87500067

BRACKET

Hose Holder

1шт.

17

87445084

HANGER

Hose Mount

1шт.

18

87500057

HOSE CLAMP

11шт.

19

87500022

BRACKET

Hose Retainer

4шт.

20

86508775

CARRIAGE BOLT,Sq Nk, 3/8" - 16 x 1 3/4", Gr 5

4шт.

21

80280503

CARRIAGE BOLT,Sht Sq Nk, 3/8" - 16 x 1", Gr 5, Full Thd

4шт.

22

86523775

BOLT,Hex, 3/8" - 16 x 1 1/2", Gr 5

9шт.

23

86010402

CLAMP,12.7mm, Coat, 10.3mm Bolt Hole, P Type

2шт.

24

87632392

BRACKET

Slow Moving Vehicle Painted

1шт.

25

84543948

FLANGE BOLT

1/4 -20 X 1.25 Grade 5

4шт.

Выбрано товаров: 25