Запчасти Case IH 1245 (39.100.BD[01]) - ROTATING BAR HEAVY FOR 24/20, 30" SPLIT ROW 12/23, 30" SPLIT ROW 12/31 (39) - FRAMES AND BALLASTING

Схема запчастей Case IH 1245 - (39.100.BD[01]) - ROTATING BAR HEAVY FOR 24/20, 30" SPLIT ROW 12/23, 30" SPLIT ROW 12/31 (39) - FRAMES AND BALLASTING
24
31
14
24
29
6
31
17
9
18
12
29
3
23
5
13
31
30
21
8
17
31
32
home
31
28
33
4
30
15
15
25
10
12
25
26
39.100.bd 02
20
31
27
11
39.100.bd 02
2
22
16
29
19
25
15
31
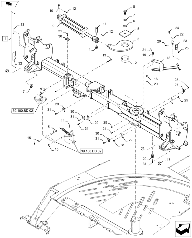
1
7
29
30
FIT
1:1
100%

Артикул

Название

Примечание

Количество

1

84547023

FRAME

Rotating Bar Bulk Fill Tank Painted Red Incl Decals

1шт.

2

87414355

BUSHING,143.1mm ID x 149.4mm OD x 47.6mm L

Bearing Pivot Pin

2шт.

3

441209A1

PLATE

Pivot Pin

1шт.

4

112886C1

BUSHING

Tension

1шт.

5

427853A1

PLATE

Retaining Cap

1шт.

6

87023158

WASHER,1.31" ID x 2.5" OD x 0.15" Thk

1.312 X 2.500 X .150"

1шт.

7

84086

LOCK WASHER,32.08mm ID x 45.47mm OD x 7.95mm Thk

1шт.

8

87023127

BOLT,Hex, 1 1/4" - 7 x 2", Gr 8, Full Thd

1шт.

9

86991780

HYDRAULIC CYLINDER,Double Acting, 44.45mm Rod, 457.2mm Stroke

Tube

1шт.

10

86632561

CLEVIS PIN,31.75mm OD x 91.44mm L

1шт.

11

84156994

CLEVIS PIN

1.250 X 3.75"

1шт.

12

88182

COTTER PIN,1/4" OD x 2" L

2шт.

13

86505992

BOLT,Hex, 1/2" - 13 x 3 3/4", Gr 5

1шт.

14

87397

COTTER PIN,3/16" OD x 1" L

1шт.

15

87364

WASHER,0.53" ID x 1.06" OD x 0.1" Thk

7шт.

16

87500085

BUSHING

1 X .75 X .75"

2шт.

17

87449859

BUSHING

Tension

4шт.

18

87504779

SUPPORT

Hose Link

1шт.

19

87447975

PIN

Hose Support

2шт.

20

86624157

WASHER,0.78" ID x 1.5" OD x 0.06" Thk

2шт.

21

87398

COTTER PIN,3/16" OD x 1-1/4" OAL

2шт.

22

87500065

MOUNTING PLATE

Hose Swivle

4шт.

23

87500057

HOSE CLAMP

5шт.

24

86508775

CARRIAGE BOLT,Sq Nk, 3/8" - 16 x 1 3/4", Gr 5

5шт.

25

86521606

FLANGE NUT,Hex, 3/8" - 16, Gr 5

6шт.

26

80755

COTTER PIN,1/8" OD x 1" L

4шт.

27

87500022

BRACKET

Hose Retainer

1шт.

28

80280503

CARRIAGE BOLT,Sht Sq Nk, 3/8" - 16 x 1", Gr 5, Full Thd

1шт.

29

427781A1

HOSE CLAMP

2 Hose

4шт.

30

427779A1

CLAMP

2 Hose

3шт.

31

86523775

BOLT,Hex, 3/8" - 16 x 1 1/2", Gr 5

7шт.

32

419481A1

DECAL

Danger Crush

1шт.

33

47433201

DECAL

Crush Hazard

1шт.

Выбрано товаров: 33