Качественные детали и логистика
Оригинальные и аналоговые запчасти с доставкой по России, Казахстану и Беларуси
©2022 PartSell ООО "Система" ИНН 2463123282 ОГРН 1212400004838
Центральный офис: г. Красноярск, Академика Киренского, д.87, пом.4
Телефон: 8 (800) 777-65-74 Email: zakaz@partsell.ru
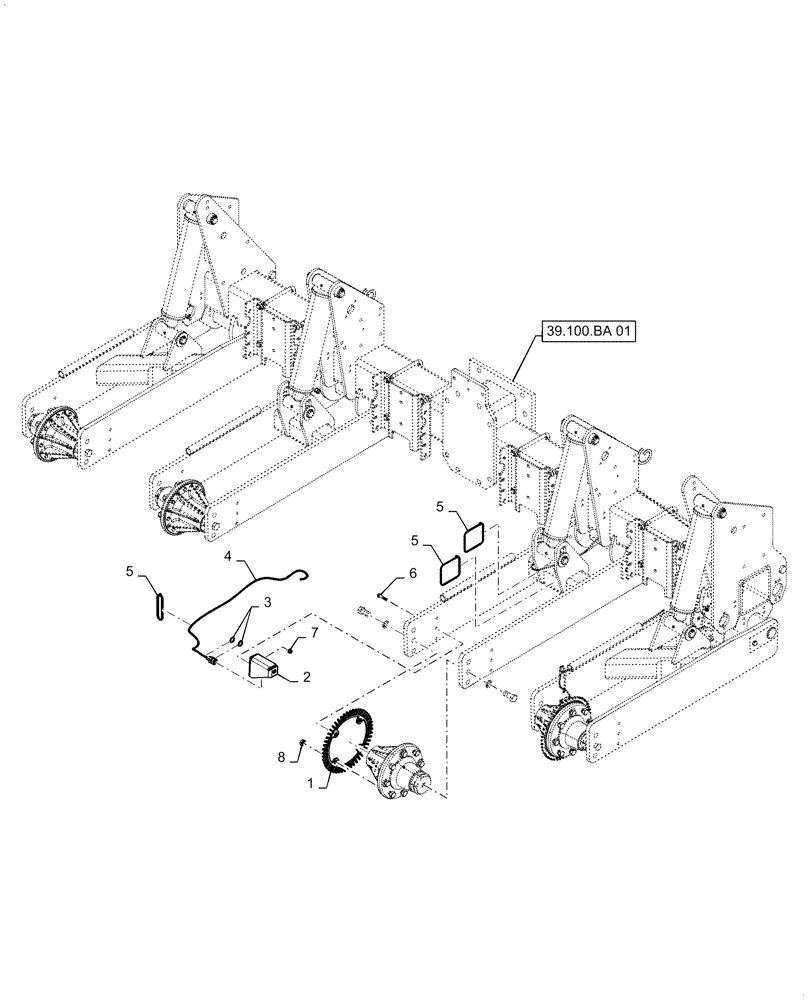
(44.901.AA[03]) - 2ND WHEEL SPEED SENSOR
№
Артикул
Название
Примечание
Количество
1
87650710
SPROCKET
LC 50 Tooth
1шт.
2
87715910
BRACKET
Wheel Speed Sensor
3
18983
LOCK WASHER
2шт.
4
324049A1
SENSOR
Hall Effect, Zero Speed
5
87502038
CABLE TIE
Strap Hose
3шт.
6
9706689
BOLT,Hex, 3/8" - 16 x 1 3/4", Gr 5
7
86521606
FLANGE NUT,Hex, 3/8" - 16, Gr 5
8
86637932
JAM NUT,Jam, 5/8"-18, G5
4шт.
Выбрано товаров: 0