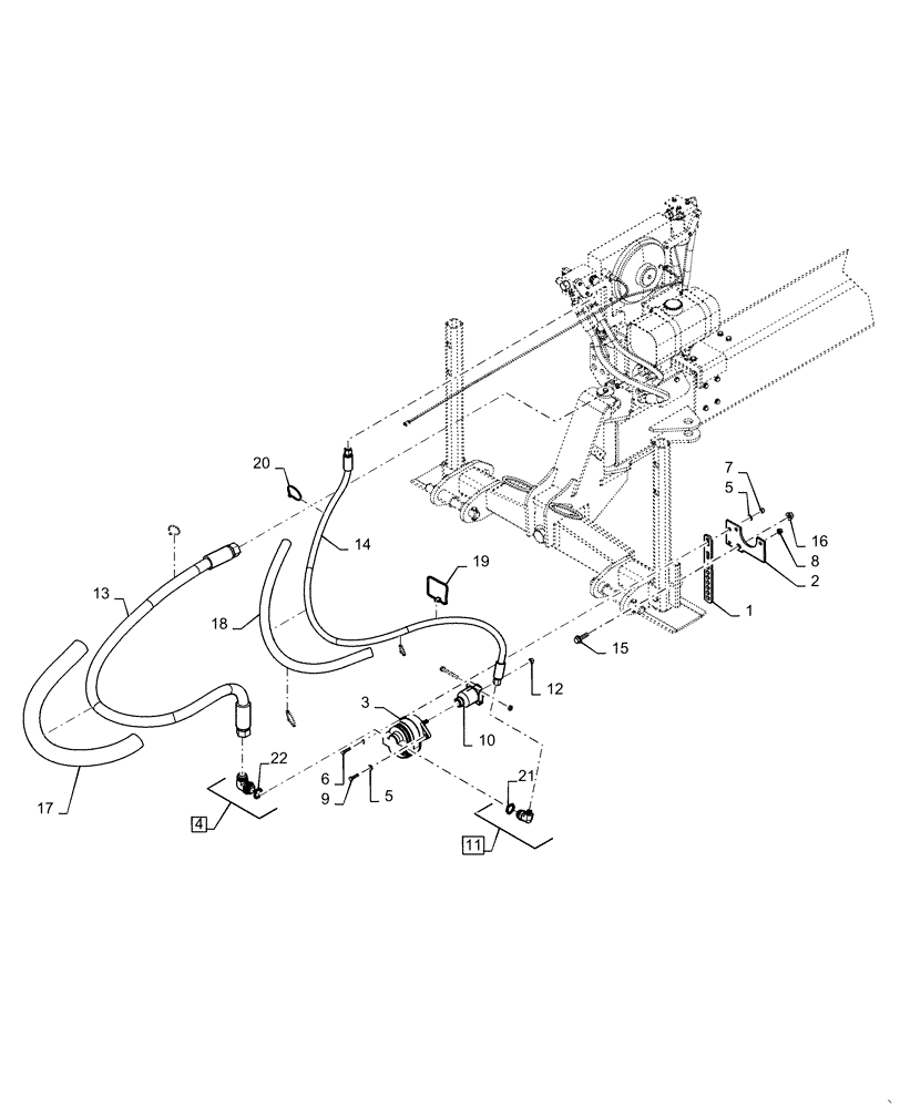
Запчасти Case IH 1255 (35.105.AA[03]) - PTO PUMP 14 GPM FOR 2 POINT HITCH (35) - HYDRAULIC SYSTEMS

Схема запчастей Case IH 1255 - (35.105.AA[03]) - PTO PUMP 14 GPM FOR 2 POINT HITCH (35) - HYDRAULIC SYSTEMS
19
7
5
21
9
6
5
18
20
14
12
3
16
8
2
1
13
11
4
15
22
17
10
FIT
1:1
100%

Артикул

Название

Примечание

Количество

1

437631A1

BRACKET

Adjusting

1шт.

2

437630A1

PLATE

Pump Mounting

1шт.

3

398126A1

HYDRAULIC PUMP,63.6 CC

3.88" Cubic Feet Displacment

1шт.

3

398126A1R

REMAN-HYD PUMP

1шт.

3

398126A1C

CORE-HYDRAULIC PUMP

Return Number

1шт.

4

84530

ELBOW,90 Degree, 1 5/8"-12, 37 Degree x 1 5/8"-12, O-Ring

Incl 22

1шт.

5

87363

WASHER,0.47" ID x 0.92" OD x 0.07" Thk

4шт.

6

86050212

BOLT,Hex, 7/16" - 14 x 1 1/2", Gr 8

2шт.

7

86637736

NUT,7/16"-14, GB

2шт.

8

86512371

SERRATED NUT,Flg, USR, 1/2"-13

2шт.

9

87689

BOLT,1/2"-13 x 1.813" OAL, Gr 5

2шт.

10

1958268C1

COUPLING

1 3/4" Clamp Type

1шт.

11

87024324

ELBOW,90 Degree, 7/8"-14, 37 Degree x 1 5/16"-12, O-Ring

Incl 21

1шт.

12

280963

NUT,Nut, 1/2-20 GR 5 ZND

1шт.

13

87663371

HYDRAULIC HOSE,31.5mm ID x 2500mm L, SAE 100R4

from Hydraulic Pump to Hydraulic Reservoir (31.5mm ID x 2500mm Long)

1шт.

14

47452374

HOSE

from Hydraulic Pump to Valve Port B (16mm ID x 2720mm Long)

1шт.

15

86521621

BOLT,Hex, 5/8" - 11 x 2", Gr 5

1шт.

16

86521611

FLANGE NUT,Flg, 5/8"-11

1шт.

17

87458128

PROTECTIVE SLEEVE,64.5mm ID x 1117.6mm L

Sleeve Protective

1шт.

18

87458127

SLEEVE

Sleeve Protective

1шт.

19

87502039

CABLE TIE

Strap Medium

1шт.

20

291207C1

CLAMP

Cable Lock

4шт.

21

167268

O-RING,0.116" Thk x 1.171" ID, -916, Cl 6, 90 Duro

1шт.

22

570186

O-RING,0.118" Thk x 1.475" ID, -920, Cl 6, 90 Duro

1шт.

Выбрано товаров: 24