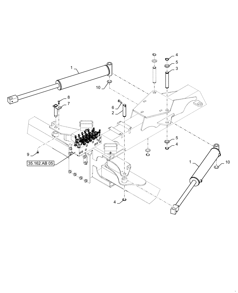
Запчасти Case IH 1255 (35.162.AB[01]) - INNER FRAME FOLD HYDRAULIC CYLINDERS FOR 12 ROW (35) - HYDRAULIC SYSTEMS

Схема запчастей Case IH 1255 - (35.162.AB[01]) - INNER FRAME FOLD HYDRAULIC CYLINDERS FOR 12 ROW (35) - HYDRAULIC SYSTEMS
35.162.ab 05
3
1
10
1
2
7
6
5
8
4
4
9
4
5
10
FIT
1:1
100%

Артикул

Название

Примечание

Количество

1

87702605

CYLINDER,Double Acting, 50.8mm Rod, 574.8mm Stroke

Fold 2.75 Rod

2шт.

2

87578578

PIN

38.1 x 145.2

1шт.

3

87578573

PIN

38.1 x 223

2шт.

4

86632531

SNAP RING,#150, Ext

5шт.

5

86632586

WASHER,1.53" ID x 2.5" OD x 0.11" Thk

4шт.

6

408033A1

PIN

J Lock

1шт.

7

87611651

PIN

Fold Cylinder

1шт.

8

87689

BOLT,1/2"-13 x 1.813" OAL, Gr 5

1шт.

9

88871

NUT,1/2"-13, GC

1шт.

10

28691

WASHER,39mm ID x 60mm OD x 0.89mm Thk

2шт.

Выбрано товаров: 0