Запчасти Case IH 1255 (63.100.AB[01]) - LIQUID FERTILIZER PUMP FOR 12 AND 16 ROW (63) - CHEMICAL APPLICATORS

Схема запчастей Case IH 1255 - (63.100.AB[01]) - LIQUID FERTILIZER PUMP FOR 12 AND 16 ROW (63) - CHEMICAL APPLICATORS
35.138.ag 01
12
24
1
21
18
3
16
6
23
8
9
24
13
17
10
15
2
19
7
18
23
11
14
22
4
20
5
12
63.100.ab 03
63.100.ab 02
FIT
1:1
100%

Артикул

Название

Примечание

Количество

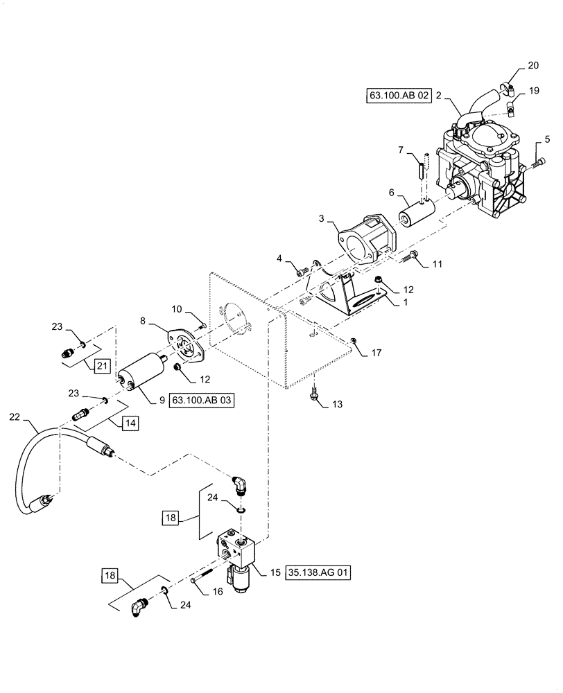
1

408358A1

BASE

Pump Mount

1шт.

2

403008A1

PUMP

Diaphraghm

1шт.

3

86990284

FLANGE

Motor Mounting

1шт.

4

86632600

HEX SOC SCREW,M10 x 20mm, Cl 8.8

2шт.

5

300442

HEX SOC SCREW,M10 x 30mm, Cl 8.8

1шт.

6

400299A2

COUPLING

Pump to Motor

1шт.

7

13916870

ROLL PIN,M10 x 45, Coiled

2шт.

8

400300A1

FLANGE

Mounting

1шт.

9

284797A1

MOTOR

Meter Drive

1шт.

9

284797A1R

REMAN-HYD MOTOR

1шт.

9

284797A1C

CORE-MOTOR HYDRAULIC

Return Number

1шт.

10

87659

HEX SOC SCREW,FLAT, 1/4" - 28 x 3/4"

3шт.

11

86523775

BOLT,Hex, 3/8" - 16 x 1 1/2", Gr 5

2шт.

12

86521606

FLANGE NUT,Hex, 3/8" - 16, Gr 5

6шт.

13

86521613

BOLT,Hex, 3/8" - 16 x 1", Gr 5

4шт.

14

76344

90 ELBOW,9/16" - 18 JIC x 9/16" - 18 ORB

Incl 23

1шт.

15

419865A1

CONTROL VALVE

Flow

1шт.

16

280566

BOLT,Hex, 1/4" - 20 x 2 3/4", Gr 5

2шт.

17

86624020

FLANGE NUT,Flg, 1/4"-20.G5

2шт.

18

76347

ELBOW,90 Degree, 9/16" - 18 JIC x 3/4" - 16 ORB

Incl 24

2шт.

19

514920

HOSE CLAMP,20.6mm - 38.1mm, Worm Gear

1шт.

20

513309

HOSE CLAMP,1-1/16” - 2”, Worm Gear

1шт.

21

76350

HYD CONNECTOR,9/16" - 18 ORB x 9/16" - 18 JIC

Incl 23

1шт.

22

1251872C2

HYDRAULIC HOSE

from Motor Meter Drive to Fertilizer Valve, .375 x 23

1шт.

23

9617873

O-RING,0.078" Thk x 0.468" ID, -906, Cl 6, 90 Duro

1шт.

24

128825

O-RING,0.087" Thk x 0.644" ID, -908, Cl 6, 90 Duro

1шт.

Выбрано товаров: 26