Запчасти Case IH 1255 (35.744.AC[04]) - HYDRAULIC BULK FILL 16 ROW EARLY RISER FRONT FOLDING TRAILER (35) - HYDRAULIC SYSTEMS

Схема запчастей Case IH 1255 - (35.744.AC[04]) - HYDRAULIC BULK FILL 16 ROW EARLY RISER FRONT FOLDING TRAILER (35) - HYDRAULIC SYSTEMS
13
22
20
3
22
10
13
14
18
21
7
11
23
15
16
18
22
4
21
5
1
6
19
9
2
8
17
22
12
9
14
FIT
1:1
100%

Артикул

Название

Примечание

Количество

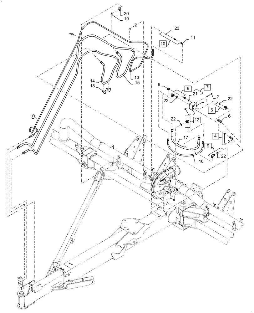
1

296823A2

VALVE

Flow Control and Check

1шт.

2

84559736

BOLT

3/8 -16 x 4.5 Gr 5

2шт.

3

86521606

FLANGE NUT,Hex, 3/8" - 16, Gr 5

2шт.

4

164910

90 ELBOW,7/8" - 14 JIC x 7/8" - 14 ORB

Incl 21

1шт.

5

322896

HYD CONNECTOR,1-1/16" - 12 ORB x 1-1/16" - 12 JIC

Incl 22

1шт.

6

219603

90 ELBOW,1-1/16" - 12 JIC x 1-1/16" - 12, 37 Degree Fem Sw

1шт.

7

128819

HYD CONNECTOR,7/8" - 14 ORB x 3/4" - 16 JIC

Incl 21

1шт.

8

248974

90 ELBOW,3/4" - 16 JIC x 3/4" - 16 Fem Sw

1шт.

9

322894

90 ELBOW,1-1/16" - 12 JIC x 1-1/16" - 12 ORB

Incl 22

2шт.

10

76350

HYD CONNECTOR,9/16" - 18 ORB x 9/16" - 18 JIC

Incl 23

1шт.

11

86629586

90 ELBOW,9/16" - 18 JIC x 9/16" - 18 Fem Sw

1шт.

12

87329785

ELBOW,90 Degree, 1-1/16" - 12 ORB x 3/4" - 16 JIC

Incl 22

1шт.

13

84526403

HOSE

from Fan Motor Drain Port to Hitch Mounting Bracket (9.5mm ID x 9400mm Long)

1шт.

14

47452779

HOSE

from Port V of Flow Control Valve to Hitch Mounting Bracket (16mm ID x 9000mm Long)

1шт.

15

84526390

HOSE

from Port VR of Flow Control Valve to Hitch Mounting Bracket (19mm ID x 8780mm Long)

1шт.

16

1960386C1

HYDRAULIC HOSE

from Fan Motor Port D to Port M of Multi Valve (12.5mm ID x 890mm Long)

1шт.

17

84223562

HYDRAULIC HOSE

from Port MR of Flow Control Valve to Fan Motor Port C (19mm ID x 750mm Long)

1шт.

18

87502038

CABLE TIE

Small

4шт.

19

87482623

CLAMP

Large

2шт.

20

86594406

CLAMP,15.9mm, Coat, 10.3mm Bolt Hole, P Type

2шт.

21

167269

O-RING,0.097" Thk x 0.755" ID, -910, Cl 6, 90 Duro

1шт.

22

167266

O-RING,0.116" Thk x 0.924" ID, -912, Cl 6, 90 Duro

1шт.

23

9617873

O-RING,0.078" Thk x 0.468" ID, -906, Cl 6, 90 Duro

1шт.

Выбрано товаров: 23