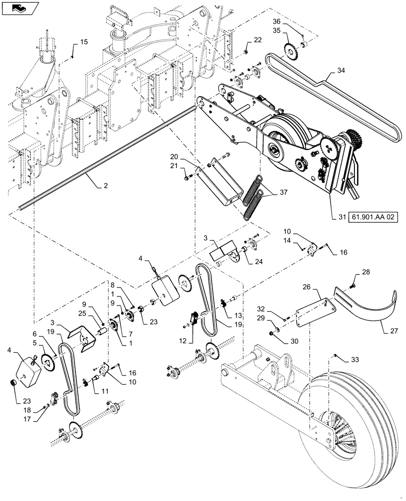
Запчасти Case IH 1255 (61.901.AA[01]) - MECHANICAL UPPER DRIVELINE (61) - METERING SYSTEM

Схема запчастей Case IH 1255 - (61.901.AA[01]) - MECHANICAL UPPER DRIVELINE (61) - METERING SYSTEM
61.901.aa 02
27
33
11
31
22
16
32
30
6
19
23
10
28
14
16
13
7
8
29
2
1
24
18
3
34
9
3
20
5
36
25
4
1
26
17
23
35
15
10
12
21
19
37
4
9
FIT
1:1
100%

Артикул

Название

Примечание

Количество

1

87566583

FLANGED BEARING,22.25mm ID

5шт.

2

87690909

SHAFT

Hex .875 x 1985mm

1шт.

3

84426022

BRACKET

Clutch Stop Red

2шт.

4

87632130

ELECTRIC CLUTCH

Transmission

2шт.

4

87632130R

REMAN-CLUTCH KIT

2шт.

4

87632130C

CORE-CLUTCH KIT

Return Number

2шт.

5

87690910

SPROCKET

40 x 31 Teeth

2шт.

6

88769

HEX SOC SCREW,BTN HD, 1/4" - 20 x 1/2"

6шт.

7

280623

CARRIAGE BOLT,Sht Sq Nk, 5/16" - 18 x 1 1/2", Gr 5

4шт.

8

88992

CARRIAGE BOLT,Short Sq Nk, 5/16" - 18 x 1", Gr 5

6шт.

9

86521605

FLANGE NUT,5/16"-18, Cl 5

10шт.

10

87690916

BRACKET

Tensioner Painted Red

2шт.

11

87459942

SPINDLE

Chain Tensioner

2шт.

12

87458905

ROLLER

Chain Tensioner

2шт.

13

87624898

TENSION SPRING

Idler RIght

2шт.

14

88146

BOLT,Hex, 1/4" - 20 x 1", Gr 5

4шт.

15

523282

SERRATED NUT,Flg, USR, 1/4"-20

4шт.

16

87626

BOLT,Hex, 5/16" - 18 x 2 3/4", Gr 5

2шт.

17

80664

WASHER,0.38" ID x 0.88" OD x 0.08" Thk

2шт.

18

86050277

NUT,5/16"-18, GB

2шт.

19

84393496

CHAIN

Seed Drive, 104 Links, 52" Length

2шт.

20

87690918

BRACKET

Spring Red

1шт.

21

84543944

FLANGE BOLT

4шт.

22

87301492

SERRATED NUT,Flg, USR, 1/2"-13, G8

4шт.

23

22224

COLLAR

Stop Lock

3шт.

24

87691886

SPACER

Mechanical Drive

3шт.

25

87691889

SPACER

Mechanical Drive

1шт.

26

84214156

MOUNT

Mud Scraper Painted Red

1шт.

27

84214157

SCRAPER

Flat Mud Painted Red

1шт.

28

280420

CARRIAGE BOLT,Sq Nk, 1/2" - 13 x 1 1/2", Gr 5, Full Thd

2шт.

29

84158486

WASHER,0.53" ID x 1.25" OD x 0.19" Thk

0.531 x 1.25 x 0.188

1шт.

30

86512371

SERRATED NUT,Flg, USR, 1/2"-13

2шт.

31

NS

NOT SERVICED

Transmision Assembly See Fig 61.901.AA[02]

1шт.

32

9706689

BOLT,Hex, 3/8" - 16 x 1 3/4", Gr 5

2шт.

33

86521606

FLANGE NUT,Hex, 3/8" - 16, Gr 5

2шт.

34

84393495

CHAIN

Seed Drive

1шт.

35

87503169

SPROCKET

50 Chain 24 Teeth

1шт.

36

86624123

SET SCREW,Hex Skt, 1/2" - 13 x 1/2"

2шт.

37

87627102

SPRING

Transmision Pressure

2шт.

Выбрано товаров: 0