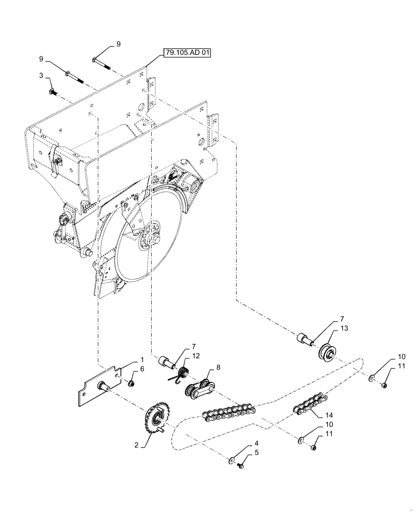
Запчасти Case IH 1255 (61.901.AI[02]) - METER DRIVE ROW UNIT CHAIN (61) - METERING SYSTEM

Схема запчастей Case IH 1255 - (61.901.AI[02]) - METER DRIVE ROW UNIT CHAIN (61) - METERING SYSTEM
11
6
10
4
14
8
13
10
12
3
9
5
11
7
2
9
7
79.105.ad 01
1
FIT
1:1
100%

Артикул

Название

Примечание

Количество

1

303068A1

BRACKET

Bearing Spindle

1шт.

2

84552591

SPROCKET

Meter Drive

1шт.

3

80280503

CARRIAGE BOLT,Sht Sq Nk, 3/8" - 16 x 1", Gr 5, Full Thd

2шт.

4

86624140

WASHER,0.28" ID x 0.88" OD x 0.06" Thk

1шт.

5

86521549

BOLT,Hex, 1/4" - 20 x 1/2", Gr 5

1шт.

6

247780

SERRATED NUT,Flg, USR, 3/8"-16

2шт.

7

87459942

SPINDLE

Chain Tensioner

2шт.

8

87458905

ROLLER

Chain Tensioner

1шт.

9

281006

CARRIAGE BOLT,Sq Nk, 5/16" - 18 x 3", Gr 5

2шт.

10

80664

WASHER,0.38" ID x 0.88" OD x 0.08" Thk

2шт.

11

86050277

NUT,5/16"-18, GB

2шт.

12

87505096

TENSION SPRING

Idler

1шт.

13

87558401

ROLLER

Meter Drive

1шт.

14

84373804

CHAIN

Row Unit Metering 120 Links

1шт.

(Pitch .500") (Roller Dia .312") (Roller Width .312") (Side Bar Thick .060") (Spring Clip Style 1/2" Pitch)

1шт.

Выбрано товаров: 0