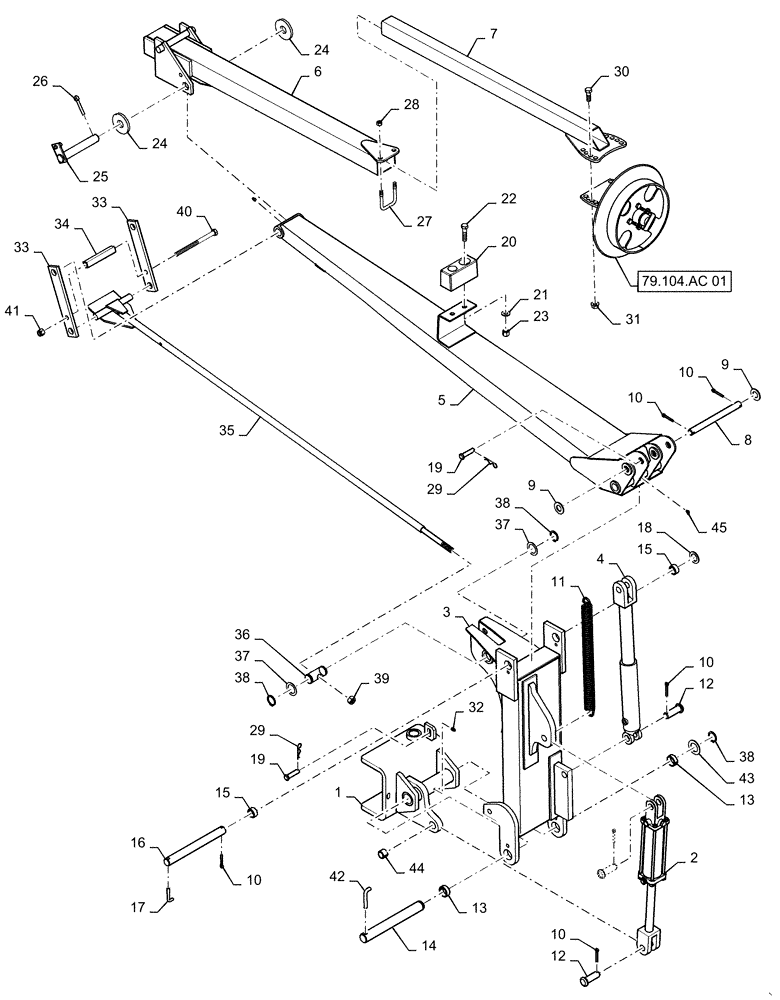
Запчасти Case IH 1255 (79.104.AB[02]) - MARKER RIGHT FOR 16 ROW (79) - PLANTING

Схема запчастей Case IH 1255 - (79.104.AB[02]) - MARKER RIGHT FOR 16 ROW (79) - PLANTING
79.104.ac 01
10
44
23
38
16
10
11
17
34
9
40
39
2
29
5
9
20
1
21
36
41
33
15
33
22
12
13
30
15
38
7
25
10
10
6
35
29
24
43
31
14
28
42
24
4
18
19
45
32
19
8
3
37
13
12
37
27
26
10
38
FIT
1:1
100%

Артикул

Название

Примечание

Количество

1

87650715

FRAME

Inner Marker Painted Red

1шт.

2

86991779

HYDRAULIC CYLINDER,Double Acting, 31.75mm Rod, 203.2mm Stroke

2.5 x 8 3000 PSI No Pins

1шт.

3

84241947

ARM

Marker Red

1шт.

4

87430675

HYDRAULIC CYLINDER,50.8mm Rod, 204.72mm Stroke

2 x 8

1шт.

5

427795A1

ARM

Middle Marker

1шт.

6

427797A1

TUBE

Outer Arm

1шт.

7

427799A1

TUBE

Adjusting

1шт.

8

441257A1

PIN,25.4mm OD x 265mm L

Outer Adjust

1шт.

9

86632592

WASHER,1.06" ID x 2" OD x 0.13" Thk

2шт.

10

88182

COTTER PIN,1/4" OD x 2" L

6шт.

11

1277583C1

COIL SPRING

Marker Assist

1шт.

12

87023161

HEADED PIN,1" x 3"

3шт.

13

1268054C1

BUSHING,38.18mm ID x 45.47mm OD x 19.05mm L

Tension

2шт.

14

47761426

PIN

Marker Fold

1шт.

15

1268053C1

BUSHING,38.1mm ID x 44.45mm OD x 19.05mm L

Tension

2шт.

16

406321A1

PIVOT PIN

Outer Arm

1шт.

17

408034A1

PIN

J Lock

1шт.

18

86632583

WASHER,1.28" ID x 2" OD x 0.12" Thk

1шт.

19

86624085

HEADED PIN,15.88mm OD x 69.85mm L

2шт.

20

437020A1

BUMPER

Pad Rubber

1шт.

21

87365

WASHER,0.66" ID x 1.31" OD x 0.1" Thk

2шт.

22

87630

BOLT,Hex, 5/8" - 11 x 2 1/2", Gr 5

2шт.

23

86639566

NUT,5/8"-11, GB

2шт.

24

406320A1

WASHER

Link Pivot

2шт.

25

402227A1

SPECIAL PIN

Lock

1шт.

26

87575

COTTER PIN,3/8" OD x 2.5" OAL

1шт.

27

1344524C1

U-BOLT

1/2 x 2-1/2 x 3-1/2

1шт.

28

280431

NUT,1/2"-13, G5

2шт.

29

NS

NOT SERVICED

1шт.

30

9627896

BOLT,Hex, 5/8" - 11 x 1 3/4", Gr 5

2шт.

31

86521608

FLANGE NUT,Flg, 5/8"-11, G5

2шт.

32

80714

LUBE NIPPLE,1/4"-28 NPT x .54" lg

2шт.

33

427801A1

BAR

Link

2шт.

34

427803A1

TUBE

Spacer

1шт.

35

84243618

ROD

Link Painted Red

1шт.

36

406319A1

TRUNNION

Marker

1шт.

37

86632585

WASHER,1.53" ID x 2.25" OD x 0.06" Thk

2шт.

38

86632531

SNAP RING,#150, Ext

3шт.

39

86632685

LOCK NUT

3/4"

1шт.

40

86507001

BOLT,Hex, 5/8" - 11 x 8 1/2", Gr 5

1шт.

41

19670

NUT,5/8"-11, GB

1шт.

42

408033A1

PIN

J Lock

1шт.

43

86632586

WASHER,1.53" ID x 2.5" OD x 0.11" Thk

1.531 x 2.500 x .109"

1шт.

44

64601C1

BUSHING

Tension

1шт.

45

80721

LUBE NIPPLE,1/4"-28 x 45 Degree

1шт.

46

1978738C1

HAIR PIN COTTER

2шт.

Выбрано товаров: 0