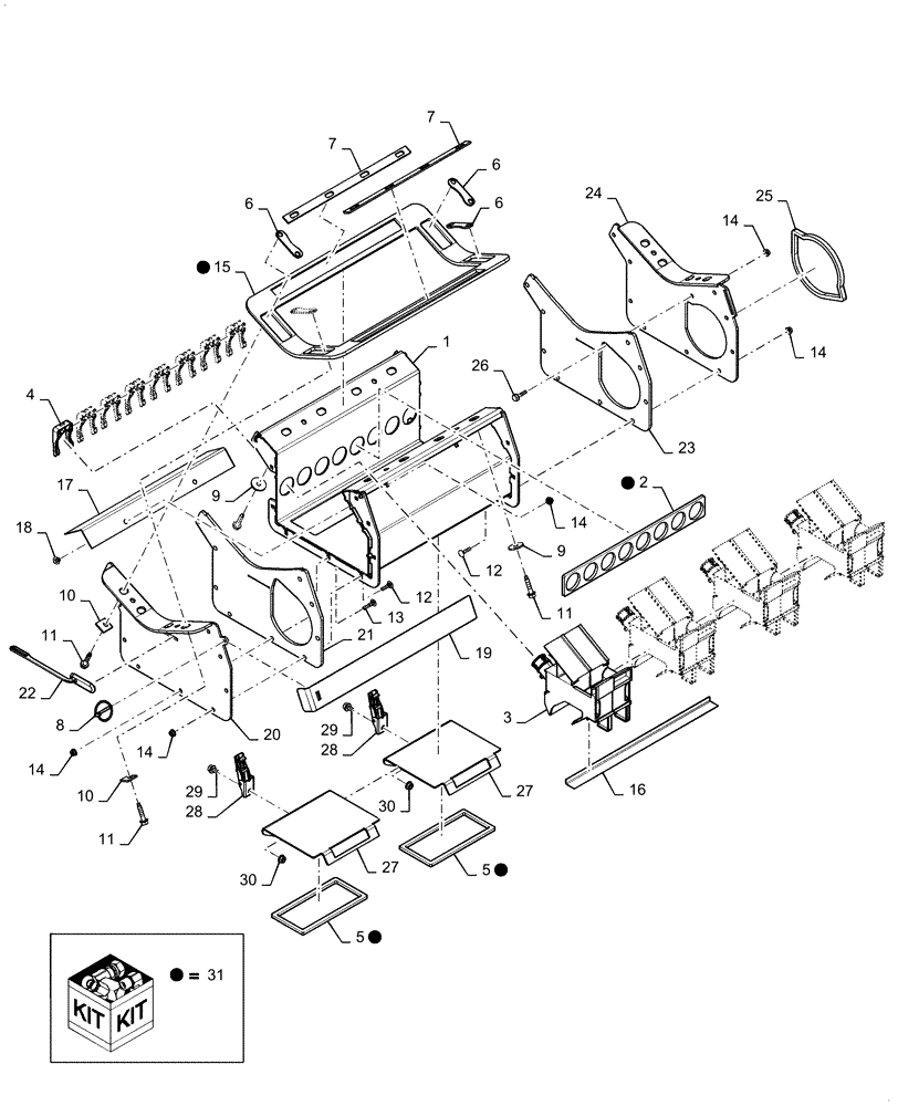
Запчасти Case IH 1255 (80.100.AC[04]) - DISTRIBUTOR, ASSY, 8 PORT LH (80) - CROP STORAGE/UNLOADING

Схема запчастей Case IH 1255 - (80.100.AC[04]) - DISTRIBUTOR, ASSY, 8 PORT LH (80) - CROP STORAGE/UNLOADING
11
4
11
14
3
5
14
24
9
28
26
27
31
13
31
6
31
29
14
29
30
2
14
16
30
18
8
27
23
21
28
6
1
31
17
7
6
25
20
22
19
12
12
9
14
31
10
15
11
5
7
10
31
FIT
1:1
100%

Артикул

Название

Примечание

Количество

1

84489713

DISTRIBUTOR

8 Port, Red

1шт.

2

NSS

NOT SOLD SEPARAT

Gasket 8 Port, Incl in 31

1шт.

3

84580208

MANIFOLD

Inductor Segment

4шт.

4

84544326

CLIP

Inductor Segment

8шт.

5

NSS

NOT SOLD SEPARAT

Gasket Seed Door, Incl in 31

1шт.

6

47497878

SUPPORT

End Place Spacer, Red

4шт.

7

47497881

SUPPORT

8 Port Distribution, Red

2шт.

8

87459046

LINCH PIN

1шт.

9

87013351

WASHER,0.34" ID x 1.25" OD x 0.12" Thk

8шт.

10

47382493

MOUNTING PLATE

Distributor

8шт.

11

84420728

BOLT

16шт.

12

86508769

CARRIAGE BOLT,Sq Nk, 1/4" - 20 x 1", Gr 5

16шт.

13

280687

CARRIAGE BOLT,Sq Nk, 1/4" - 20 x 1 1/4", Gr 5

2шт.

14

86624020

FLANGE NUT,Flg, 1/4"-20.G5

21шт.

15

NSS

NOT SOLD SEPARAT

Gasket Main 8 Port, Incl in 31

1шт.

16

84489729

SCREEN

8 Port lower

1шт.

17

84543877

SCREEN

8 Port Upper

1шт.

18

280700

CARRIAGE BOLT,Sht Sq Nk, 1/4" - 20 x 1/2", Gr 5, Full Thd

2шт.

19

84427933

GRATE

Seed Shut Off, 8 Port, Red

1шт.

20

84489721

WALL

RH, No Air, Red

1шт.

21

84540714

GASKET

RH, Endcap

1шт.

22

47374749

PLUG

Seed Gate

1шт.

23

84540713

GASKET

LH Endcap

1шт.

24

84489720

WALL

LH, Air, Red

1шт.

25

84540715

GASKET

Air Intake

1шт.

26

86511443

BOLT,Hex Serr, 1/4" - 20 x 1", 5SPL, Full Thd

1шт.

27

84581148

PLATE

Short Door, Red

2шт.

28

47525127

LATCH

Undercenter Double Lock

2шт.

29

86521551

BOLT,Hex, 5/16" - 18 x 1/2", Gr 5

2шт.

30

86521605

FLANGE NUT,5/16"-18, Cl 5

2шт.

31

84493589

GASKET KIT

8 Port, Incl 2, 5, 15

1шт.

Выбрано товаров: 0