Качественные детали и логистика
Оригинальные и аналоговые запчасти с доставкой по России, Казахстану и Беларуси
©2022 PartSell ООО "Система" ИНН 2463123282 ОГРН 1212400004838
Центральный офис: г. Красноярск, Академика Киренского, д.87, пом.4
Телефон: 8 (800) 777-65-74 Email: zakaz@partsell.ru
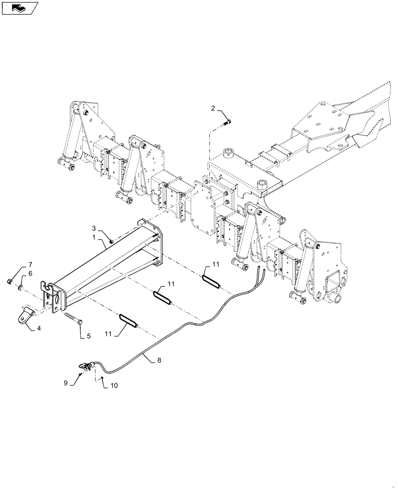
(39.110.AM[01]) - REAR HITCH FOR 12 AND 16 ROW
№
Артикул
Название
Примечание
Количество
1
87650714
HITCH
Rear Painted Red
1шт.
2
281074
BOLT,Hex, 3/4" - 10 x 2 1/2", Gr 8
8шт.
3
86518194
NUT,3/4"-10, G8
4
47449285
BAR
Hitch Painted Red
5
9602223
BOLT,Hex, 1" - 8 x 7", Gr 5
6
87036175
WASHER,1.06" ID x 2" OD x 0.22" Thk
7
280286
NUT,1"-8, GB
8
87677108
CABLE EXTENSION
Lighting Harness
9
86512168
BOLT,Hex Serr Flg, 5/16" - 18 x 1"
2шт.
10
9823743
FLANGE NUT,Flg, 5/16"-18
11
87502039
CABLE TIE
Medium
3шт.
Выбрано товаров: 0