Запчасти Case IH 1255 (35.948.AD[02]) - HYDRAULICS CENTER SECTION FOR 24 ROW 30" SPACING (35) - HYDRAULIC SYSTEMS

Схема запчастей Case IH 1255 - (35.948.AD[02]) - HYDRAULICS CENTER SECTION FOR 24 ROW 30" SPACING (35) - HYDRAULIC SYSTEMS
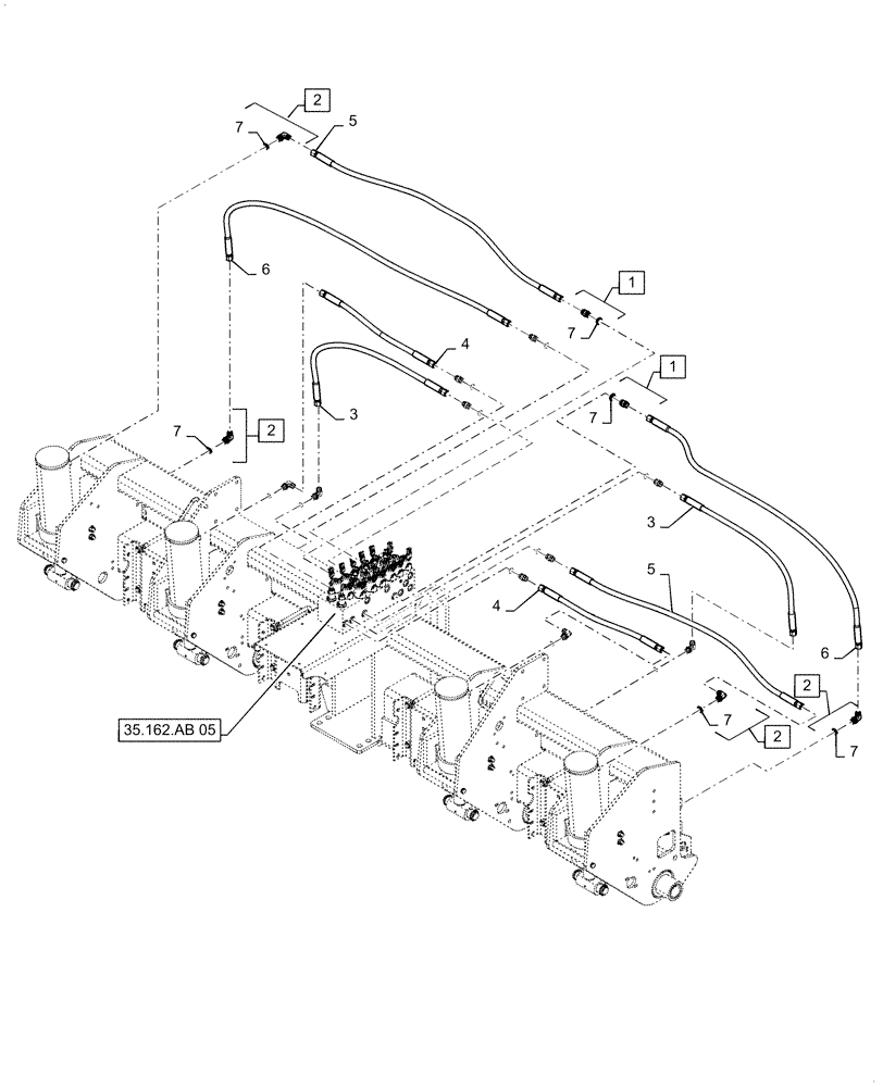
35.162.ab 03
4
7
4
3
2
1
3
7
5
7
2
7
1
6
7
5
2
6
7
2
FIT
1:1
100%

Артикул

Название

Примечание

Количество

1

81827427

HYD CONNECTOR,3/4" - 16 JIC x 3/4" - 16 ORB

Incl 7

8шт.

2

128830

90 ELBOW,3/4" - 16 JIC x 3/4" - 16 ORB

Incl 7

8шт.

3

47413421

HOSE

from Hydraulic Valve Lift & Fold Assy to Left & Right Inner Center Cylinder Rod End (12.5mm ID x 1040mm Long)

2шт.

4

47533914

HYDRAULIC HOSE

from Hydraulic Valve Lift & Fold Assy to Left & Right Inner Center Cylinder Base End (12.5mm ID x 685mm Long)

2шт.

5

47409363

HOSE

from Hydraulic Valve Lift & Fold Assy to Left & Right Outer Center Cylinder Base End (12.5mm ID x 1395mm Long)

2шт.

6

47409380

HOSE

from Hydraulic Valve Lift & Fold Assy to Left & Right Outer Center Cylinder Rod End (12.5mm ID x 1780mm Long)

2шт.

7

128825

O-RING,0.087" Thk x 0.644" ID, -908, Cl 6, 90 Duro

1шт.

Выбрано товаров: 0