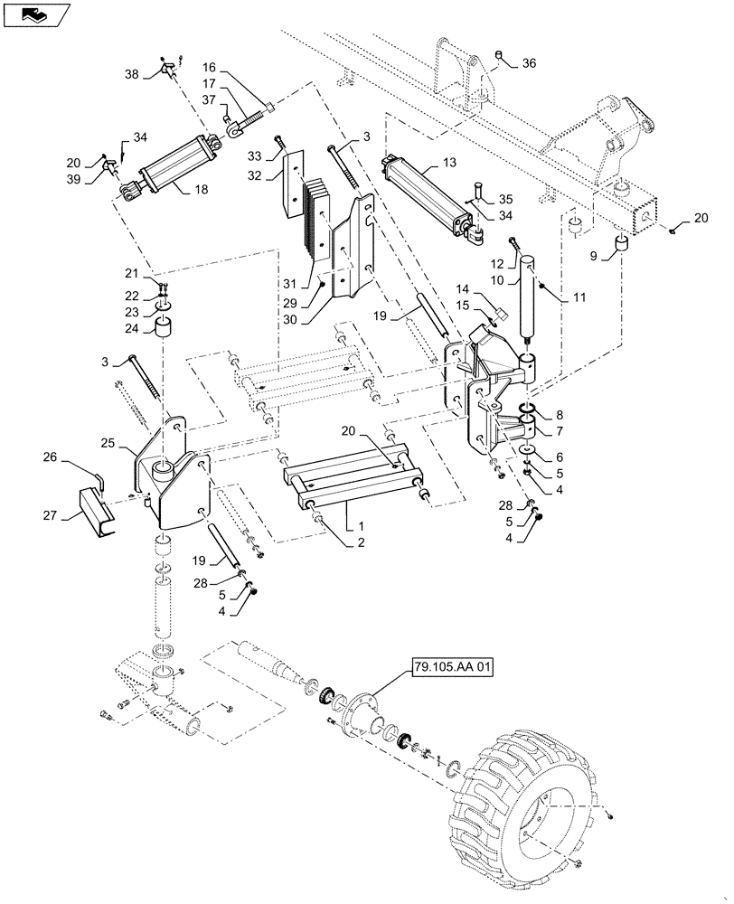
Запчасти Case IH 1625 (44.105.AA[02]) - GAUGE WHEEL (44) - WHEELS

Схема запчастей Case IH 1625 - (44.105.AA[02]) - GAUGE WHEEL (44) - WHEELS
31
17
19
28
20
28
6
26
21
1
8
35
29
4
36
27
5
32
10
4
9
14
19
24
38
34
79.105.aa 01
30
20
25
33
13
5
3
37
15
3
home
5
7
16
4
2
34
12
20
39
23
11
22
18
FIT
1:1
100%

Артикул

Название

Примечание

Количество

1

73357408

ARM

PARALLEL

1шт.

2

73358216

BUSHING

1 7/8X1 5/8X1 1/2

1шт.

3

73358468

SCREW

1шт.

4

9849633

NUT,1"-8, G5

1шт.

5

87342

LOCK WASHER,25.48mm ID x 42.06mm OD x 6.35mm Thk

1шт.

6

73357796

WASHER

1шт.

7

73357407

FRAME

CASTER MOUNT SWIVEL 2

1шт.

8

73357106

SPACER

CASTER

1шт.

9

1337422C1

BUSHING

1шт.

10

73357437

PIN

1шт.

11

19670

NUT,5/8"-11, GB

1шт.

12

86977740

BOLT,Hex, 5/8" - 11 x 4", Gr 5

1шт.

13

73357937

TIE-ROD

4.25X27.75X2.00

1шт.

14

86511263

LOCK WASHER,38.58mm ID x 61.44mm OD x 9.53mm Thk

1шт.

15

3541

NUT,1 1/2"-6, G5

1шт.

16

73357127

EYEBOLT

1шт.

17

73357127

EYEBOLT

1шт.

18

73357932

TIE-ROD

1шт.

19

73357136

TUBE

1шт.

20

87414

LUBE NIPPLE,1/4" - 28

1шт.

21

87670

BOLT,1/2" - 13 x 1-1/4", Full Thd, Gr 5

1шт.

22

80679

LOCK WASHER,1/20.507 CST ZND

1шт.

23

73357109

CAP

1шт.

24

73358198

BUSHING

1шт.

25

73357406

FRAME

LOWER SWIVEL

1шт.

26

73358514

PIN

1шт.

27

73357107

CHANNEL

1шт.

28

87367

WASHER,1.06" ID x 2" OD x 0.13" Thk

1шт.

29

86521608

FLANGE NUT,Flg, 5/8"-11, G5

1шт.

30

73357410

BRACKET

TONGUE SWAY BLOCK

1шт.

31

73357139

SHIM

1шт.

32

73358027

SPACER

1шт.

33

87338

BOLT,Hex, 5/8" - 11 x 3", Gr 5

1шт.

34

87400

COTTER PIN,3/16" x 2"

1шт.

35

73358522

CLEVIS PIN

1шт.

36

73358190

BUSHING

1шт.

37

1337423C1

BUSHING

1шт.

38

73357129

PIN

1шт.

39

73357130

PIN

1шт.

Выбрано товаров: 39