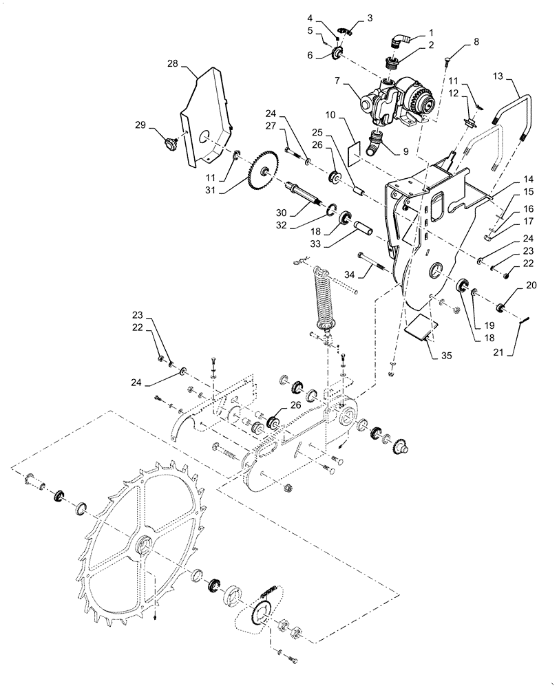
Запчасти Case IH 1625 (63.100.AB[08]) - FERTILIZER CONTACT WHEEL BREAKDOWN (63) - CHEMICAL APPLICATORS

Схема запчастей Case IH 1625 - (63.100.AB[08]) - FERTILIZER CONTACT WHEEL BREAKDOWN (63) - CHEMICAL APPLICATORS
12
5
18
33
24
8
1
19
2
15
11
25
23
22
31
35
10
3
28
26
22
6
14
27
24
7
34
23
16
24
9
32
30
13
4
29
26
20
21
11
17
18
FIT
1:1
100%

Артикул

Название

Примечание

Количество

1

73358385

FITTING

1MNPT X 1HB POLYPROP

1шт.

2

73358305

FITTING

1 1/2MNPT X 1FNPT POLYPROP

1шт.

3

73358902

CHAIN

#40 136 PITCHES

1шт.

4

73359070

SET SCREW

5/16-18X5/16NY

1шт.

5

73358481

KEY

1/4 X 1

1шт.

6

73357695

SPROCKET

40C15 1 ID X 1.13

1шт.

7

73358139

PUMP

JB PISTON PUMP NGP

1шт.

8

88832

CARRIAGE BOLT,Sq Nk, 1/4" - 20 x 3/4", Gr 5, Full Thd

1шт.

9

73358384

FITTING

1 1/2MNPT X 1 1/2HB POLYP

1шт.

10

73358186

DECAL

FERT DRIVE

1шт.

11

73358546

LINCH PIN

3/16 X 1 9/16 LONG

1шт.

12

73357862

SPROCKET

40C15 X 7/8 HEX BORE

1шт.

13

73358600

U-BOLT

3/4-10 CORNER 7 SQ

1шт.

14

73357692

MOUNT

FERT DRIVE

1шт.

15

87381

WASHER,0.81" ID x 1.47" OD x 0.13" Thk

1шт.

16

87340

LOCK WASHER,Helical Spring, 0.759" ID, CST, ZND

1шт.

17

280954

NUT,3/4"-10, G5

1шт.

18

210043

BALL BEARING,30mm ID x 62mm OD x 16mm W

1шт.

19

73358616

WASHER

3/4 HARDENED STEEL

1шт.

20

84996

SLOTTED NUT,3/4"-10, G5

1шт.

21

80754

COTTER PIN,3/16" OD x 1-1/2" OAL

1шт.

22

9803187

NUT,1/2"-13, G8

1шт.

23

80679

LOCK WASHER,1/20.507 CST ZND

1шт.

24

73358624

WASHER

FLAT 1/2

1шт.

25

73357706

PIVOT

1ODX.56IDX1.84

1шт.

26

73358022

IDLER

1 PC 2.38X1.01X1.062

1шт.

27

87339

BOLT,Hex, 1/2" - 13 x 3", Gr 5

1шт.

28

73357698

SHIELD

PUMP DRIVE CHAIN

1шт.

29

73358021

KNOB

3/8 16 MALE THD 2 3/8OD

1шт.

30

73357691

SHAFT

FERT DRIVE SHAFT

1шт.

31

73357875

SPROCKET

LOCK, REG 5/8 0.634

1шт.

32

32324

SNAP RING,2.44", Int, #244

1шт.

33

73357707

SPACER

FERT DRIVE WHL BEARING

1шт.

34

84009

BOLT

5/8-11 X 6 GR5

1шт.

35

73357694

BRACKET

FERT DRIVE ARM STOP

1шт.

Выбрано товаров: 35